变压器是一种常见的电气设备,用于将交流电压从一个电路转换到另一个电路。在变压器中,有两个线圈,一个是输入线圈,另一个是输出线圈。这两个线圈之间有一个共同的磁路,当输入线圈中的电流发生变化时,它会产生一个磁场,这个磁场会穿过磁路并感应到输出线圈中,从而产生输出电压。
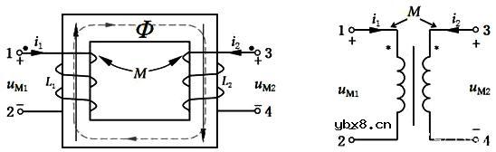
相信大家肯定在电路图上有见过变压器的电气符号,常会发现变压器符号上带有一个像眼睛的小黑点。这是表示什么呢?下面就跟大家分享一下这个小黑点的相关知识。

变压器线圈上的标注的这个小黑点,其实是表示是同名端的意思。所谓同名端和异名端的定义,一定是对两个或者两个以上的线圈而言的,因为这个涉及到的本质问题是线圈的磁耦合,既然是耦合,当然是两者或者是两者以上产生的关系。对于磁场耦合的介质可以是具体的磁性材料也可以是空气。
在变压器中,同名端和异名端是非常重要的概念。它们是指两个线圈中具有相同极性的两端。如果两个线圈的同名端相连,那么它们之间的电压就是零;如果两个线圈的异名端相连,那么它们之间的电压就是最大值。因此,正确地判断线圈的同名端和异名端非常重要。
同名端和异名端的定义
同名端,是互感线圈之间的电流或电动势相位判别的依据。同名端具体指的是:当两个互感线圈通入电流,所产生的磁通方向相同时,两个线圈的电流流入端称为同名端(又称同极性端),反之为异名端。

如何判断线圈同名端?
下面介绍几种常用的方法来判断线圈的同名端:
1.观察法
观察法是最简单、最直接的一种方法。通过仔细观察线圈的绕制方式和极性标记,可以判断出线圈的同名端和异名端。一般来说,线圈的同名端会在绕制过程中被标记出来,例如用颜色标记或者用字母标记。如果没有标记,可以通过观察线圈的形状和绕制方式来判断。例如,如果一个线圈是由多个小圈组成的,那么它的同名端通常会比较靠近中心位置;如果一个线圈是由一个大圈组成的,那么它的同名端通常会比较靠近边缘位置。
2.测量法
测量法是一种比较精确的方法,适用于没有标记的线圈或者标记不清晰的线圈。通过使用万用表或者示波器等仪器,可以测量出线圈两端的电压或电流,从而判断出它们的同名端和异名端。具体步骤如下:
(1)将万用表或示波器连接到线圈的两个端口上。
(2)改变输入信号的频率和幅度,记录下不同频率和幅度下的电压或电流值。
(3)根据记录下的数值,判断出线圈的同名端和异名端。一般来说,当输入信号的频率为变压器的工作频率时,输出电压的最大值会出现在两个线圈的异名端之间;当输入信号的频率为变压器的工作频率的一半时,输出电压的最大值会出现在两个线圈的同名端之间。
3.实验法
实验法是一种比较直观的方法,适用于需要对变压器进行实际测试的情况。通过连接变压器到一个负载电路中,可以观察到负载电流的变化情况,从而判断出线圈的同名端和异名端。具体步骤如下:
(1)将变压器连接到一个负载电路中。
(2)改变输入信号的频率和幅度,观察负载电流的变化情况。
(3)根据观察结果,判断出线圈的同名端和异名端。一般来说,当输入信号的频率为变压器的工作频率时,负载电流的最大值会出现在两个线圈的异名端之间;当输入信号的频率为变压器的工作频率的一半时,负载电流的最大值会出现在两个线圈的同名端之间。
总之,判断变压器线圈的同名端和异名端是非常重要的一项工作。通过以上介绍的方法,可以准确地判断出线圈的同名端和异名端,从而保证变压器的正常工作。
浅析串联电路和并联电路中的电流、电压的规...
时间:2026-03-07
串并联电路的特点与识别串并联电路的四种方...
时间:2026-03-07
555定时器的电路结构与功能,由555定时器实...
时间:2026-03-07
由555定时器组成的单稳态触发器
时间:2026-03-07
555定时器解析,555定时器的工作模式及其应...
时间:2026-03-07
集成555时基电路解析,555时基集成电路与NE...
时间:2026-03-07
555内部电路结构与万用表测试555芯片的性能
时间:2026-03-07
MOS管驱动电路的基础总结
时间:2026-03-07
串扰和反射能让信号多不完整
时间:2026-03-07
二次回路电路原理图及讲解(一)——电路天...
时间:2026-03-07
玻璃釉电容器的结构与特点
时间:2026-03-05
电容器入门教程
时间:2026-03-05
关于STM32WL LSE 添加反馈电阻后无法起振的...
时间:2026-03-05
暑期买元器件下单立减还送华为P30pro
时间:2026-03-05
电阻的标称阻值和允许偏差
时间:2026-03-05
使用过滤器电容器和诱导器来抑制受辐射的EM...
时间:2026-03-05
LED固晶机龙头直面“寒冬”
时间:2026-03-05
浅谈高压贴片电容分类与性能参数
时间:2026-03-05
聚四氟乙烯电容器的结构与特点
时间:2026-03-05
漆膜电容器的结构与特点
时间:2026-03-05