APF PCS 有源电力滤波器
APF PCS有源滤波器具有:有源滤波、动态补偿、抑制谐振、补偿无功功率等四大功能。产品为成套设备体积小、占地少、安装操作方便,并联安装于配电系统母线或用电设备旁,可落地安装或挂墙安装。
有源滤波:自动实时跟随、消除电网各次谐波;提高设备安全,降低设备损耗;满足国家(国际)标准。
防止系统谐振:预防电气设备故障、保证供电安全。
动态(VAR)补偿:抑制电压波动和闪变、降低损耗,提高用电效率。
改善系统功率因素:降低电网损耗、提高设备效率。
应用范围
APF PCS电网有源滤波补偿装置可广泛应用于工业、商业和机关团体的配电网中,如:电信电源系统、证券交易供电系统、机场 / 港口备用电源、医疗成像系统、高层建筑、UPS/发电机组、电力系统、精密电子企业、电解电镀企业、石化企业等,在国内各行业已有非常优秀的业绩。
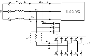
工作原理
APF PCS是一种使用模拟和数字逻辑电路进行电流检测和电流注入的电力电子产品。工作原理为:通过实时检测负载电流波形,滤除波形中的基波(50/60Hz)成分,将剩余部分的波形反向,通过控制IGBT的触发,将反向电流注入供电系统中,实现滤除谐波、动态补偿系统波动、抑制谐振、提高功率因素等功能。

原始电流波形 用APF PCS后的电流波形
本表说明使用APF PCS电力有源滤波器进行谐波治理的典型结果,该波形使用Tektronics示波器测得。 系统的谐波由带有直流链路电抗器的150马力交流电机产生,在系统的480V供电母线上接入一台APF PCS滤波补偿装置,它注入49A的补偿电流,使得供电电流的TDD%符合IEEE-519中的规定,同时电源的功率因素得到补偿,系统更加稳定。
|
电气参数: 额定电压:208--480V, 允许偏差±10%。 频率:50/60Hz, ±3 Hz。 技术指标: 谐波电流 THD < 5%, TDD < 5%, 谐波次数n=2~50。 谐波电压 THD < 5%, 谐波次数n=2~50。 滤波效果符合ANSI/IEEE std 519-1992, GB/T14549-93。功率因素 COSФ >0.9。 响应速度 20 kHz。 使用环境: 运行温度:0°C~+40°C。 储存温度:-40°C~+65°C。 环境湿度:0%~95%, 不凝结。 海拔高度:2000M。 结 构: 标准结构:挂墙安装 落地安装 开放式底座(可选) 保 护: 输入熔断器:690V, 20000AIC。 冲击耐压:T 级。 容量:IEEE C62.41-1991。 过载能力:100% 额定值。 显示与控制: 显示屏:数字显示、2行, 每行20字母。 操作按键:运行、停止、设定、输入、上下滚屏。 指示灯:运行(绿)。 信息诊断:英语。 产品认证: UL, CSA, EC。 |
多业务广域网解决方案
时间:2026-03-05
无线网络新技术_无线MESH网络是什么
时间:2026-03-05
简单无线mesh网络搭建
时间:2026-03-05
无线mesh网络特点
时间:2026-03-05
无线接入方式有哪些
时间:2026-03-05
无线接入器是什么
时间:2026-03-05
无线中继器安装操作步骤
时间:2026-03-05
无线中继器怎么设置_怎样用中继器增强wifi无...
时间:2026-03-05
tplink无线中继器设置
时间:2026-03-05
无线怎么防止别人蹭网
时间:2026-03-05
瞬间抑制二极管(TVS)/瞬间抑制二极管(TVS)是...
时间:2026-03-04
什么是霍尔传感器
时间:2026-03-05
半导体材料的主要种类有哪些?
时间:2026-03-04
高级封装,高级封装是什么意思
时间:2026-03-04
数字比较器,数字比较器是什么意思
时间:2026-03-04
常用整流二极管型号大全
时间:2026-03-04
S/HS固态继电器原理简介
时间:2026-03-04
稳压二极管的选用和代换
时间:2026-03-04
TVS器件的电特性有哪些
时间:2026-03-04
TVS二极管的分类/应用,TVS二极管的特点/选用...
时间:2026-03-04