状态变量滤波器,状态变量滤波器原理是什么?
状态变量滤波器,又称多态变量滤波器,它可以分别从不同的点同时输出高通、带通、低通等,且增益A、截止频率w0、品质因素Q独立可调屯互不影响。
基本原理
在这里我们只讨论积分器的状态滤波器,微分的就不做细节讨论了。由滤波器理论可知,二阶低通、带通、高通的传递函数分别为

此式乘上因子1/Q即为带通滤波器。若将上式再乘上积分器,就是低通滤波器。这就是说,在二阶高通滤波器后级连两个积分器,第一个积分器后输出二阶带通,第二个积分器后输出二阶低通。
那么,如何输出二阶高通呢?可以这样考虑:输入信号Iin在整个频率0~∞是均匀的,因此可视为低通、带通和高通的代数和。利用负反馈,将Iin中除去低通和带通成分,就能得到高通成分。
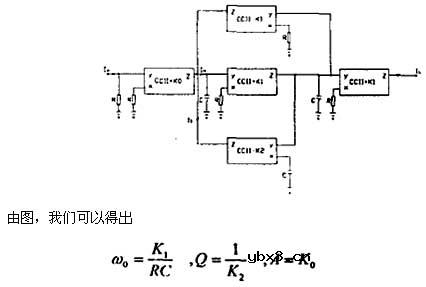
按照上述思想,我们得到如下的方块图:

图为CCII1K实现,称之为基本的三功能电流模式状态变量滤波器,从不同的节点可以同时输出高通IH、带通IB、低通ILo

因此,通过改变CCII±K 的各增益Ko,K1,K2可以使A,w0,Q独立可调,互不影响,并且这种调整完全可由有源元件的增益来完成,因此若将CCII±K做成程控元件,这种方法将显示出很大的优越性。无源灵敏度分别为:
由此可见,无源灵敏度均比较低。
为什么需要MOSFET栅极电阻?MOSFET栅极电阻...
时间:2026-03-05
NTC/PTC/CTR热敏电阻是什么?热敏电阻的使用...
时间:2026-03-05
解析单电阻采样的原理以及注意点
时间:2026-03-05
共源极放大器的设计方法
时间:2026-03-05
关于STM32WL LSE 添加反馈电阻后无法起振的...
时间:2026-03-05
如何直观地判断两级放大器的零点位置呢?
时间:2026-03-05
时序分析基本概念介绍<wire load model&...
时间:2026-03-05
电子元器件解析—电阻
时间:2026-03-05
3PEAK高压零漂放大器契合精密应用
时间:2026-03-05
助力绿色5G数字式电流和功率监测芯片-TPA62...
时间:2026-03-05
瞬间抑制二极管(TVS)/瞬间抑制二极管(TVS)是...
时间:2026-03-04
什么是霍尔传感器
时间:2026-03-05
半导体材料的主要种类有哪些?
时间:2026-03-04
高级封装,高级封装是什么意思
时间:2026-03-04
数字比较器,数字比较器是什么意思
时间:2026-03-04
常用整流二极管型号大全
时间:2026-03-04
S/HS固态继电器原理简介
时间:2026-03-04
稳压二极管的选用和代换
时间:2026-03-04
TVS器件的电特性有哪些
时间:2026-03-04
TVS二极管的分类/应用,TVS二极管的特点/选用...
时间:2026-03-04