肖特基二极管的内部结构
肖特基(Schottky)二极管也称肖特基势垒二极管(简称SBD),是由金属与半导体接触形成的势垒层为基础制成的二极管如图 1所示,其主要特点是正向导通压降小(约0.45V),反向恢复时间短和开关损耗小,是一种低功耗、超高速半导体器件。肖特基二极管在结构原理上与PN结二极管有很大区别,它的内部是由阳极金属(用钼或铝等材料制成的阻挡层)、二氧化硅(SiO2)电场消除材料、N-外延层(砷材料)、N型硅基片、N+阴极层及阴极金属等构成,如图1所示。在N型基片和阳极金属之间形成肖特基势垒。当在肖特基势垒两端加上正向偏压(阳极金属接电源正极,N型基片接电源负极)时,肖特基势垒层变窄,其内阻变小;反之,若在肖特基势垒两端加上反向偏压时,肖特基势垒层则变宽,其内阻变大。

肖特基二极管存在的问题是耐压比较低,反向漏电流比较大。目前应用在功率变换电路中的肖特基二极管的大体水平是耐压在150V以下,平均电流在100A以下,反向恢复时间在10~40ns。肖特基二极管应用在高频低压电路中,是比较理想的。
肖特基二极管结构和内电路
1.肖特基二极管结构
图13-3是肖特基二极管内部结构示意图。肖特基二极管具有更低的串联电阻和更强的非线性,适合于在射频电路中应用。

某些金属和N型半导体材料接触后,电子会从N型半导体材料中扩散进入金属从而在半导体材料中形成一个耗尽层,具有和常规PN结类似的特牲,这种由金属和半导体材料接触形成类似PN结势垒的结构称为肖特基结。
当在肖特基势垒两端加上正向偏压(阳极金属接电源正极,N型基片接电源负极)时,肖特基势垒层变窄,其内阻变小。如果在肖特基势垒两端加上反向偏压时,肖特基势垒层则变宽,其内阻变大,如图13-4所示。

2.肖特基二极管内电路
引线式肖特基对管又有共阳(两管的正极相连)、共阴(两管的负极相连)和串联(一只二极管的正极接另一只二极管的负极)3种引脚引出方式。JRC2352图13-5是引线式肖特基对管内电路结构示意图。

贴片式肖特基二极管有单管型、双管型和三管型等多种封装形式,且内电路具体形式多达10余种。图13-6所示是多种贴片式肖特基二极管内电路。

审核编辑:汤梓红
基于嵌入式的机器人系统电路模块设计
时间:2026-03-07
带PC机串口通讯的机器人控制系统电路设计
时间:2026-03-07
基于MSP430的智能安防系统电路设计 —电路图...
时间:2026-03-07
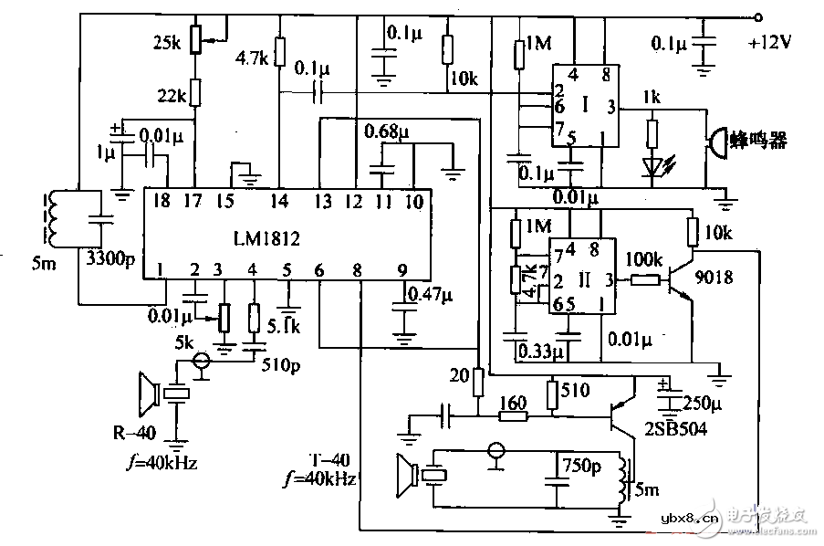
采用LM1812的超声波防碰撞电路设计
时间:2026-03-07
JS20单结晶体管时间继电器电路设计
时间:2026-03-07
误踩油门紧急刹车电路模块设计
时间:2026-03-07
基于MAX1407低功耗多通道数据采集系统电路设...
时间:2026-03-07
智能小车机器人整体电路设计
时间:2026-03-07
机器人技术电路设计图集锦 —电路图天天读(...
时间:2026-03-07
理想二极管大幅改善光伏快速关断器/优化器寿...
时间:2026-03-07
玻璃釉电容器的结构与特点
时间:2026-03-05
电容器入门教程
时间:2026-03-05
关于STM32WL LSE 添加反馈电阻后无法起振的...
时间:2026-03-05
暑期买元器件下单立减还送华为P30pro
时间:2026-03-05
电阻的标称阻值和允许偏差
时间:2026-03-05
使用过滤器电容器和诱导器来抑制受辐射的EM...
时间:2026-03-05
LED固晶机龙头直面“寒冬”
时间:2026-03-05
浅谈高压贴片电容分类与性能参数
时间:2026-03-05
聚四氟乙烯电容器的结构与特点
时间:2026-03-05
漆膜电容器的结构与特点
时间:2026-03-05