当前位置:首页 > 电路图基础 > 正文

用作直流偏置交流源的双T型功率振荡电路设计

来源:网络  发布者:电工基础  发布时间:2026-03-07 15:38
  交流测试设备通常需要一种低失真的信号源作待测设备的激励。常见的办法是用一台信号发生器,产生一个低失真的基准信号,将其送入一个功率放大器以驱动待测设备。本设计实例提出了一种较轻便的替代方案。

  交流测试设备通常需要一种低失真的信号源作待测设备的激励。常见的办法是用一台信号发生器,产生一个低失真的基准信号,将其送入一个功率放大器以驱动待测设备。本设计实例提出了一种较轻便的替代方案。

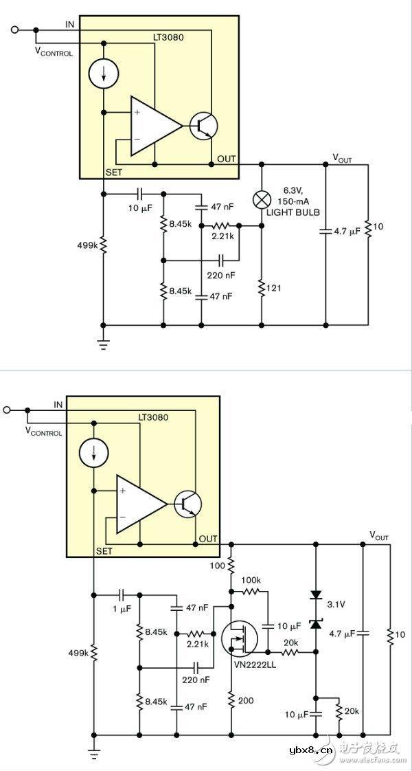
  图1是一个振荡器,它产生一个有功率驱动能力的低失真正弦信号。功率振荡器主要由两部分构成:一个双T型网络,还有一个大功率低压降稳压器。双T网络有两个并联的T型滤波器:一个低通滤波器和一个高通滤波器。双T网络经常被选用于陷波滤波器。低压降稳压器作信号放大,驱动负载。此电路中的稳压器包括一个电流基准的电压跟随器结构。它从Set至Out管脚有单位增益,电流基准是一个精密的10μA电流源。Set脚的RSET电阻设定输出的直流电平。在Out和Set脚之间连接一个双T型网络后,得到的陷波滤波器可同时衰减高频和低频分量,使中心频率顺利通过。

  对双T网络的小信号分析表明,中心频率处的增益为最大值。当K因数从2增加到5时,双T振荡器的最大增益从1增长到1.1(图2)。当K因数大于5时,最大增益下降。因此,增益大于单位增益时,K因数要选择为3~5之间。环路增益必须是单位增益,以保持振荡的稳定。所以,需要一个电位计来调节环路增益,控制振荡幅度。

  

用作直流偏置交流源的双T型功率振荡电路设计

  图1,此振荡器生成一个有功率驱动能力的低失真正弦信号。图2,双T网络的增益随图1中的K值而改变。

  双T振荡器可以驱动感性、容性或阻性负载。低压降稳压器的电流限制是振荡器驱动能力的唯一限制因素。负载特性限制了最大可编程频率。例如,一个有4.7μF输出电容的10Ω阻性负载在高于8kHz频率时会造成7%的THD,虽然图3电路中在 400 Hz时THD是0.1%。双T振荡器的线路调节与负载调节特性与LT3080相同。它亦可工作在宽的温度范围内。

  为了实现增益的自动调节,可以用一只灯泡替代电位计,或采用一支电压调制的阻性MOSFET。由于自发热效应,灯泡的电阻随振荡幅度而升高,因此用于控制环路增益,维持振荡。图4中通过一个齐纳二极管检测峰值电压,当振幅增大时,MOSFET的电阻下降。环路增益亦减少,以维持振荡。

  

用作直流偏置交流源的双T型功率振荡电路设计

  图3,用一个灯泡代替电位计可以实现增益自动控制 图4,用一个电阻可变的MOSFET代替电位计,可以实现增益的自动控制。

  图5给出了使用灯泡时双T振荡器的测试波形。5V直流偏压时输出调在4V 峰峰值电压(图6)。双T振荡器频率为400 Hz,0.1% THD。最大的谐波贡献来自于小于4 mV峰峰值的二次谐波。图6是使用MOSFET的双T振荡器测试波形。THD为1%,有40 mV 峰峰值的二次谐波。

  

用作直流偏置交流源的双T型功率振荡电路设计

  图5,图3振荡器的测试波形显示0.1% THD的低失真。图6,图4振荡器的测试波形显示1% THD的低失真。

  图7,图3电路的波形显示,灯泡振荡器的起振缓慢。图8,T图4电路的波形显示,MOSFET振荡器的起振快速。

  振荡器的起振是另一个重要问题。两种电路都没有低频摆动,这在其它种类振荡器中很常见。图7和图8的波形几乎没有过冲。使用MOSFET的振荡器要比使用灯泡的振荡器稳定更快,因为灯泡有加热效应,热常数更大。对于需要低失真和功率驱动能力的应用,可以将简单电路作为直流偏置的交流源。

相关热词:#滤波器

最新文章
无线遥控器电路图制作无线遥控器电路图制作

时间:2026-03-07

无线电遥控门铃电路原理图无线电遥控门铃电路原理图

时间:2026-03-07

NE555过流保护检测器电路图NE555过流保护检测器电路图

时间:2026-03-07

串联谐振升压原理串联谐振升压原理

时间:2026-03-07

谐振回路的工作原理谐振回路的工作原理

时间:2026-03-07

电容降压电路原理电容降压电路原理

时间:2026-03-07

实用的电容降压电路实用的电容降压电路

时间:2026-03-07

低成本的阻容降压电路原理图分析低成本的阻容降压电路原理图分析

时间:2026-03-07

阻容降压原理及电路阻容降压原理及电路

时间:2026-03-07

阻容降压电路的误区阻容降压电路的误区

时间:2026-03-07

热门文章
彩灯电路彩灯电路

时间:2026-03-05

三相异步电动机原理三相异步电动机原理

时间:2026-03-04

三相异步电动机的七种调速方式三相异步电动机的七种调速方式

时间:2026-03-04

转角测量电路转角测量电路

时间:2026-03-05

经典的正弦波发生电路经典的正弦波发生电路

时间:2026-03-05

电动机单线远程正反转控制电路图电动机单线远程正反转控制电路图

时间:2026-03-04

三相异步电动机的拆装详讲三相异步电动机的拆装详讲

时间:2026-03-04

USB转232电路图USB转232电路图

时间:2026-03-04

电度表的工作原理电度表的工作原理

时间:2026-03-04

电风扇红外遥控器2电风扇红外遥控器2

时间:2026-03-04