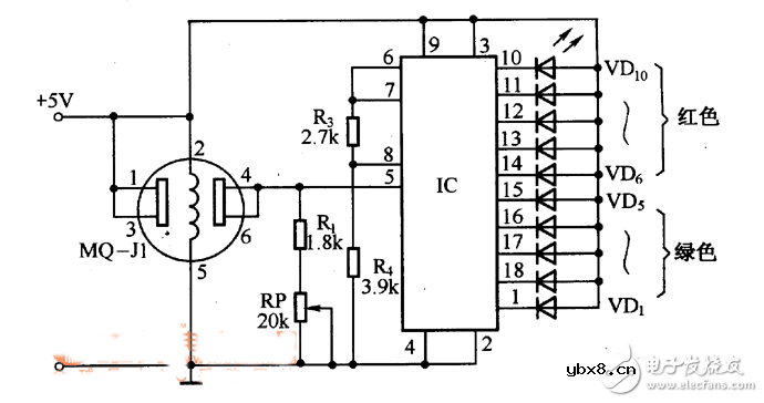
该测试仪只要被试者问由气敏元件组成的传感探头吹一口气,便可显示出被试者醉酒的深度,决定出被试者是否还适宜驾驶车辆。实用酒精测试仪的电路如图,它是实用酒精测试仪理想的气所示。气敏元件选用MQ-Jl型酒敏元件,它对乙醇气体特别敏感,因此它是实用酒精测试理想的气体传感器件。
当气体传感器探不到酒精时,加在I⑤脚的电平为低电平;当气体传感器探测到酒精时,其内阻变低,从而使IC⑤脚电平变高。IC为显示推动器,它共有10 个输出端,每个输出端可以驱动一个发光二极管。显示推动器IC根据⑤脚的电位高低来确定依次点亮发光二极管的级数,酒精含量越高,点亮二极管的级数就越大。上5个发光二极管为红色,表示超过安全水平;下5个发光二极管为绿色,代表安全水平,酒精的含量不超过0.05%。

图:酒精测试仪电路
相关热词:#单片机
无线遥控器电路图制作
时间:2026-03-07
无线电遥控门铃电路原理图
时间:2026-03-07
NE555过流保护检测器电路图
时间:2026-03-07
串联谐振升压原理
时间:2026-03-07
谐振回路的工作原理
时间:2026-03-07
电容降压电路原理
时间:2026-03-07
实用的电容降压电路
时间:2026-03-07
低成本的阻容降压电路原理图分析
时间:2026-03-07
阻容降压原理及电路
时间:2026-03-07
阻容降压电路的误区
时间:2026-03-07
彩灯电路
时间:2026-03-05
三相异步电动机原理
时间:2026-03-04
三相异步电动机的七种调速方式
时间:2026-03-04
转角测量电路
时间:2026-03-05
经典的正弦波发生电路
时间:2026-03-05
电动机单线远程正反转控制电路图
时间:2026-03-04
三相异步电动机的拆装详讲
时间:2026-03-04
USB转232电路图
时间:2026-03-04
电度表的工作原理
时间:2026-03-04
电风扇红外遥控器2
时间:2026-03-04