睡眠呼吸暂停症是一种很常见的睡眠呼吸疾病,根据研究调查,在美国约有24%的成年男性及9%成年女性或超过200万人口患有此疾病,在中国***至少有35万人也有此问题。一般在诊断患者是否罹患睡眠呼吸暂停症是指患者在睡眠中出现呼吸暂停和低通气的总次数超过每小时5次。
生理参数测量计
心跳变化使用的感测组件为光传感器,主要利用人体心脏收缩时血管中的血流量及血氧浓度会因此而产生变化。本系统采用光耦合器(CNY70)利用光反射法侦测血管末端血流量的变化。音频信号接收器主要是接收睡眠时因呼吸道阻塞所产生的鼾声,本系统采用电容式音频接收器作为信号接收的主要组件,利用接收音波压力改变振动膜的位移量,使振动膜与铝质外壳间的电容CT随着音波强弱改变电容量,再经FET完成阻抗的转换产生RECM,使REXT和RECM的分压改变,得到不同的输出。图3为音频接受器内部架构及动作原理。

图3 音频接受器内部架构及动作原理
呼吸传感器的工作原理是利用呼吸时胸腔会产生起伏而拉动卧式可变电阻因而产生电阻值的改变。
生理信号感测电路
心跳变化时,传感器所测量到的信号,包含有直流偏压(DC Offset)、心跳变化的信号、呼吸及肌肉颤动、60Hz及高频的噪声,其中心跳变化的信号为所需的信号,其它信号一律视为噪声,因此分别采用硬件的前置滤波电路及软件两种处理方式,以消除不同的噪声对测量所造成的影响。前置滤波电路主要特点是可以减轻软件程序进行数字信号处理所需的运算量及时间,避免造成信号处理过程中延迟情形。图7为心跳感测电路。

图7 心跳感测电路
鼾声感测电路
以音频接收器测量到的鼾声信号包含很多噪声及背景杂音的影响,必须利用硬件滤波器去除高频、低频噪声只留下鼾声频带内的信号,Smithson[1995]研究中显示鼾声的频率大约在1~200Hz的声音频带内,其它声音的频率域则较广。首先由音频接收器从量得的信号,信号放大,再经由200Hz低通滤波器滤除其它声音所造成的噪声干扰。
呼吸感测电路
利用呼吸时胸腔的起伏拉动卧式可变电阻改变电阻值因而产生的电压变化,经由信号放大电路、比较电路,即可判断呼吸的情形。图13为呼吸信号波形。图14为呼吸感测电路。

图14 呼吸感测电路
CPU及显示电路
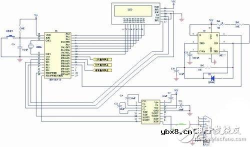
图15所示为本系统CPU及显示电路。CPU是使用盛群半导体股份有限公司所生产的HT46R24微控制器,其中由Port A 及Port C驱动15*4中文显示型LCD,作为生理参数数据的显示,Port B为生理参数及定时器的输入端,而Port D则经过MAX232准位转换做串行传输。

图15 CPU及显示电路
生理参数测量计之程序如下:在生理参数测量时为了避免读取到身体翻转时的错误信号,利用多重读取的方式加以避免,在信号变化时连续读取,且每次读取间加入一段时间延迟,再经过比对读取的信号是否相同,此方式可降低信号读取时的错误率。处理完成后的生理参数资料存放于微控制器的缓存器,并通过中文型LCD显示所测量到的生理参数。蓝牙无线模块传输方面,主要将储存在微控制器内部缓存器的生理参数数据通过RS-232串行传输与个人计算机间做数据通讯。
在设计单芯片微控制器时,必须以时间轴为基准,测量各项生理参数,才能于重建时找出各个生理参数间的关系。为了使生理参数测量计的体积小型化,必须选择低消耗电量及体积较小的组件,并使用微控制器使整体电源消耗最小化。蓝牙无线传输模块为低功率消耗且高 安全性的无线数据传输设备。
相关热词:#传感器
无线遥控器电路图制作
时间:2026-03-07
无线电遥控门铃电路原理图
时间:2026-03-07
NE555过流保护检测器电路图
时间:2026-03-07
串联谐振升压原理
时间:2026-03-07
谐振回路的工作原理
时间:2026-03-07
电容降压电路原理
时间:2026-03-07
实用的电容降压电路
时间:2026-03-07
低成本的阻容降压电路原理图分析
时间:2026-03-07
阻容降压原理及电路
时间:2026-03-07
阻容降压电路的误区
时间:2026-03-07
彩灯电路
时间:2026-03-05
三相异步电动机原理
时间:2026-03-04
三相异步电动机的七种调速方式
时间:2026-03-04
转角测量电路
时间:2026-03-05
经典的正弦波发生电路
时间:2026-03-05
电动机单线远程正反转控制电路图
时间:2026-03-04
三相异步电动机的拆装详讲
时间:2026-03-04
USB转232电路图
时间:2026-03-04
电度表的工作原理
时间:2026-03-04
电风扇红外遥控器2
时间:2026-03-04