LC振荡电路,是指用电感L、电容C组成选频网络的振荡电路,用于产生高频正弦波信号,常见的LC正弦波振荡电路有变压器反馈式LC振荡电路、电感三点式LC振荡电路和电容三点式LC振荡电路。LC振荡电路的辐射功率是和振荡频率的四次方成正比的,要让LC振荡电路向外辐射足够强的电磁波,必须提高振荡频率,并且使电路具有开放的形式。
LC振荡电路运用了电容跟电感的储能特性,让电磁两种能量交替转化,也就是说电能跟磁能都会有一个最大最小值,也就有了振荡。由于所有电子元件都会有损耗,能量在电容跟电感之间互相转化的过程中要么被损耗,所以实际上的LC振荡电路都需要一个放大元件,要么是三极管,要么是集成运放等数电IC,利用这个放大元件,通过各种信号反馈方法使得这个不断被消耗的振荡信号被反馈放大,从而最终输出一个幅值跟频率比较稳定的信号。

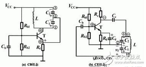
电容三点式LC振荡电路又叫做考毕兹振荡电路。它与电感三点式LC振荡电路类似,所不同的是电容元件与电感元件互换位置。如图1所示。

图1 电容三点式LC振荡电路
在LC谐振回路Q值足够高的条件下,电路的振荡频率为

这种振荡电路的特点是振荡频率可做得较高,一般可达到100MHz以上,由于C2对高次谐波阻抗小,使反馈电压中的高次谐波成分较小,因而振荡波形较好。电路的缺点是频率调节不便,这是因为调节电容来改变频率时,(既使C1、C2采用双连可变电容)C1与C2也难于按比例变化,从而引起电路工作性能的不稳定。因此,该电路只适宜产生固定频率的振荡。

相关热词:#振荡电路
无线遥控器电路图制作
时间:2026-03-07
无线电遥控门铃电路原理图
时间:2026-03-07
NE555过流保护检测器电路图
时间:2026-03-07
串联谐振升压原理
时间:2026-03-07
谐振回路的工作原理
时间:2026-03-07
电容降压电路原理
时间:2026-03-07
实用的电容降压电路
时间:2026-03-07
低成本的阻容降压电路原理图分析
时间:2026-03-07
阻容降压原理及电路
时间:2026-03-07
阻容降压电路的误区
时间:2026-03-07
彩灯电路
时间:2026-03-05
三相异步电动机原理
时间:2026-03-04
三相异步电动机的七种调速方式
时间:2026-03-04
转角测量电路
时间:2026-03-05
经典的正弦波发生电路
时间:2026-03-05
电动机单线远程正反转控制电路图
时间:2026-03-04
三相异步电动机的拆装详讲
时间:2026-03-04
USB转232电路图
时间:2026-03-04
电度表的工作原理
时间:2026-03-04
电风扇红外遥控器2
时间:2026-03-04