利用MC14541B型可编程定时专用集成电路构成的循环定时控制器典型电路如图所示,该电路能控制用电设备间歇循环工作,可用于养殖场、孵化室的定时通风、自动加温、定时加湿,鱼类孵化池的自动增氧及农田的定时喷灌(或喷雾)等领域。

由图可知,该循环定时控制器由电源电路、定时电路和继电器控制电路组成。其中,电源电路由降压元件R1、C1、整流桥堆UR、限流电阻R2、R3、R4、R11、电源指示发光二极管LED3、稳压二极管VD1、VD2等元件组成。实际应用时,UR常选用1A、50V整流桥堆;LED3选用普通φ5mm红色发光二极管;VD1选用5.6V、lW稳压二极管,如IN4734型等;VD2选用12V、1W稳压二极管,如IN4742型等。220V交流电经过降压、整流、滤波和稳压后,输出+12V和+5.6V两路稳定的直流电压分别给继电器控制电路和定时电路供电。
定时电路由可编程定时专业集成电路MC14541B(IC)及晶体管VT1、VT2、电位器RP1、RP2、手动启动按钮SB和发光二极管LED1、LED2等外围元件组成。实际应用时,VT1常选用S9014型硅NPN晶体管;VT2选用S9015型硅PNP晶体管;RP1、RP2选用有机实心电位器;SB选用小型动合按钮;LED2、LED3均选用φ5mm发光二极管,LED1为$、LED2为绿色。
继电器控制电路由晶体管VT3、继电器K、保护二极管VD3和电源插座XS组成。实际应用时,VT3常选用58050型硅NPN晶体管;K选用JRX-13F型12V直流继电器。
工作原理:
电路通电后,MC14541B第8脚输出低电平,该低电平通过R6、R7和R12分别加至晶体管VT1、VT2和VT3基极,使VT1和VT3截止,VT2导通,继电器K由于无电流流过而不能吸合,电源插座X无电压输出,被控电器不工作,同时发光二极管LED1点亮。当由RP1、C2等定时元件确定的定时时间到达时,MC14541B第8脚由低电平跳变为高电平,使VT2截止,VT1、VT3导通,继电器K得电吸合,被控电器通电工作,LED1熄灭,LED2点亮。当由RP2、C2等定时元件确定的定时时间到达时,MC14541B第8脚又跳变为低电平……依此循环,直至切断电源为止。另外,在通电后按下手动启动按钮SB,MC14541B第8脚优先输出高电平,被控电器可立即进入通电工作状态。
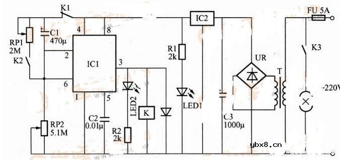
利用时基集成电路NE555构成的循环定时控制器典型电路如图所示。该控制器能自动控制被控电器,使之处于间歇工作状态,且被控电器的通电工作时间和断电停机时间可调。常用于加湿器、空气清新机、换气扇等电器的循环定时控制。

曲图可知,该循环定时控制器由电源电路、定时电路和继电器控制电路组成。其中,电源电路由交流保险FU、电源变压器T、整流桥堆UR、滤波电容C3、三端稳压集成电路IC2和电源指示管LED1等元件组成。实际应用时,T常选用3~5W、二次电压为14V电源变压器;UR选用2A、100V整流桥堆;IC2选用LM7812型三端稳压集成电路;LED1选用普通红色发光二极管。220V交流电通过降压、整流、滤波和稳压后形成稳定的+12V直流电压给定时电路和继电器控制电路供电。
定时电路由时基集成电路NE555(IC1)及定时元件RP1、RP2、C1等外围元件组成。实际应用时,RP1、RP2均选用小型实心电位器或可变电阻器。
继电器控制电路由继电器K、保护二极管VD和电源插座X等元器件组成。实际应用时,K选用带两组控制触头的12V直流继电器。
工作原理
电路刚接通电源时,由于电容器C1两端电压不能突变,NE555第2、6脚为低电平,电路处于稳定状态,NE555第3脚输出低电平,继电器K不吸合,其动合触点K2、K3处于断开状态,电源插座无电流通过,被控电器不工作。+12V直流电压通过继电器K的动断触点K1和RP2对C1充电,使NE555第2、6脚电压逐渐上升。当第2脚电压上升至2/3VDD时,NE555内电路受触发而翻转,第3脚输出高电平,使继电器K得电吸合,其动合触点K1断开,动断触点K3将电源插座电源接通,被控电器得电工作,同时LED3点亮,指示被控电器通电工作。动断触点K2接通C1的放电回路,C1开始对RP1放电,使NE555第2、6脚电压逐渐下降。当NE555第2、6脚电压降至1/3VDD时,NE555内电路又翻转至初始状态,3脚跳变为低电平,继电器K失电释放,其动合触点断开,动断触点接通,电源插座断电,LED3熄灭,C1又开始充电。如此周而复始,使被控电器工作在间歇通电状态,实现了循环定时控制的目的。
相关热词:#控制器
无线遥控器电路图制作
时间:2026-03-07
无线电遥控门铃电路原理图
时间:2026-03-07
NE555过流保护检测器电路图
时间:2026-03-07
串联谐振升压原理
时间:2026-03-07
谐振回路的工作原理
时间:2026-03-07
电容降压电路原理
时间:2026-03-07
实用的电容降压电路
时间:2026-03-07
低成本的阻容降压电路原理图分析
时间:2026-03-07
阻容降压原理及电路
时间:2026-03-07
阻容降压电路的误区
时间:2026-03-07
彩灯电路
时间:2026-03-05
三相异步电动机原理
时间:2026-03-04
三相异步电动机的七种调速方式
时间:2026-03-04
转角测量电路
时间:2026-03-05
经典的正弦波发生电路
时间:2026-03-05
电动机单线远程正反转控制电路图
时间:2026-03-04
三相异步电动机的拆装详讲
时间:2026-03-04
USB转232电路图
时间:2026-03-04
电度表的工作原理
时间:2026-03-04
电风扇红外遥控器2
时间:2026-03-04