太阳能热水器在工作的过程中,主要是利用热水器的集热装置,吸引太阳产生的热量,然后把储水箱里面的水从低温加热到高温。它在使用的过程中,太阳能热水器采用的是一种物理方式,能量传递。
一、

太阳能组件产生的电能,一路经过开关变压器T1 的122绕组加至开关管Q1 的集电极(c),另一路经过R1为Q1 提供基极电压。当基极(b)的电压为高电平时,Q1 开始导通,变压器T1 的122绕组中产生1正2 负的电动势,经T1耦合,在T1 的324绕组中产生3正4负的感应电动势,此电动势经R5,C2 叠加到Q1的基极(b),使Q1 迅速饱和导通。由于变压器T1 的122间的电流不能突变,在此过程中会产生1负2正的电动势。变压器T1 的324绕组中感应出3负4正的电动势,通过R5,C2,使Q1 迅速进入截止状态。经R1 对C2 的不断充电,Q1 又开始导通,进入下一轮的开关振荡状态。在导通期间,T1 变压器的副边绕组526,经整流二极管D4 向外输送能量。
稳压电路由稳压管D0、三极管Q2 等元件组成。当负载减轻或太阳能组件输出电压升高时,A 点电压上升。当该电压大于511V 时,D0 击穿,Q2 因b2e结正向偏置而迅速导通,使Q1 提前截止,从而使输出电压趋于下降;反之,则控制过程相反,从而使变压器T1 副边输出电压基本稳定。当负载过重时,Q1 的c2e电流增大,R4 上的压降也随之增大。当该电压大于017V 时,Q2 导通,Q1 截止,达到过流保护的目的。为避免截止期间变压器T1 的122 绕组感应出的尖峰脉冲击穿开关管Q1 ,并联了尖峰脉冲吸收电路。
二、

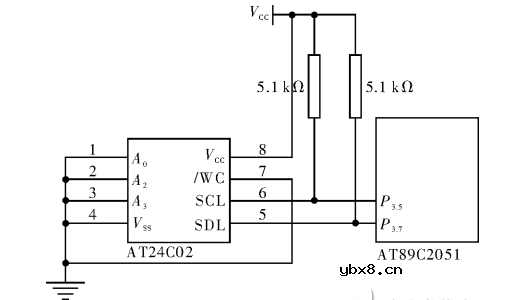
存储器AT2402的1,2,3脚为空脚,4脚为接地端,5脚为数据端,6脚为时钟端,7脚为写保护端口,8脚为电源。
AT24C02在设计中的作用是掉电存储器,是为防止电源突然断开时,用户信息不会丢失,存储当前设定的信息。AT24C02是Atmel公司的2kB的电可擦除存储芯片,由于AT24C02的数据线和地址线是复用的,采用串口的方式传送数据,所以只用两根线SCL(移位脉冲)和SDA(数据/地址)与单片机传送数据。电压最低可达2.5V,额定电流为1mA,静态电流10μA(5.5V),芯片内的资料可在断电的情况下保存相当长的时间,而且采用8脚的DIP封装,使用方便。其与单片机的连接如图3所示。
太阳能路灯与普通路灯控制电路功能基本相同,均是为了完成晚上亮灯,早晨熄灯以及对蓄电池的充电管理。国内外常用的控制器有单独的光控制型、时钟控器型、经纬型控制器型等,但由于其工作原理不同,各有优缺点。
三、

分析该机是由一个十格太阳能电池板通过一个肖特基二极管向锂离子纽扣式可充电池充电,锂电池通过开关直接向三个并联的发光二极管供 电。由于太阳能电池板是由十个单体太阳能电池串联而成,其开路电压在太阳光较强的情况下可达6.5V以上(经实测2032的电压可充至4.IV以上),效 率是比较高的。使用中锂电池的电压通过开关全部加在三个并联的发光二极管上.而这种发光二极管的最高工作电压一般在3.1V-3,2V之间.致使灯珠过荷 衰老烧毁。
经过简单计算,决定在其放电回路串入一只四分之一瓦的7.5Ω电阻。由于该手电内部空间狭小.只有电路板右侧能放下这只电阻.将其印刷电路板右侧锂电池负极焊点到发光管负极的铜泊条切断,串人电阻焊好,再将原发光管负极处焊接的太阳能负极连接线改接到锂电池的负极,然后调整一下电阻的大小改造就算完成了。经实测灯珠上的电压在充电最足时不超过3,1V.电流为85mA(在安全使用范围之内),而且电阻上的电压会随着锂电池的电压降低而降低,相应的提高了安全系数。
相关热词:#变压器
二极管三极管电路原理和理解
时间:2026-03-07
啥是光电二极管 光电二极管采集电路-1mV/pA...
时间:2026-03-07
关于带灯电源开关里面用的发光二极管批示灯...
时间:2026-03-07
硬件工程师入门的基础元器件知识
时间:2026-03-07
硬件工程师入门基础元器件与电路原理
时间:2026-03-07
理想二极管大幅改善光伏快速关断器/优化器寿...
时间:2026-03-07
A22: 分立半导体器件知识与应用专题--二极...
时间:2026-03-07
一起来学习升压型(Boost or Step-up)开关...
时间:2026-03-07
19招电路(5V转3.3V)方案,运用起来非常棒
时间:2026-03-07
电路符号、标识快速区分二极管的极性
时间:2026-03-07
彩灯电路
时间:2026-03-05
电动机单线远程正反转控制电路图
时间:2026-03-04
三相异步电动机原理
时间:2026-03-04
三相异步电动机的拆装详讲
时间:2026-03-04
USB转232电路图
时间:2026-03-04
三相异步电动机的七种调速方式
时间:2026-03-04
转角测量电路
时间:2026-03-05
经典的正弦波发生电路
时间:2026-03-05
电度表的工作原理
时间:2026-03-04
电风扇红外遥控器2
时间:2026-03-04