电机控制器主要是通过计算机编程来操作电机驱动器来实现的,电机控制器具有免维护、响应速度快、对电机的控制稳定等特点。
一、接触器控制电机正反转电路

接触器控制电机点动,此电路只有一个转向,如何要改变电机转向,只需要改变改变其中两项的相序,所以此电路只有一个接触器,只能控制一个电机一个方向运转。
L1--L2---L3三相电源进FU熔断器,熔断器出来进KM1接触器主触点,出来进热继电器,到电机。我们假设这正转,那么反转我们这么接,我们从熔断器三相电源并联三相电进KM2主触点,出线要注意,改变其中两相的相序,任意两相都可以。并联到KM1接触器出线即可。
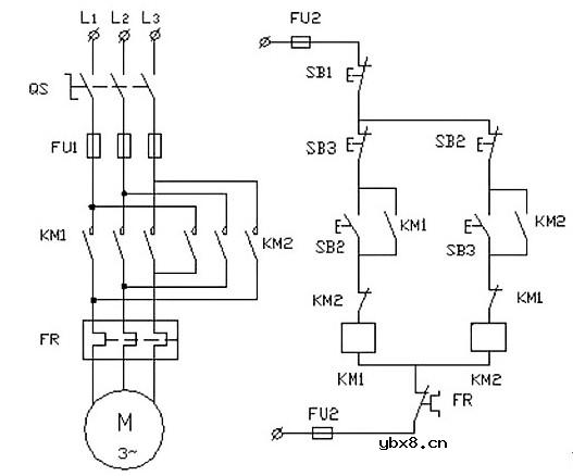
二、双重连锁可逆控制电路

双重连锁可逆控制电路工作原理:按起动按钮SB2,KM1吸合并自保,电动机正转。与按钮SB2常触开点并联的KM1触点为自保触点。按起动按钮SB3,KM1断电释放,KM2吸合并自保,电动机反转。SB1为停止按钮。电路由按钮SB2、SB3的动断触点实现了机械联锁,串联在交流接触器线圈KM1、KM2中的KM2、KM1辅助动断触点实现了电气联锁。串联在控制电路中的FR动断触点,是在电动机过负载或缺相过热时热继电器将控制电路自动断开,保护了电动机。
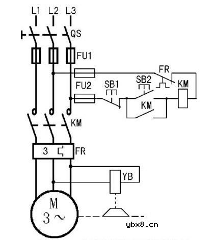
三、电磁抱闸制动控制电路

接通电源开关QS后,按起动按钮SB2,接触器KM线圈获电工作并自锁。电磁抱闸YB线圈获电,吸引衔铁(动铁芯),使动、静铁芯吸合,动铁芯克服弹簧拉力,迫使制动杠杆向上移动,从而使制动器的闸瓦与闸轮分开,取消对电动机的制动;与此同时,电动机获电起动至正常运转。当需要停车时,按停止按钮SB1,接触器KM断电释放,电动机的电源被切断的同时,电磁抱闸的线圈也失电,衔铁被释放,在弹簧拉力的作用下,使闸瓦紧紧抱住闸轮,电动机被制动,迅速停止转动。
电磁抱闸制动,在起重机械上被广泛应用。当重物吊到一定高度, 如果线路突然发生故障或停电时,电动机断电,电磁抱闸线圈也断电,闸瓦立即抱住闸轮使电动机迅速制动停转,从而防止了重物突然落下而发生事故。
责任编辑:pj
相关热词:#继电器
啥是光电二极管 光电二极管采集电路-1mV/pA...
时间:2026-03-07
关于带灯电源开关里面用的发光二极管批示灯...
时间:2026-03-07
硬件工程师入门的基础元器件知识
时间:2026-03-07
硬件工程师入门基础元器件与电路原理
时间:2026-03-07
理想二极管大幅改善光伏快速关断器/优化器寿...
时间:2026-03-07
A22: 分立半导体器件知识与应用专题--二极...
时间:2026-03-07
一起来学习升压型(Boost or Step-up)开关...
时间:2026-03-07
19招电路(5V转3.3V)方案,运用起来非常棒
时间:2026-03-07
电路符号、标识快速区分二极管的极性
时间:2026-03-07
微波混频电路仿真设计
时间:2026-03-07
彩灯电路
时间:2026-03-05
电动机单线远程正反转控制电路图
时间:2026-03-04
三相异步电动机原理
时间:2026-03-04
三相异步电动机的拆装详讲
时间:2026-03-04
USB转232电路图
时间:2026-03-04
三相异步电动机的七种调速方式
时间:2026-03-04
转角测量电路
时间:2026-03-05
经典的正弦波发生电路
时间:2026-03-05
电度表的工作原理
时间:2026-03-04
电风扇红外遥控器2
时间:2026-03-04