光电开关利用被检测物对光束的遮挡或反射,由同步回路接通电路,而检测物体的有无,具有自动防止相互干扰的作用。
一、对射光电开关

对射光电开关原理: 接近开关一端接220V电源的任意一端,另外一端接信号输入 不过一般都用三线的,红线接直流24V正极,蓝线接负极,黑线接继电器线圈,继电器线圈另一端接直流正极。光电开关将输入电流在发射器上转换为光信号射出,接收器再根据接收到的光线的强弱或有无对目标物体进行探测。
对射光电开关特征:可以辨别不透明的反光物体。
二、光电开关

两线关电开关与负载串联接在电路中。三线光电开关分为NPN型和PNP型。棕色线接电源正极,兰色线接电源负极,黑色线是输出信号线。对于NPN型光电开关,输出负电与负载相接,负载的另一端接电源正极。PNP型光电开关,输出正电与负载相接,负载的另一端接电源的负极。
四线光电开关又分为NPN常开常闭型和PNP常开常闭型,负载可以是接触器线圈,继电器线圈,也可以是PLC等。PLC作为负载时要特别注意输入电信号的正负极性匹配问题,正确选择与之相适应的光电NPN与PNP型光电开关。
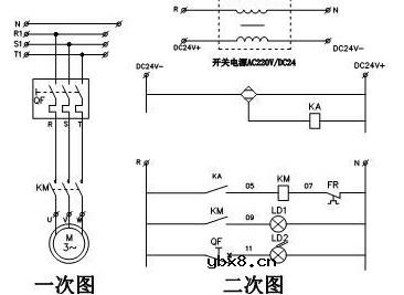
三、点动控制接触器

N零线,R1、S1、T1为三相进线电源,QF为空气开关,KA为直流24伏小型中间继电器,FR为热继电器的常闭点(此处为DZ108-20空开的常开触点),KM为接触器,3M~为三相异步电动机。
备注:电气原理图接触器线圈电压为AC220V,此电路中用到了DC24V开关电源。
责任编辑:pj
相关热词:#继电器
啥是光电二极管 光电二极管采集电路-1mV/pA...
时间:2026-03-07
关于带灯电源开关里面用的发光二极管批示灯...
时间:2026-03-07
硬件工程师入门的基础元器件知识
时间:2026-03-07
硬件工程师入门基础元器件与电路原理
时间:2026-03-07
理想二极管大幅改善光伏快速关断器/优化器寿...
时间:2026-03-07
A22: 分立半导体器件知识与应用专题--二极...
时间:2026-03-07
一起来学习升压型(Boost or Step-up)开关...
时间:2026-03-07
19招电路(5V转3.3V)方案,运用起来非常棒
时间:2026-03-07
电路符号、标识快速区分二极管的极性
时间:2026-03-07
微波混频电路仿真设计
时间:2026-03-07
彩灯电路
时间:2026-03-05
电动机单线远程正反转控制电路图
时间:2026-03-04
三相异步电动机原理
时间:2026-03-04
三相异步电动机的拆装详讲
时间:2026-03-04
USB转232电路图
时间:2026-03-04
三相异步电动机的七种调速方式
时间:2026-03-04
转角测量电路
时间:2026-03-05
经典的正弦波发生电路
时间:2026-03-05
电度表的工作原理
时间:2026-03-04
电风扇红外遥控器2
时间:2026-03-04