信号机点灯电路,用来控制信号机的各种信号显示。信号机点灯电路在断线故障时要求灭灯时要使用信号显示降级,信号机按其不同的作用分为进站信号机、出站兼调车信号机和调车信号机三种类型。
一、黄灯点灯电路

当该信号机接近区段有车或占用,联锁驱动DDJ落下,排列侧股进路时,联锁驱动LXJ吸起,此时LXJ第3、第5组接点断开红灯点灯电路,接通黄灯点灯电路,由红灯改点黄灯。
XJZ110→组合架侧面06-17→RD11-2→DDJ11-13→DJ5-6→组合架侧面05-7→报警仪2A-2B→组合架侧面05-9→LXJ31-32→ZXJ31-33→组合架侧面05-5→分线柜→LEU箱28-55→信号机点灯变压器→LEU箱56-30→分线柜→组合架侧面05-6→ZXJ43-41→LXJ52-51→DDJ33-31→RD32-1→组合架侧面06-18→XJF110。
二、出站信号机点灯

出站信号组合(CZ2、CZ3)与防雷分线柜(F)和防雷隔离组合(ZFG)连接的填写与进路信号机的类同,只是CZ与ZFG连接的表格中填写端子号的小方格不再分成上、下两部分。
两方向出站信号机为点亮L和LU两种显示,出站信号组合(CZ2)要与接近离去组合(JG/LQ)中的2组2LQJ接点和2组3LQJ接点串接。为此,在计算机联锁图中大表格的竖细线左侧增加4列方格,填写2组合间4条连线所需8个组合侧面端子号。
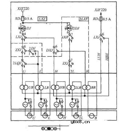
三、进站信号机点灯电路

1.在建立通过进路时,ZXJ和TXJ都励磁吸起,所以接通绿灯LB电路,使绿灯点亮;
2.在建立通过第一个车场而在下一个车场停车的接车进路时,由于ZXJ和LUXJ励磁吸起,TXJ落下,接通LB和2UB电路,使绿灯和第二个黄灯同时点灯;
3.在建立正线停车的接车进路时,由于ZXJ励磁吸起而LUXJ和TXJ都落下,所以接通的提黄灯变压器UB电路,使第一个黄灯点亮;
4.在建立向站线接车时,ZXJ、LUXJ和TXJ都落下,这时接通的是黄灯变压器UB和2UB电路,使第一个黄灯和第二个黄灯同时点亮;
5.引导接车时,由于LXJ落下,而引导信号继电器YXJ励磁吸起,这时接通红灯变压器HB和引导白灯变压器YBB电路,红灯和月白灯同时点亮。
责任编辑:pj
相关热词:#变压器
三极管怎么测量好坏?
时间:2026-03-07
通过Pspice仿真来看下三极管的直流偏置点
时间:2026-03-07
基本共射极放大电路电路分析
时间:2026-03-07
三极管基本放大电路的频率响应
时间:2026-03-07
五大电子技术知识详解(逻辑门电路 可控硅 ...
时间:2026-03-07
二极管三极管电路原理和理解
时间:2026-03-07
啥是光电二极管 光电二极管采集电路-1mV/pA...
时间:2026-03-07
关于带灯电源开关里面用的发光二极管批示灯...
时间:2026-03-07
硬件工程师入门的基础元器件知识
时间:2026-03-07
硬件工程师入门基础元器件与电路原理
时间:2026-03-07
彩灯电路
时间:2026-03-05
电动机单线远程正反转控制电路图
时间:2026-03-04
三相异步电动机原理
时间:2026-03-04
三相异步电动机的拆装详讲
时间:2026-03-04
USB转232电路图
时间:2026-03-04
三相异步电动机的七种调速方式
时间:2026-03-04
转角测量电路
时间:2026-03-05
经典的正弦波发生电路
时间:2026-03-05
电度表的工作原理
时间:2026-03-04
电风扇红外遥控器2
时间:2026-03-04