在日常生活和工作中, 家庭和工作的安全、单位的档案、财务报表和一些个人数据大多采用加锁的办法来保存。目前 使用最多的弹子锁钥匙容易丢失或损坏。用机械密码锁的保 险箱虽然安全系数高,但制造精度要求高,结构复杂,成本也 高,还容易被损坏。人们经常需要携带很多把钥匙,这给使用 带来极大的不便,并且钥匙丢失后安全性会大大降低。为了满 足人们对安全和便捷的双重需求,用密码代替钥匙的电子密 码锁应运而生。由于密码锁的功能、安全性是机械锁所无法比 拟的,所以如果能够在保证安全可靠的前提下降低成本,电子 密码锁将具有广阔的发展前景。本文设计了基于数字电路的 密码锁,制作了相应的电路,并进行了波形测试。
1、总体设计方案
本密码锁是由密码设置电路、发射电路、解码电路、显示电路和电源电路五部分组成。图 1 为设计方案图。电源电路为整个系统提供+9V 的电源,通过密码设置电路设置密码,之后运用按键来输入密码,如果密码正确,发射电路将输出一定 频率的方波信号,经解码电路解码后,由显示电路的绿色发光 二极管来显示密码正确。
2、原理介绍
采用LM7809、整流桥堆、CD4017、NE555、LM567 等接口芯片来设计本密码系统。用接口芯片构建一个简单的系统

图 1 设计方案图
控制电路。在本密码系统中,按要求按下按键,即输入正确的密码,NE555 电路就能正常工作,解码电路解码后,继电器吸合,电路导通,绿色发光二极管发光;如果密码不正确,则发光 二极管将不会发光。
用户设置密码后,经过密码设置电路将用户输入的密码与原来保存的密码进行比对,判断密码正确与否,然后将管脚的高低电平发送到解码电路控制是否解锁。密码锁系统由用于密码选择的按键S0-S9 组成,输入CD4017,如果密码正确,则选通在 Q7 端输出触发脉冲触发可控硅Q2 导通,LED1红灯亮,NE555 产生一定频率的信号发射出去。LM567 接收,如果频率一致,则锁定,输出使继电器吸合,LED2 绿灯亮,则密码锁被打开。如果密码不正确,则电路不工作。
2.1密码设置电路
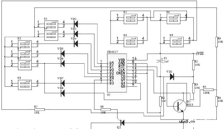
CD4017 是一种由计数器和译码器组成的十进制计数/ 分频器。译码输出实现对脉冲信号的分配,Q0,Q1,Q2……Q9依次出现高电平,并且此高电平与时钟同步,宽度等于时钟周 期。CD4017 提供了 2 输入译码选通和无毛刺译码输出,以及快速操作。它具有 10 个译码输出端和 3 个输入端:RST、CLK和CKEN。具有脉冲整形功能的CD4017 时钟输入端的施密特触发器对输入时钟脉冲的上升时间和下降时间没有限制。当CKEN 为低电平时,计数器在时钟上升沿计数;当 CKEN 是高电平时,计数功能无效。CR 是高电平时,计数器清零。防锁选通能够确保计数顺序正确。译码输出只在相应的时钟周 期内维持高电平,通常为低电平状态。CD4017 有 1 个进位输出端CO,每输入 10 个计数脉冲,CO 可以得到 1 个进位正脉冲,此进位脉冲可以作为下一级的时钟信号。图 2 为密码设置电路。此密码系统的初始密码为 2078535,当Q0Q1Q2Q3Q4 Q5Q6 依次输出高电平之后,Q7 就输出高电平。

图 2 密码设置电路
CD4017 可以直接被用作顺序脉冲发生器,因为当脉冲连续输入时,其相应的输出端会依次变为高电平。该电路有10 个按键S0-S9,用来输入密码。通过 CD4017 输入编码,在密码输入有效的时间里,如果 10 个按键中有按键按下,则 CR 产生一个脉冲,用于控制密码的输入。
2.2发射电路
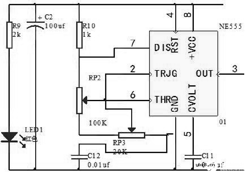
NE555 时基电路是将模拟功能与逻辑功能巧妙结合起来的器件,是一种应用广泛的集成电路,是密码锁的发射电路 部分。具体的发射电路如图 3 所示。

图 3 发射电路
2.3解码电路
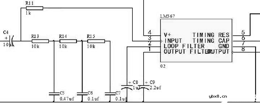
LM567 是一种工作频率小于 500KHZ 的锁相环电路音调译码器。当LM567 的 3 管脚输入频率在其带宽内,幅度大于等于 25mV 的信号时,8 管脚从高电平变为低电平,而 2 管脚则输出由频率/ 电压变换得到的调制信号;如果 LM567 的2 管脚输入音频信号,则其 5 管脚将输出由 2 管脚输入的调制信号调制的调频方波信号。中心频率带宽和输出延迟可以 由外接元器件独立设定。它主要用于振荡、调制、解调以及遥 控编码、译码电路等。输入信号在通带内时,它可以提供饱和 晶体管对地开关。该电路由 I 与Q 检波器构成。压控振荡器驱动振荡器确定译码器中心频率,主要用于电力线载波通信、对 讲机亚音频译码、遥控等。图 4 为解码电路。

图 4 解码电路
2.4显示电路
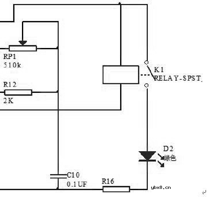
继电器是一种常用于自动控制电路的电子控制元件。它包括控制系统和被控制系统,前者也称为输入回路,后者又称为输出回路。当输入达到一定值时,输出将发生跳跃式变化, 它的输入可以是电、磁、声、光、热等各种信号。事实上,它是一个 “自动开关”,使用较小的电流来控制较大的电流。它具有自动 调节、安全保护、电路转换等功能。显示电路图如图 5 所示。若按下按键 2078535,LED 灯亮,则表示密码输入成功。

图 5 显示电路
2.5电源电路
在电子产品中,常见的三端集成稳压器有lm78 系列和lm79 系列等,前者是正电压输出的,后者是负电压输出的。其中三端IC 是指用于稳压的集成电路只有输入端、输出端和接地端三个管脚。
整流桥的作用是把交流转换成直流。整流桥是利用二极管的单向导通原理来实现整流的,所以当整流桥与交流电路 连接时,可以使电路中的电流只流向一个方向,即所谓“整 流”。整流器有单相桥式全波整流器和三相桥式全波整流器。 其中,单相桥式全波整流器是用四个二极管组成的,三相桥式 全波整流器是用六个二极管组成的,它们分别用于单相线路 和三相线路。电源电路如图 6 所示,电路中所需的 +9V 电源是由LM7809 三端稳压器提供的。

图 6 电源电路
3实物制作与测试
图 7 为密码锁的实物图。输入密码(即按下按键) 2078535,红色二极管 LED1 亮,调节电路,绿色发光二极管 LED2 亮,则设计成功,当 Q0,Q1,Q2,Q3,Q4,Q5,Q6 依次输出高电平后,Q7 将输出高电平。Q0 对应S2 按钮,Q1 对应S0 按钮,Q2 对应 S7 按钮,Q3 对应 S8 按钮,Q4 对应 S5 按钮,Q5对应S3 按钮,Q6 对应S5 按钮,所以按键密码为 2078535。
图 7 密码锁的实物图
当输入正确密码(2078535)后,红色发光二极管 LED1 会变亮,R13 和 R14 的交接点、R15 和 C7 的交接点、RP1 和 R12 的交接点同时也应有信号输出,且信号的频率会随着RP1,RP2 的调节而发生变化,表示信号产生电路正常工作。
图 8 为NE555 的输出波形图,由图可以看出,NE555 的输出为标准的方波信号,频率为 704Hz,峰峰值 5.52V,周期为 1.40ms。
图 8 NE555 的输出波形图
图 9 为LM567 的输入波形图,由图可以看出,LM567 的输入波形也是方波信号,频率为 704Hz,峰峰值 5.16V,周期为 1.40ms。
图 9 LM567 的输出波形图
当输入正确密码(2078535) 后,通过调节RP1,RP2 和RP3,使LM567 的自身频率与NE555 电路产生的频率一致时,继电器吸合,绿色发光二极管发光,表示信号接收及输出 电路正常工作,密码正确。
4结语
本文设计制作了基于数字电路的密码锁,它由 NE555 定时器、LM567 通用锁相环电路音调译码器、CD4017 十进制计数/ 分频器、LED 显示系统、LM7809 三端稳压器等组成。当输入正确密码(2078535)后,红色发光二极管 LED1 会变亮, 表示信号产生电路正常工作。绿色发光二极管亮,表示信号接 收及输出电路正常工作,密码正确。
相关热词:#密码锁
两种的恒流电路原理图介绍
时间:2026-03-07
10个问题让你学懂三极管
时间:2026-03-07
介绍几个电路来理解下三极管的反馈
时间:2026-03-07
NPN双极型三极管的形成原理是什么
时间:2026-03-07
三极管的应用电路
时间:2026-03-07
一文读懂三极管
时间:2026-03-07
利用三极管设计开关电路
时间:2026-03-07
三极管原理简述及实例
时间:2026-03-07
三极管电路分析方法
时间:2026-03-07
一文详细了解三极管
时间:2026-03-07
彩灯电路
时间:2026-03-05
电动机单线远程正反转控制电路图
时间:2026-03-04
三相异步电动机原理
时间:2026-03-04
三相异步电动机的拆装详讲
时间:2026-03-04
USB转232电路图
时间:2026-03-04
三相异步电动机的七种调速方式
时间:2026-03-04
转角测量电路
时间:2026-03-05
经典的正弦波发生电路
时间:2026-03-05
电度表的工作原理
时间:2026-03-04
电风扇红外遥控器2
时间:2026-03-04