当前位置:首页 > 电路图基础 > 正文

需要生成50%占空比方波,门控555第一脉冲过长怎么办?

来源:网络  发布者:电工基础  发布时间:2026-03-08 08:38
  不太传统的555非稳态拓扑中增加了第一脉冲过长的弊病,对于需要生成50%占空比对称方波的基于CMOS和双极型的振荡器也是如此。

  不太传统的555非稳态拓扑中增加了第一脉冲过长的弊病,对于需要生成50%占空比对称方波的基于CMOS和双极型的振荡器也是如此。

  之前我的一个设计实例“该怎么让门控555非稳态多谐振荡器顺利得到使用?”解决了传统拓扑的555非稳态电路在启动时由RESET引脚门控从振荡关闭到振荡开启时产生的第一个脉冲过长的问题。参见图1和图2。

  

 

需要生成50%占空比方波,门控555第一脉冲过长怎么办?

 

  图1 当通过RESET引脚门控从振荡关闭到振荡开启时,第一个振荡周期在启动时第一个脉冲过长。

  

 

需要生成50%占空比方波,门控555第一脉冲过长怎么办?

 

  图2 通过C2在振荡启动时注入电荷来均衡脉冲长度。

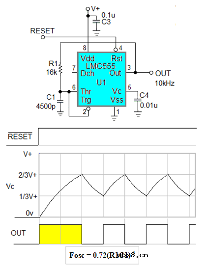
  然而,这种设计实例没有解决的问题是,不太传统的555非稳态拓扑也会遭受相同的第一脉冲问题。这类电路的重要实例是生成50%占空比对称方波的振荡器,如图3所示。

  

 

需要生成50%占空比方波,门控555第一脉冲过长怎么办?

 

  图3 第一脉冲的问题也出现在CMOS 555常用的50%占空比方波拓扑中。

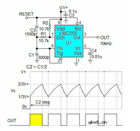
  令人欣慰的是,前文提到的修复方法也适用于此类振荡器,如图4所示。

  

 

需要生成50%占空比方波,门控555第一脉冲过长怎么办?

 

  图4 应用于CMOS 50%占空比方波振荡器的C2电荷注入修复方法。

  这样,CMOS 555方波发生器的问题就解决了。但类似的双极型振荡器呢?

  尽管双极型555年代久远,但仍被设计用于当代应用中。选择双极型555的原因包括有它要比CMOS具有更高的额定电源电压(18V vs 15V)和更大的输出电流能力(数百毫安 vs 数十毫安)。但是,当需要50%占空比方波输出时,它们确实要以不同的方式布线,例如添加一个电阻器(如之前的设计实例“添加一个电阻器,为双极性LM555振荡器提供50%的占空比”中所述)。参见图5。

  

 

需要生成50%占空比方波,门控555第一脉冲过长怎么办?

 

  图5 采用门控50%占空比方波配置的双极型555。

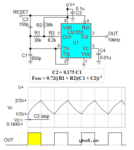
  C2的电荷注入技巧仍然可以纠正图5的第一个脉冲,但有一个复杂的情况。当保持复位时,图5的电路不会将定时电容器一直放电至零,而只会放电至Vz,其中:

  Vz = R3(R2 + R3)-1 V+

  = 0.184 V+

  因此,我们的老办法C2=C1/2是行不通的。我们需要的是更小的电荷注入,如图6所示,C2 = 0.175 C1。

  

 

需要生成50%占空比方波,门控555第一脉冲过长怎么办?

 

  图6 经修改的C2电荷注入,用于双极型555的方波产生。

相关热词:#555

热门文章
彩灯电路彩灯电路

时间:2026-03-05

电动机单线远程正反转控制电路图电动机单线远程正反转控制电路图

时间:2026-03-04

三相异步电动机的拆装详讲三相异步电动机的拆装详讲

时间:2026-03-04

三相异步电动机原理三相异步电动机原理

时间:2026-03-04

USB转232电路图USB转232电路图

时间:2026-03-04

三相异步电动机的七种调速方式三相异步电动机的七种调速方式

时间:2026-03-04

转角测量电路转角测量电路

时间:2026-03-05

经典的正弦波发生电路经典的正弦波发生电路

时间:2026-03-05

电风扇红外遥控器2电风扇红外遥控器2

时间:2026-03-04

电度表的工作原理电度表的工作原理

时间:2026-03-04