当前位置:首页 > 电子元件 > 正文

怎样通过并联碳化硅MOSFET获得更多功率呢?

来源:网络  发布者:电工基础  发布时间:2026-03-12 09:26

为了划分所涉及的功率并创建可以承受更多功率的器件,开关、电阻器MOSFET 并联连接。要提高输出电流的容量,您可以将它们并联。与其他更陈旧的组件相比,并联连接通常更容易且不太重要,因为它们不受热不稳定的影响。

此外,SiC MOSFET可以与其他类似器件连接并并联工作。在典型情况下,许多并联单元之间的直接连接可以有效地工作,但在涉及温度、电流和工作频率的极端情况下,工作条件可能会恶化。因此,为了充分利用功率器件并联带来的好处,必须注意构建防故障电路。

一些注意事项

当功率器件具有相同的电气特性和相同的静态和动态行为时,将它们并联是可行的。然而,由于众多标本之间总是存在一些差异,这在现实中是不可能的。MOSFET 用作电子开关,用于在静态状态下工作的选定应用中实现“慢速”开关。

但是,大多数应用都涉及快速、连续的切换。即使在相同型号的MOSFET中,其电气特性的微小(甚至难以察觉)变化也会导致短暂的电压尖峰和电流分布的整体不平衡。此问题可能导致大量功率损耗、电路明显发热和电子元件故障。

设计人员必须研究电路,以便在所有工作条件下,传输中的电流在所有相同性质的功率器件上保持良好平衡和均匀。切换设备时,建议避免电流集中在某些电子元件上。事实上,这可能会导致不必要的振荡过程和电子开关操作的不平衡。通常,由非理想并联引起的问题和原因可能如下:

设备的参数彼此不对应

导通电阻不匹配(RDS(导通))

栅源电压不匹配(VGS)

栅极驱动器不匹配

电源电路不匹配。

导通电阻

导通电阻RDS(on)是MOSFET的基本参数之一。它会影响许多工作因素,例如元件耗散、传输中的最大电流、系统效率和传导损耗。如果MOSFET关闭,则漏源电压较高,并且没有电流流动。另一方面,当它处于活动状态时,漏源电压下降到几百毫伏。

SiC MOSFET的RDS(on)参数对温度非常敏感,因此在设计并联器件的电路时必须小心(参见图1中的图表)。其内部构象决定了负温度系数和正温度系数,因此可能发生电流不平衡。该图证实,根据SiC MOSFET的结温,沟道的电阻会发生变化。

许多设备示例的简单并行化可能会产生问题,因为一个组件可能比另一个组件传递更多的电流。因此,有必要平等地散发所有MOSFET的热量。

怎样通过并联碳化硅MOSFET获得更多功率呢?

图 1:RDS(on) 与结温的关系

各种不平衡

当MOSFET开路时,一个小电流并联通过电子开关,与其激活电阻成反比。显然,电阻最低的设备传输更多的电流。幸运的是,SiC MOSFET的特点是正温度补偿,因此电路中发生了更自然的平衡,将元件的热破坏限制在最低限度。另一方面,MOSFET中包含的二极管表现不同,随着电流的通过,温度通过减少传输中的电流而升高。转换期间可能会出现电流不平衡,尤其是在通电和关机期间。

不必要的振荡

振荡是改变设备正常运行的高频信号。实际上,MOSFET的特殊构象构成了一个谐振电路,配备有电容(C)和电感(L)。这两种元素显然都是寄生成分。如果没有外部栅极电阻,谐振电路将具有非常高的Q因数。

如果发生谐振,则在“栅极”和“源极”端子之间产生重要的振荡信号,产生寄生和不需要的振荡,对应于“漏极”和“源极”端子之间的相等振荡。过高的振荡电压可能导致误点火或MOSFET操作中断。然而,一般来说,SiC MOSFET的并联不涉及很高的振荡风险,因此通过必要的预防措施,电路可以毫无问题地运行。

解决方案

如今,有许多公司通过并联多个MOSFET来生产SiC功率模块,当然,也采取了一些预防措施。有些制造商获得了非常强大的组件,因为在这种类型的连接中,增加了耗散功率,最重要的是,RDS(开启)参数减小,就像电阻并联连接中发生的情况一样。

通常,SiC MOSFET无需特殊措施即可并联连接,因为当它们过热时,它们会增加其内阻,尽管各个组件存在固有差异,但仍相当均匀地分配负载。其中一个明显的缺点是“栅极”容量增加,这导致SiC MOSFET导通时间增加。在这些情况下,栅极电流必须大大增加,具体取决于并联的设备数量。在高频情况下,这一事实可能会变得不可接受。

对于较旧的功率组件(例如IGBT),设计人员必须克服不断的挑战(平衡、出色的驱动器等),才能在功率器件之间建立良好的并联连接。当使用SiC MOSFET时,这种挑战可能会增加,因为所涉及的开关频率要高得多。元件并联的主要目的是实现更高的额定电流。

设计人员还需要研究PCB布局。它们应具有对称结构,以分散产生的热量并大幅降低寄生电感。因此,这些解决方案提供了SiC MOSFET的正确并联连接,以增加传输中的电流和功率水平。但是,需要遵循一些注意事项:

阈值电压可能发生电流不平衡

由于寄生电感不对称,可能出现电流不平衡

可能的波动

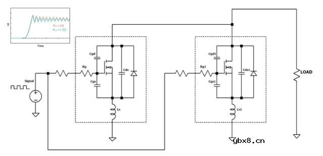
如今,公司已经达到了高度的制造完美度,并制造出彼此几乎相同的SiC MOSFET元件,并且发生不平衡的可能性很小。然而,阈值较低的器件具有较高的瞬态,因此开关和传导损耗较高,总功率损耗较高。通常,如果流在负载上的电流大于要使用的每个设备的标称值,则可以安全地并联两个设备,以使流过每个开关的电流减半。图2显示了一种解决方案,该解决方案允许采用一个外部栅极电阻(每个MOSFET)来减少各种器件之间开关的变化。采用外部栅极电阻器并不是奇迹,不平衡可能仍然存在。在某些情况下,在此配置中,VGS也可能由于两个MOSFET之间存在RLC谐振电路而振荡。

怎样通过并联碳化硅MOSFET获得更多功率呢?

碳化硅 MOSFET 的特点是温度系数为正。它在共享静态电流时用作负反馈。如果设备消耗更多电流,它会发热,从而增加其 RDS(导通)。通过这种方式,传输中的电流减少了,也降低了热不平衡水平。此外,它们显示开关损耗随温度的增加非常小。

最后,SiC MOSFET的跨导曲线更柔和,栅极电压的微小变化对电流的影响较小,有利于多个器件之间的动态电流共享。

最新文章
集成电路的分类集成电路的分类

时间:2026-03-12

集成电路型号命名方法集成电路型号命名方法

时间:2026-03-12

集成电路引脚的识别集成电路引脚的识别

时间:2026-03-12

集成电路引脚的判别方法集成电路引脚的判别方法

时间:2026-03-12

集成电路的检测及故障查寻集成电路的检测及故障查寻

时间:2026-03-12

拆除集成电路的方法拆除集成电路的方法

时间:2026-03-12

三端集成稳压器的电路结构及主要特性参数三端集成稳压器的电路结构及主要特性参数

时间:2026-03-12

三端固定正稳压器三端固定正稳压器

时间:2026-03-12

使用三端集成稳压器时应注意的事项使用三端集成稳压器时应注意的事项

时间:2026-03-12

稳压器应用参考电路稳压器应用参考电路

时间:2026-03-12