电感式接近开关由三大部分组成:振荡器、开关电路及放大输出电路。
振荡器产生一个交变磁场。当金属目标接近这一磁场,并达到感应距离时,在金属目标内产生涡流,从而导致振荡衰减,以至停振。振荡器振荡及停振的变化被后级放大电路处理并转换成开关信号,触发驱动控制器件,从而达到非接触式之检测目的
2.霍尔接近开关工作原理
原理简介:
当一块通有电流的金属或半导体薄片垂直地放在磁场中时,薄片的两端就会产生电位差,这种现象就称为霍尔效应。两端具有的电位差值称为霍尔电势U,其表达式为
U=K·I·B/d
其中K为霍尔系数,I为薄片中通过的电流,B为外加磁场(洛伦慈力Lorrentz)的磁感应强度,d是薄片的厚度。
由此可见,霍尔效应的灵敏度高低与外加磁场的磁感应强度成正比的关系。
霍尔开关就属于这种有源磁电转换器件,它是在霍尔效应原理的基础上,利用集成封装和组装工艺制作而成,它可方便的把磁输入信号转换成实际应用中的电信号,同时又具备工业场合实际应用易操作和可靠性的要求。
霍尔开关的输入端是以磁感应强度B来表征的,当B值达到一定的程度(如B1)时,霍尔开关内部的触发器翻转,霍尔开关的输出电平状态也随之翻转。输出端一般采用晶体管输出,和其他传感器类似有NPN、PNP、常开型、常闭型、锁存型(双极性)、双信号输出之分。
霍尔开关具有无触点、低功耗、长使用寿命、响应频率高等特点,内部采用环氧树脂封灌成一体化,所以能在各类恶劣环境下可靠的工作。霍尔开关可应用于接近传感器、压力传感器、里程表等,作为一种新型的电器配件。
线性接近传感器的原理
工作原理:
线性接近传感器是一种属于金属感应的线性器件,接通电源后,在传感器的感应面将产生一个交变磁场,当金属物体接近此感应面时,金属中则产生涡流而吸取了振荡器的能量,使振荡器输出幅度线性衰减,然后根据衰减量的变化来完成无接触检测物体的目的。
该接近传感器具有无滑动触点,工作时不受灰尘等非金属因素的影响,并且低功耗,长寿命,可使用在各种恶劣条件下。线性传感器主要应用在自动化装备生产线对模拟量的智能控制。
电感式接近开关
工作原理
电感式接近开关由三大部分组成:振荡器、开关电路及放大输出电路。振荡器产生一个交变磁场。当金属目标接近这一磁场,并达到感应距离时,在金属目标内产生涡流,从而导致振荡衰减,以至停振。振荡器振荡及停振的变化被后级放大电路处理并转换成开关信号,触发驱动控制器件,从而达到非接触式之检测目的。
1.电感式接近开关 工作原理
电感式接近开关由三大部分组成:振荡器、开关电路及放大输出电路。振荡器产生一个交变磁场。当金属目标接近这一磁场,并达到感应距离时,在金属目标内产生涡流,从而导致振荡衰减,以至停振。振荡器振荡及停振的变化被后级放大电路处理并转换成开关信号,触发驱动控制器件,从而达到非接触式之检测目的
2.霍尔接近开关工作原理
当一块通有电流的金属或半导体薄片垂直地放在磁场中时,薄片的两端就会产生电位差,这种现象就称为霍尔效应。两端具有的电位差值称为霍尔电势U,其表达式为U=K·I·B/d其中K为霍尔系数,I为薄片中通过的电流,B为外加磁场(洛伦慈力Lorrentz)的磁感应强度,d是薄片的厚度。
由此可见,霍尔效应的灵敏度高低与外加磁场的磁感应强度成正比的关系。霍尔开关就属于这种有源磁电转换器件,它是在霍尔效应原理的基础上,利用集成封装和组装工艺制作而成,它可方便的把磁输入信号转换成实际应用中的电信号,同时又具备工业场合实际应用易操作和可靠性的要求。霍尔开关的输入端是以磁感应强度B来表征的,当B值达到一定的程度(如B1)时,霍尔开关内部的触发器翻转,霍尔开关的输出电平状态也随之翻转。输出端一般采用晶体管输出,和其他传感器类似有NPN、PNP、常开型、常闭型、锁存型(双极性)、双信号输出之分。霍尔开关具有无触电、低功耗、长使用寿命、响应频率高等特点,内部采用环氧树脂封灌成一体化,所以能在各类恶劣环境下可靠的工作。霍尔开关可应用于接近传感器、压力传感器、里程表等,作为一种新型的电器配件。
3.线性接近传感器的原理
线性接近传感器是一种属于金属感应的线性器件,接通电源后,在传感器的感应面将产生一个交变磁场,当金属物体接近此感应面时,金属中则产生涡流而吸取了振荡器的能量,使振荡器输出幅度线性衰减,然后根据衰减量的变化来完成无接触检测物体的目的。
该接近传感器具有无滑动触点,工作时不受灰尘等非金属因素的影响,并且低功耗,长寿命,可使用在各种恶劣条件下。线性传感器主要应用在自动化装备生产线对模拟量的智能控制。
4. 电感式接近开关工作原理
电感式接近开关由三大部分组成:振荡器、开关电路及放大输出电路。振荡器产生一个交变磁场。当金属目标接近这一磁场,并达到感应距离时,在金属目标内产生涡流,从而导致振荡衰减,以至停振。振荡器振荡及停振的变化被后级放大电路处理并转换成开关信号,触发驱动控制器件,从而达到非接触式之检测目的。
附录1:部分常用材料的值

1、概述
接近传感器可以在不与目标物实际接触的情况下检测靠近传感器的金属目标物。根据操作原理,接近传感器大致可以分为以下三类:利用电磁感应的高频振荡型,使用磁铁的磁力型和利用电容变化的电容型。 特性:
● 非接触检测,避免了对传感器自身和目标物的损坏。
● 无触点输出,操作寿命长。
● 即使在有水或油喷溅的苛刻环境中也能稳定检测。 ● 反应速度快。
● 小型感测头,安装灵活。
2、类型
(1)按配置来分

(2)、按检测方法分
●通用型:主要检测黑色金属(铁)。
●所有金属型:在相同的检测距离内检测任何金属。
●有色金属型:主要检测铝一类的有色金属。
3、高频振荡型接近传感器的工作原理
电感式接近传感器由高频振荡、检波、放大、触发及输出电路等组成。振荡器在传感器检测面产生一个交变电磁场,当金属物体接近传感器检测面时,金属中产生的涡流吸收了振荡器的能量,使振荡减弱以至停振。振荡器的振荡及停振这二种状态,转换为电信号通过整形放大转换成二进制的开关信号,经功率放大后输出。下面为详细介绍:
(1)通用型接近传感器的工作原理

振荡电路中的线圈L产生一个高频磁场。当目标物接近磁场时,由于电磁感应在目标物中产生一个感应电流(涡电流)。随着目标物接近传感器,感应电流增强,引起振荡电路中的负载加大。然后,振荡减弱直至停止。传感器利用振幅检测电路检测到振荡状态的变化,并输出检测信号。

振幅变化的程度随目标物金属种类的不同而不同,因此检测距离也随目标物金属的种类不同而不同。
(2)所有金属型传感器的工作原理
所有金属型传感器基本上属于高频振荡型。和普通型一样,它也有一个振荡电路,电路中因感应电流在目标物内流动引起的能量损失影响到振荡频率。目标物接近传感器时,不论目标物金属种类如何,振荡频率都会提高。传感器检测到这个变化并输出检测信号。
(3)有色金属型传感器工作原理

有色金属传感器基本上属于高频振荡型。它有一个振荡电路,电路中因感应电流在目标物内流动引起的能量损失影响到振荡频率的变化。当铝或铜之类的有色金属目标物接近传感器时,振荡频率增高;当铁一类的黑色金属目标物接近传感器时,振荡频率降低。如果振荡频率高于参考频率,传感器输出信号。
电容式接近传感器的原理
1.电容式接近传感器由高频振荡器和放大器等组成,由传感器的检测面与大地间构成一个电容器,参与振荡回路工作,起始处于振荡状态。当物体接近传感器检测面对,回路的电容量发生变化,使高频振荡器振荡。振荡与停振这二种状态转换为电信号经放大器转化成二进制的开关信号。
2.常用术语



接近开关两种安装方式的区别一般接近开关有两种安装方式:齐平安装和非齐平安装。 齐平安装:接近开关头部可以和金属安装支架相平安装。 非齐平安装:接近开关头部不能和金属安装支架相平安装。 一般,可以齐平安装的接近开关也可以非齐平安装,但非齐平安装的接近开关不能齐平安装。这是因为,可以齐平安装的接近开关头部带有屏蔽,齐平安装时,其检测不到金属安装支架,而非齐平安装的接近开关不带屏蔽,当齐平安装时,其可以检测到金属安装。正因为如此,非齐平安装的接近开关的灵敏度比齐平安装的灵敏度要大些,在实际应用中可以根据实际需要选用
1)如同我在3楼第5)条中所说的,接入PLC的三线制接近开关是用NPN型还是用PNP型,这要看PLC的硬件情况,很难说孰多孰少!主要是由PLC输入电路的结构决定的,是日本式还是欧洲式?现先举西门子公司S7-300 PLC为例,常用的数字量输入模块是32点的SM321,DI32×DC24V(6ES7 321-1BL00-0AA0),该模块的接线图如下所示:

从图中可以看出,外部开关量输入触点的公共端接到了电源的正端,这种情况应使用PNP型接近开关,接线方法按9楼网友所说的。如果使用NPN型,是不能工作的!
2)再看三菱公司的FX1N PLC,输入电路的结构是典型的日本式,接线图如下所示:

从图中可以看出,外部开关量输入触点的公共端接到了电源的0V端,这种情况应使用NPN型接近开关,接线方法还是按9楼网友所说的(只不过PLC的“M”,相当于三菱系列中的“COM”)。同理,三菱PLC如果使用PNP型接近开关,也是不能工作的!
3)本帖中两个插图是在厂商提供的产品样本的基础上补充绘制而成的,供参考。
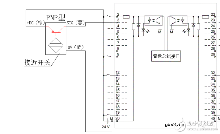
)接近开关有两线制和三线制之区别,三线制接近开关又分为NPN型和PNP型,它们的接线是不同的。请见下图所示:

2)两线制接近开关的接线比较简单,接近开关与负载串联后接到电源即可。
3)三线制接近开关的接线:红(棕)线接电源正端;蓝线接电源0V端;黄(黑)线为信号,应接负载。而负载的另一端是这样接的:对于NPN型接近开关,应接到电源正端;对于PNP型接近开关,则应接到电源0V端。
4)接近开关的负载可以是信号灯、继电器线圈或可编程控制器PLC的数字量输入模块。 5)需要特别注意接到PLC数字输入模块的三线制接近开关的型式选择。PLC数字量输入模块一般可分为两类:一类的公共输入端为电源0V,电流从输入模块流出(日本模式),此时,一定要选用NPN型接近开关;另一类的公共输入端为电源正端,电流流入输入模块,即阱式输入(欧洲模式),此时,一定要选用PNP型接近开关。千万不要选错了。
6)两线制接近开关受工作条件的限制,导通时开关本身产生一定压降,截止时又有一定的剩余电流流过,选用时应予考虑。三线制接近开关虽多了一根线,但不受剩余电流之类不利因素的困扰,工作更为可靠。
7)有的厂商将接近开关的“常开”和“常闭”信号同时引出,或增加其它功能,此种情况,请按产品说明书具体接线。
接近开关按接线方式可分为三线式和两线式。
三线式接近开关有两个端子接直流电源的正极和负极,另一个端子是接近开关的输出端。接近开关未动作时,输出电流近似为0。接近开关动作时,输出晶体管饱和导通,管压降近似为0,接近开关的输出晶体管相当于一个触点。
两线式接近开关的两根线兼作电源线和信号线,接近开关未动作时,需要一定的电流来维持电路的工作,所以有一定的漏电流。两线式接近开关只有两根线,接线方便,可以直接接到PLC的输入端(见图1)。图中的S/S端子是PLC输入电路内部的公共端。

PLC的输入电流小于逻辑0信号的最大电流(FX系列PLC为1.5mA)时,输入为0信号,PLC的输入电流大于逻辑1信号的最小电流(FX系列为3.5mA)时,输入为1信号。输入信号如果在二者之间,PLC读入的逻辑状态不定。FX系列连接两线式接近开关允许的最大漏电流为1.5mA。S7-200直接连接两线式接近开关允许的最大漏电流为1mA。
两线式接近开关的静态漏电流约为0.5~1.5mA,在选型时,应保证接近开关的漏电流小于PLC逻辑0信号的最大电流,并留有一定的裕量。如果不能满足这一条件,两线式接近开关可能出现误动作。使用时最好实测两线式接近开关的漏电流的大小。
1 1、输入传感器为接近开关时,只要接近开关的输出驱动力足够,漏型输入的PLC输入端就可以直接与NPN集电极开路型接近开关的输出进行连接。如图1。k

但是,当采用PNP集电极开路型接近开关时,由于接近开关内部输出端与0V间的电阻很大,无法提供电耦合器件所需要的驱动电流,因此需要增加“下拉电阻”。如图。增加下拉电阻后应注意,此时的PLC内部输入信号与接近开关发信状态相反,即接近开关发信时,“下拉电阻”上端为24V,光电耦合器件无电流,内部信号为“0”;未发信时,PLC内部DC24V与0V之间,通过光电耦合器件、限流电阻、“下拉电阻”经公共端COM构成电流回路,输入为“1”。
下拉电阻的阻值主要决定于PLC输入光电耦合器件的驱动电流、PLC内部输入电路的限流电阻阻值。通常情况下,其值为1.5—2KΩ,计算公式如下: 第一种公式:R≤[(Ve-0.7)/Ii]-Ri 式中:R——下拉电阻(KΩ) Ve——输入电源电压(V) Ii——最小输入驱动电流(mA)
Ri——PLC内部输入限流电阻(KΩ)
公式中取发光二极管的导通电压为0.7V。
第二种公式:下拉电阻≤[输入限流电阻/(最小ON电压/24V)]-输入限流电阻
2、输入传感器为接近开关时,只要接近开关的输出驱动力足够,源型输入的PLC输入端就可以直接与PNP集电极开路型接近开关的输出进行连接。如图2。j
相反,当采用NPN集电极开路型接近开关时,由于接近开关内部输出端与24V间的电阻很大,无法提供电耦合器件所需要的驱动电流,因此需要增加“上拉电阻”。如图。增加下拉电阻后应注意,此时的PLC内部输入信号与接近开关发信状态相反,即接近开关发信时,“上拉电阻”上端为0V,光电耦合器件无电流,内部信号为“0”;未发信时,PLC内部DC24V与0V之间,通过光电耦合器件、限流电阻、“上拉电阻”经公共端COM构成电流回路,输入为“1”。
上拉电阻的阻值主要决定于PLC输入光电耦合器件的驱动电流、PLC内部输入电路的限流电阻阻值。通常情况下,其值为1.5—2KΩ,其计算公式与下拉电阻计算公式相同。

声控开关安装接线方法_声控开关接线实物图
时间:2026-03-13
行程开关实物接线图
时间:2026-03-13
温度开关的分类_温度开关的选型
时间:2026-03-13
温度开关作用_温度开关检测及使用
时间:2026-03-13
温控开关坏了什么症状_温控开关怎么检测好坏
时间:2026-03-13
温控开关常开常闭区别
时间:2026-03-13
震动开关原理_震动开关的使用
时间:2026-03-13
四脚轻触开关原理和封装尺寸
时间:2026-03-13
轻触开关与薄膜开关的区别
时间:2026-03-13
薄膜开关基本结构_薄膜开关技术参数
时间:2026-03-13
电阻的标称阻值和允许偏差
时间:2026-03-05
玻璃釉电容器的结构与特点
时间:2026-03-05
关于STM32WL LSE 添加反馈电阻后无法起振的...
时间:2026-03-05
可调电阻怎么接线
时间:2026-03-05
压敏电阻有正负极吗
时间:2026-03-05
碳膜电阻如何识别_金属膜电阻器和碳膜电阻器...
时间:2026-03-05
变压器并列运行的条件浅析
时间:2026-03-06
电容器入门教程
时间:2026-03-05
电容的作用和工作原理 电容具有什么特点 简...
时间:2026-03-05
贴片电阻的阻值识别方法
时间:2026-03-05