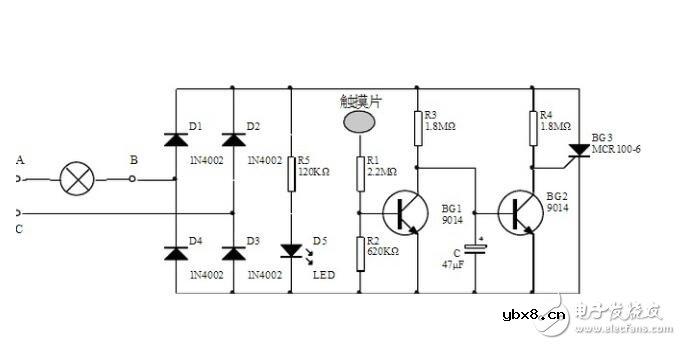
触摸式延时开关有一个金属感应片在外面,人一触摸就产生一个信号触发三极管导通,对一个电容充电,电容形成一个电压维持一个场效应管管导通灯泡发光。当把手拿开后,停止对电容充电,过一段时间电容放电完了,场效应管的栅极就成了低电势,进入截止状态,灯泡熄灭。
触摸式延时开关电路虚线右面是普通照明线路,左部是电子开关部分。VD1~VD4、VS组成开关的主回路,IC组成开关控制回路。平时,VS处于关断状态,灯不亮。VD1~VD4输出220V脉动直流电经R5限流,VD5稳压,C2滤波输出约12V左右的直流电供IC使用。此时LED发光,指示开关位置,便于夜间寻找开关。
IC为双D触发器,只用其中一个D触发器将其接成单稳态电路,稳态时1脚输出低电平,VS关断。当人手触摸一下电极M时,人体泄漏电流经R1、R2分压,其正半周使单稳态电路翻转,1脚输出高电平,经R4加到VS的门极,使VS开通,电灯点亮。这时1脚输出高电平经R3向电容C1充电,使4脚电平逐渐升高直至暂态结束,电路翻回稳态,1脚突变为低电平,VS失去触发电压,交流电过零时即关断,电灯熄灭

触摸式延时开关电路虚线右面是普通照明线路,左部是电子开关部分。VD1~VD4、VS组成开关的主回路,IC组成开关控制回路。平时,VS处于关断状态,灯不亮。VD1~VD4输出220V脉动直流电经R5限流,VD5稳压,C2滤波输出约12V左右的直流电供IC使用。此时LED发光,指示开关位置,便于夜间寻找开关。IC为双D触发器,只用其中一个D触发器将其接成单稳态电路,稳态时1脚输出低电平,VS关断。当人手触摸一下电极M时,人体泄漏电流经R1、R2分压,其正半周使单稳态电路翻转,1脚输出高电平,经R4加到VS的门极,使VS开通,电灯点亮。这时1脚输出高电平经R3向电容C1充电,使4脚电平逐渐升高直至暂态结束,电路翻回稳态,1脚突变为低电平,VS失去触发电压,交流电过零时即关断,电灯熄灭。

触摸延时开关电路图说明集成电路IC1是一片555定时电路,在这里接成单稳态电路。平时由于触摸片P端无感应电压,电容C1通过555第7脚放电完毕,第3脚输出为低电平,继电器KS释放,电灯不亮。当需要开灯时,用手触碰一下金属片P,人体感应的杂波信号电压由C2加至555的触发端,使555的输出由低变成高电平,继电器KS吸合,电灯点亮。同时,555第7脚内部截止,电源便通过R1给C1充电,这就是定时的开始。当电容C1上电压上升至电源电压的2/3时,555第7脚道通使C1放电,使第3脚输出由高电平变回到低电平,继电器释放,电灯熄灭,定时结束。定时长短由R1、C1决定:T1=1.1R1*C1。按图中所标数值,定时时间约为4分钟。D1可选用1N4148或1N4001。

声控开关安装接线方法_声控开关接线实物图
时间:2026-03-13
行程开关实物接线图
时间:2026-03-13
温度开关的分类_温度开关的选型
时间:2026-03-13
温度开关作用_温度开关检测及使用
时间:2026-03-13
温控开关坏了什么症状_温控开关怎么检测好坏
时间:2026-03-13
温控开关常开常闭区别
时间:2026-03-13
震动开关原理_震动开关的使用
时间:2026-03-13
四脚轻触开关原理和封装尺寸
时间:2026-03-13
轻触开关与薄膜开关的区别
时间:2026-03-13
薄膜开关基本结构_薄膜开关技术参数
时间:2026-03-13
电阻的标称阻值和允许偏差
时间:2026-03-05
玻璃釉电容器的结构与特点
时间:2026-03-05
关于STM32WL LSE 添加反馈电阻后无法起振的...
时间:2026-03-05
可调电阻怎么接线
时间:2026-03-05
压敏电阻有正负极吗
时间:2026-03-05
碳膜电阻如何识别_金属膜电阻器和碳膜电阻器...
时间:2026-03-05
变压器并列运行的条件浅析
时间:2026-03-06
电容器入门教程
时间:2026-03-05
电容的作用和工作原理 电容具有什么特点 简...
时间:2026-03-05
贴片电阻的阻值识别方法
时间:2026-03-05