Rds(ON)是MOSFET工作(启动)时,漏极D和源极S之间的电阻值。在上文中我们介绍了MOSFET在导通后,Rds(ON)的值不是一成不变的,主要取决于VGS的值。Rds(ON)的值一般都是在mΩ级别,当MOSFET电流达到最大时,则Rdson必然是最小的。对于MOSFET来说,Rdson越小,价格也就越贵。
即使Rds(ON)的值很小,但是如果MOSFET上流过的id电流很大,那么必然在MOSFET上产生损耗,我们称这个损耗为导通损耗。
我们看到,MOSFET的D-S之间有一个二极管,我们把这个二极管称为MOSFET的体二极管。假设正向:由D指向S,那么体二极管的方向是跟正向相反的,而且这个体二极管正向不导通,反向会导通。所以这个体二极管和普通二极管一样,也有钳位电压,实际钳位电压跟体二极管上流过的电流是有关系的,体二极管上流过的电流越大,则钳位电压越高,这是因为体二极管本身有内阻。有内阻必然也会产生损耗,我们把体二极管的功耗称之为续流损耗。
Rds(ON)有两个重要的特性:
① Rds(ON)与VGS的关系,随着VGS的增大,Rds(ON)逐渐减小。

② Rds(ON)与温度的关系,温度越高,Rds(ON)越大。温度特性会严重影响器件的工作特性,导致产品运行不稳定。

注释:Rds(ON)应该怎么测?
Rds(ON)的测试非常简单,就是使用欧姆定律关系。在datasheet中也定义了Rds(ON)的测试要求:

① VGS电压,因此需要有一台电源提供MOSFET的开启电压
② ID电流,要求在D-S有电流,因此就需要电源和负载来产生回路电流。
测试设备 :直流电源*2;高精度电子负载;万用表

测试步骤: 测试方法参考下图,使用直流电源1给G-S端供电,设置VGS电压。在D-S端串入直流电源2和负载,设置负载恒流模式和负载拉载值id,设置电源2电压。同时使用万用表测试D-S端电压。
环境搭建完成后,启动电源1、电源2、电子负载,记录此时的万用表电压即为V DS 。根据欧姆定律:Rds(ON)= V DS /id
注意事项:
① 电源1的设置电压一定要按照datasheet要求进行设置,保障mos处于打开状态
② 电源2的电压不要设置太高,不要超过VDS的最高承受电压。
如下图所示,是我们等效出来的MOSFET里面的寄生电容模型

5、1 Cgs电容
Cgs: 栅极和源极之间的等效电容。实际上控制电压输出后,就开始给电容Cgs开始充电,GS电容充电过程分三个阶段:
① 上电瞬间电容等效成短路,GS电容的内阻为0,几乎所有的电流,都从电容上走;
② GS电容没有充满的情况下,电流分别从电阻及电容流过,但主要的电流依旧从电容走;
③ 电容充满了,电流不从电容走,只有很小的电流从电阻走。

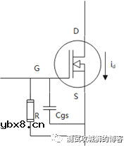
注释1:MOSFET的GS之间的下拉电阻
通常我们在查看电路图时,注意到在MOSFET的GS之间会并接一个电阻,这个电阻的主要作用有:
① 给mos管的cgs电容提供放电回路,确保MOSFET就只有两态,不是高就是低。
② 提供固定偏置,在前级开路时,这个电阻确保MOS有效的关断。假设控制信号的前级开路,此时D极上提供一个很高的电压,通过电容Cgd给电容Cgs进行充电,导致管子误导通,烧毁mos管
③ 有效防止雷击、静电损坏MOS。
综上GS下拉电阻范围10K~100K,原则上讲,高压系统可以取大一些,低压系统可以取小一些。正常情况下,建议大家取10K、18K、20K。(三极管的下拉电阻推荐为2k)
Cgd:栅极和漏极之间的等效电容。这个电容也称为米勒电容,臭名昭著的“米勒效应”也因此产生。米勒效应,实际上是有一个固有的转移特性:栅极的电压Vgs和漏极的电流Id保持一个比例关系。
产生的问题 :因为米勒电容的影响,造成mos管不能很快的进行开通和关断,中间有一段延迟时间。通过示波器测量VGS电压波形,会发现VGS波形在上升期间有一段平台,这个平台又称为米勒平台。(下图加粗线表示)
米勒平台大家首先想到的麻烦就是米勒振荡。(即,栅极先给Cgs充电,到达一定平台后再给Cgd充电)因为这个时候源级和漏级间电压迅速变化,内部电容相应迅速充放电,这些电流脉冲会导致mos寄生电感产生很大感抗,这里面就有电容,电感,电阻组成震荡电路,造成MOS误导通、烧毁、等问题.

产生问题的原因:
通过上图我们分析,在t0-t1这段时间内,VGS一开始随着栅极电荷的增加而增加,开始给Cgs充电,当电容达到门槛电压后,V GS =VGSth后,MOS开始进入导通状态。
在t1-t2这段时间内,MOS开始导通,此时的id就已经开始有电流,但是电流很小。此时的D极电压比G极电压高,电容Cgd是上正下负。
然后Vgs电压继续上升,Id也会继续上升,当上升到米勒平台电压Va的时候, 就会发生固有转移特性(Vgs不变,id也保持不变) 。
在t2-t3这段时间内,虽然栅极电荷继续增加,但是栅极电荷也有了另外一条通路(下图紫色标注通路),栅极电荷这个时间大部分用来给电容Cgd进行充电,导致VGS电压不在增加。此时的Cgd极性与漏极充电相反,即下正上负,因此也可理解为对Cgd反向放电,最终使得Vgd电压由负变正,结束米勒平台进入可变电阻区。米勒平台时间内,Vds开始下降,米勒平台的持续时间即为Vds电压从最大值下降到最小值的时间。
通过上图我们可以分析在米勒平台的这段时间内,VGS 和id都是保持不变的,VDS从最大值降到了最小值。所以刚进入米勒平台时,在MOS管上产生的导通损耗非常的大。我们假设VDS电压从12V减低到了0.5V,id=10A保持不变,可以计算导通功耗也从 120W变为5W,这个功率的变化时很大的,如果开通时间慢,意味着发热从120w到5w过渡的慢,mos结温会升高的厉害。所以开关越慢,结温越高,容易烧mos。

解决措施: GS极加电容,减慢mos管导通时间,有助于减小米勒振荡。防止mos管烧毁。过快的充电会导致激烈的米勒震荡,但过慢的充电虽减小了震荡,但会延长开关从而增加开关损耗。
Cds电容:源极和漏极之间的等效电容。
上面是MOSFET的等效模型,但是在MOSFET中是真实存在的,在datasheet·中我们看到的参数是这么表述的,具体关系如下:

Ciss 输入电容:Ciss = Cgd + Cgs
Coss 输出电容:Coss = Cgd + Cds
Crss 米勒电容:Crss = Cgd
6、MOS管的损耗有多少?
在之前的文章中我们介绍了Rdson造成的导通损耗,以及体二极管的续流损耗,此外主要还有开关损耗和栅极驱动损耗。

突破人形机器人控制器性能瓶颈:高效稳定的...
时间:2026-03-05
一文讲懂开关电源的阻尼振荡
时间:2026-03-05
使用过滤器电容器和诱导器来抑制受辐射的EM...
时间:2026-03-05
智能硬件遭遇销量困局 看社区O2O如何破解
时间:2026-03-05
物联网新时代,关于安全的5大错误认知
时间:2026-03-05
智能停车场一体化控制器方案简述
时间:2026-03-05
ZigBee应用于智能家居是否存在严重漏洞?
时间:2026-03-05
推动物联网发展,供电是基础设备的生命线
时间:2026-03-05
楼宇对讲走向标准化 四大发展方向明确
时间:2026-03-05
最帅“黑”科技:让普通手机可扫描3D
时间:2026-03-05
玻璃釉电容器的结构与特点
时间:2026-03-05
表贴电容的分类
时间:2026-03-05
关于STM32WL LSE 添加反馈电阻后无法起振的...
时间:2026-03-05
RI-80F型高压高阻玻璃釉膜电阻分压器
时间:2026-03-05
电阻的标称阻值和允许偏差
时间:2026-03-05
穿芯电容的形式_穿芯电容应用
时间:2026-03-05
电容器运行时温度过高的原因有哪些
时间:2026-03-05
固态电容的作用_固态电容的优点
时间:2026-03-05
电容在交流电路中是怎样工作的?
时间:2026-03-05
高压电容怎么测好坏_如何提高高压电容寿命
时间:2026-03-05