按钮式数字电位器的防抖动和重复动作问题解决方法
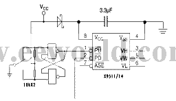
介绍按钮式数字电位器的防抖动和重复动作问题的一种解决方法,以及对数字电位器电压、电流、级数扩展问题的常见解决方法。 1 引言 数字电位器以其调节准确方便,使用寿命长,受物理环境影响小,性能稳定等特点,已被广大电子工程技术人员所认识。在数字电位器的家族中,X9511/14以其可用按钮直接控制的特点尤其受到青睐,本文欲针对应用开发人员对X9511/14在按钮控制过程中所出现的防抖动、和重复动作问题以及数字电位器通常遇到的问题作一简要探讨。 2 数字电位器简介 数字电位器是可用数字信号控制电位器滑动端位置的新型器件。一般分按钮控制和串行信号控制两种,下面以美国XICOR公司非易失性按钮控制数字电位器X9511为例简略介绍一下其原理。 X9511是数字电位器家族中的一种具有按钮控制,线性输出特点的产品,内部包含了31个电阻单元,32档输出滑动端,滑动端由输入到 、引脚的负脉冲控制它向VH或VL端滑动。滑动端位置可以被存储在非易失性的存储器EEPROM中,使其上电后能够自动恢复到原来的位置。X9511的管脚见表1,基本应用如图1(图中为X9511/14掉电自动存储滑动端位置的接法)。

图1 X9511基本应用

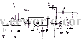
3 数字电位器在应用中经常遇到的问题 数字电位器在我国还是近几年出现的新型器件,许多人在实际应用中对其不够了解,从而出现许多疑问,下面就经常出现的三个问题略作探讨。 按钮控制的数字电位器常出现按钮按下次数及输出值与预测值不符。 数字电位器本身能够承受的电流和电压有限,需要扩展。 在实际应用中数字电位器的阻值范围及分辨率不够,需要扩展。 3.1 按钮控制数字电位器的防抖动和重复触发问题 上面的第一个问题所说按钮控制电位器的按键次数及输出值与预测不符,通常是其中某一档出现了重复触发动作,自然其按键次数和输出电位就会与预测值不符。出现这种现象的原因常是用了面包板做试验,或是使用了劣质按钮,造成接触不良,线路噪声加剧,或是人为按钮动作不规范引起。 美国XICOR公司提供的按钮式数字电位器的应用电路,直接用按钮来控制,就会有可能出现这些问题。X9511/14在其内部集成 了40ms延时的去抖动电路, 要求输入控制信号抖动时间短,信号有效时间在40ms~250ms之间,且在此期间不能出现干扰电平。但是由于实际应用情况不可预测,无法避免输入信号的抖动而造成输出的重复动作(按钮时间超过250ms也会造成输出的重复动作),而这却是许多人所不愿看到的。为了控制输入信号的抖动和噪声影响,在数字电位器的控制端加上触发器,如图2所示,试验结果使输出稳定性有了较为明显的提高,但仍要求按钮动作干脆利落,且线路无干扰,最终表现在输入信号干净无波动,否则不能避免重复触发。经过多次改进,图3电路则较好地决了以上问题。在按钮与控制输入端之间,加上如图3所示由一片与非门电路构成的单稳电路,具有成本低,电路简单,可防止抖动,并不会使输出重复动作的特点。

图2 加防抖触发器 图3中按钮K未动作时,控制端一定为稳定的高电平,一旦按钮按下,A点电位经电容C1通过电阻R1放电,到74HC00的输入低电平门限值,B点即为逻辑高,同时通过F点控制E点电平(D点原为高电平)翻转为低,启动X9511动作,此时由于电容C2电位不会立即变化,使D点保持原高电平不变,电容C2通过R2放电,经过一个暂态时间后到达门电路低电平门限值,使E点恢复高电平。之后无论按钮是否保持按下(使D点保持低),还是放开(F点为低),E点都将保持高电平状态。在暂态期间,E点低电平被锁定,即使电路在A点产生较强的电平抖动,也不会对输出有任何影响。由于电路在暂态时间内对噪声具有的屏蔽作用,而控制端低电平时 。

图3 加防抖单稳态电路 间超过250ms,X9511/14的输出将会有连续跳变。因此可以将R2值调整到使暂态时间控制在X9511不重复动作时间尽量长些的范围内(例如暂态时间可以在150ms~220ms之间),以屏蔽掉此期间可能有的噪声干扰。R2、C2的值可按暂态时间T的公式得到。 T=(R2+R0)·C2·Ln[(Vol-Voh) / (Vol-Vth)] 式中R0为74HC00的输出电阻; Vol为74HC00的低电平输出电压; Voh为74HC00的高电平输出电压; Vth为74HC00的高电平翻转门限电压 。
相关热词:
矩阵切换器的控制方式
时间:2026-03-05
降压转换器使用陶瓷输出电容器
时间:2026-03-05
金属膜电容和其他电容的简单分类
时间:2026-03-05
矩阵切换器的输入/输出阻抗
时间:2026-03-05
矩阵切换器的输入/输出电平
时间:2026-03-05
分配器的支持分辨率/传输距离
时间:2026-03-05
车载显示屏的屏幕比例
时间:2026-03-05
分配器的输入接口/输出接口
时间:2026-03-05
车载显示屏的屏幕尺寸
时间:2026-03-05
KVM切换器的切换方式
时间:2026-03-05
彩灯电路
时间:2026-03-05
三相异步电动机原理
时间:2026-03-04
转角测量电路
时间:2026-03-05
经典的正弦波发生电路
时间:2026-03-05
电动机单线远程正反转控制电路图
时间:2026-03-04
三相异步电动机的拆装详讲
时间:2026-03-04
三相异步电动机的七种调速方式
时间:2026-03-04
USB转232电路图
时间:2026-03-04
电度表的工作原理
时间:2026-03-04
电风扇红外遥控器2
时间:2026-03-04