延迟脉冲发生器
电工基础2026-03-07
延迟脉冲发生器 在这个电路中采用的三个555IC定时器构成一个简单的延使脉冲发生器,IC1充当波形整形器以产生一个矩形波,IC2产生一个延迟脉冲,在延迟脉冲的下降沿触发IC3,R1控制延迟时间,R1控制延迟时间,R2控制
具有可变占空比的脉冲发生器
电工基础2026-03-07
具有可变占空比的脉冲发生器
20-160M波段的简易直接转换接收机
电工基础2026-03-07
20-160M波段的简易直接转换接收机 T1和T2都是TOKO,所示的之间转换接收机采用一个由TOKO线圈构成的双调节输出网络,IC4(NE602)起一个可变频率振荡器和混频器的作用,可在音频范围内输出一个中频(IF)频率,IC2
27.145MHz的窄带调频(NBFM)接收机
电工基础2026-03-07
27.145MHz的窄带调频(NBFM)接收机 该电路采用一个Motoroia MC3363LSI(大规模集成电路)单片调频(FM)接收机,它是一个具有10.7KHZ中频(IP)电路的双重转换FM接收机,IC4提供能量驱动一个小扬声器。
甚低频(VLF)啸声信号接收器
电工基础2026-03-07
甚低频(VLF)啸声信号接收器 VLF啸声信号接收机用于接收频率低于20KHz的固有的自然界无线电噪声或信号,L1是一大的环形天线,线圈直径为3英寸,出250-300匝26耗线缠绕而成,L1需远离电源线,并适用于最小值为60或12
基本调幅(AM)接收电路
电工基础2026-03-07
基本调幅(AM)接收电路 采用单个ZN416EIC和一个ULN371RM,这个简单的射频调谐接收机能够驱动一个扬声器,两个1.5V的电池为该电路供电。
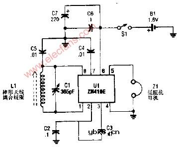
简易1.5V调幅广播接收机
电工基础2026-03-07
简易1.5V调幅广播接收机 该接收机采用通用电气公司(CEC)生产的ZN416E。通过C1实现调谐。
CMOS中继接收机
电工基础2026-03-07
CMOS中继接收机 该电路与一到CMOS的中继输入相连,电源电流的电压为5V时小于1MA,
NE602直接转换接收机
电工基础2026-03-07
NE602直接转换接收机 SE602作为一个具有中频输出的混频器,U2是一个音频放大器,接收机主要用于SSB和CW信号的接收,T1和T2是10.7KHz的中频线圈,用于AM/FM晶体管收音机,或任何类型的指示器中。
40M和80M段波的CW SSB接收机
电工基础2026-03-07
40M和80M段波的CW SSB接收机 该接收机采用TDA7000IC,并驱动一个LM386音频放大器,TDA7000被用作混频器和本机振荡器,频率控制器既可是可变空气电容器,也可是一变容二极管。
NE602射频输入电路
电工基础2026-03-07
NE602射频输入电路 这里列举了NE602的多种RF输入电路中的几个,对任何调谐或宽带电路都有效。
超简易的短波接收机
电工基础2026-03-07
超简易的短波接收机
晶体管调幅收音机
电工基础2026-03-07
晶体管调幅收音机 上图是一个典型的晶体管调幅收音机电路图,电路适用的是NPN晶体管,此电路很普遍,所以一些元件没有给出具体值,它常用作实验者的入门参考电路。
NE602超外差式前端电路
电工基础2026-03-07
NE602超外差式前端电路 适用NE602,一个滤波器和一个MCI350P集成电路,再加上少量元件,就可构成一个基本超外差式接收机的前端电路和中频系统,T1可以是262KHz,455KHz和10.7MHz等任何适合的中频变压器。
固态闩锁继电器
电工基础2026-03-07
固态闩锁继电器
固态继电器电路
电工基础2026-03-07
固态继电器电路 R1限制输入电流,Q1起到保护IC1的作用,D1为极性保护器,IC1提供一个三端双向可控硅开关元件的输出去触发主三端双向可控硅开关元件TR1.
短路开关工作原理
时间:2026-03-07
场效应晶体管开关电路
时间:2026-03-07
J-FET开关电路工作原理
时间:2026-03-07
MOS-FET开关电路
时间:2026-03-07
CMOS双向开关工作原理
时间:2026-03-07
振幅调制的传输方式
时间:2026-03-07
调幅信号的性质
时间:2026-03-07
调幅电路工作原理--高电平调幅电路
时间:2026-03-07
调幅电路工作原理--低电平调幅电路
时间:2026-03-07
检波的基本概念
时间:2026-03-07
彩灯电路
时间:2026-03-05
三相异步电动机原理
时间:2026-03-04
三相异步电动机的七种调速方式
时间:2026-03-04
转角测量电路
时间:2026-03-05
经典的正弦波发生电路
时间:2026-03-05
电动机单线远程正反转控制电路图
时间:2026-03-04
电度表的工作原理
时间:2026-03-04
电风扇红外遥控器2
时间:2026-03-04
三相异步电动机的拆装详讲
时间:2026-03-04
USB转232电路图
时间:2026-03-04