肖特基二极管型号和稳压管型号对应
电工问答2026-03-04
肖特基二极管型号和稳压管型号对应 经常看到很多板子上有M记的铁壳封装的稳压管,都是以美标的1N系列型号标识的,没有具体的电压值,刚才翻手册查了以下3V至51V的型号与电压的对照值,
电工问答2026-03-04
贴片肖特基二极管,什么是贴片肖特基二极管 肖特基二极管SS14 D-FIRST SK34 SMB 3A/40V,stock 3KPCS/盘 贴片肖特基二极管 D-FIRST SS54 SMC 5A/
双向触发二极管,双向触发二极管原理是什么
电工问答2026-03-04
双向触发二极管,双向触发二极管原理是什么 双向触发二极管亦称二端交流器件(DIAC),与双向晶闸管同时间世.由于它结构简单、价格低廉,所以常用来触发双向晶闸管,还可构成过压保护等电路。双向触发二极管的构造、
电工问答2026-03-04
双向触发二极管,双向触发二极管的作用是什么 双向触发二极管是与双向晶闸管同时问世的,常用来触发双向晶闸管。
DB3双向触发二极管,DB3双向触发二极管原理是什么
电工问答2026-03-04
DB3双向触发二极管,DB3双向触发二极管原理是什么 FEATURES VBO:32V and 40V LOW BREAKOVER CURRENTDESCRIPTION Functioning as a trigger diode with a fixed voltage reference, the DB3/DB4 series ca
双向触发二极管工作原理和主要参数有哪些?
电工问答2026-03-04
双向触发二极管工作原理和主要参数有哪些? 双向触发二极管(DIAC)属三层结构,具有对称性的二端半导体器件。常
电工问答2026-03-04
双向二极管起什么作用? 双向二极管一般是用两个二极管反并联组成的,在电路中与输入信号并联,主要起限压作用,当输入信号的幅度在0.5以下时,可以通过,当大于0.5以上时,二极管就开始导通,以免损坏电路的其它元器件和
电工问答2026-03-04
双向触发三极管,双向触发三极管是什么意思 双向触发三极管又称为三极管交流开关(TRIAC)。它是在五层双向开关二极管(DIAC,双向触发二极管)的基础上,再加上一个栅极所构成的一种三端开关器件。它的结构和
稳压(齐纳)二极管,稳压(齐纳)二极管原理/参数/检测
电工问答2026-03-04
稳压(齐纳)二极管,稳压(齐纳)二极管原理/参数/检测 稳压二极管是应用在反向击穿区的特殊的面接触型硅晶体二极管。稳压二极管的伏安特性曲线与硅二极管的伏安特性曲线完全一样,稳压二极管伏安特性曲线的反向区、符
电工问答2026-03-04
稳压二极管参数大全 稳压二极管的主要参数 (1)稳定电压Vz:稳定电压就是稳压二极管在正常工作时,管子两端的电压值。这个数值随工作电流和温度的不同略有改变,既是同一型号的稳压二极管,稳定电压值也有一定的
电工问答2026-03-04
稳压二极管的主要参数有哪些? (1)稳定电压Vz:稳定电压就是稳压二极管在正常工作时,管子两端的电压值。这个数值随工作电流和温度的不同略有改变,既是同一型号的稳压二极管,稳定电压值也有一定的分散性, 例如
稳压二极管的检测/应用
电工问答2026-03-04
稳压二极管的检测/应用 稳压二极管的检测 (1)正、负电极的判别 从外形上看,金属封装稳压二极管管体的正极一端为平面形,负极一端为半圆面形。塑封稳压二极管管体上印有彩色标记的一端为负极,另一端为正极。对
虚拟机系统的添加步骤
时间:2026-03-21
RC阻容吸收与RC位置不同有区别吗?
时间:2026-03-21
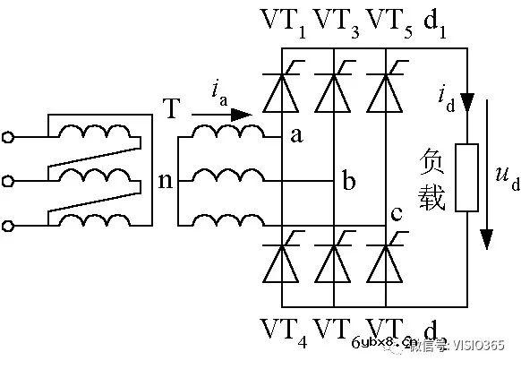
如何画三相桥式全控整流电路?
时间:2026-03-21
总结一下定时器的几种输出比较模式
时间:2026-03-21
谈谈电路板常用的几种胶
时间:2026-03-21
调压器的种类有哪些?如何选择可控硅调压器...
时间:2026-03-21
可控硅的使用寿命一般多久?
时间:2026-03-21
加热为什么要用可控硅
时间:2026-03-21
可控硅频繁烧坏什么原因?
时间:2026-03-21
可控硅开关频率
时间:2026-03-21
什么是追踪缓存/转接卡?
时间:2026-03-06
瞬间抑制二极管(TVS)/瞬间抑制二极管(TVS)是...
时间:2026-03-04
什么是Speculative execution/SQRT?
时间:2026-03-06
什么是联合并行处理二级缓存?
时间:2026-03-06
什么是EPIC
时间:2026-03-06
什么是因特网数据流单指令序列扩展?
时间:2026-03-06
什么是CPU的生产工艺技术/向下兼容?
时间:2026-03-06
EMC和ESD防护技术
时间:2026-03-05
坐标基准
时间:2026-03-07
GPS设备的地图功能
时间:2026-03-07