维修2026-03-08
12 / 2 页下一页
维修2026-03-08
1. 购买洗衣机首先注意的因素是什么?答:如价格、质量、品牌、功能、售后、容量、洗净比、是否节能节水、住所空间等,在此前提下选择合适的产品。2.洗衣机的洗涤原理是什么呢?答:它是由模拟人工搓衣服的原理发
图文解说微波炉的原理知识与维修。
维修2026-03-08
微波炉的原理与维修 12 / 2 页下一页
微波炉使用知识不看真的不安全
维修2026-03-08
微波炉里加热用的微波,作为一种电磁波,当然会“辐射”,但是别慌!只是一种能量很低的电磁辐射,很难造成生物伤害,跟致癌的电离辐射差远了!
维修工必须掌握的微波炉常见故障分析与检修。
维修2026-03-08
微波炉作为现代厨房电器的新宠,越来越普及地走进干家万户。微波炉以其加热速度快,省电且无污染等特点,确实给人们的生活带来方便。
微波炉辐射到底有多可怕?维修专家来告诉你有没有危害
维修2026-03-08
辐射泄露值,究竟有多大?国家规定,微波炉设备出厂前必须进行漏能鉴定,距设备外壳5厘米处,辐射值不得超过1000μw/cm2。也就是说,高于这个值才是一个危险的状态,低于这个值都是一个安全的状态。现在,就用辐射
扫描版小家电原理与维修微波炉电子版
维修2026-03-08
完整电子版教材如字体太小,可点击图片放大看 12 / 2 页下一页
《洗衣机维修从入门到精通》电子书PPT之三
维修2026-03-08
《洗衣机维修从入门到精通》电子书PPT之三 维修资料书。手机轻松学。如字体小,可点击图片放大看。
可便携式循环扇,只需3分钟,爽到不想开空调!
维修2026-03-08
看天气预报,全国都相继进入了高温烧烤模式。 更有网友吐槽:“每天出门只是两分钟,但出汗却要两小时!”
美的 TS-S1-13F-M1.1 机芯电磁炉分析与检修 ( 一 )
维修2026-03-08
美的TS-S1-13F-M1.1机芯电磁炉采用电磁炉超级芯片LC87FV708Z为核心构成,如图1所示。
机械电压力锅工作原理分析
维修2026-03-08
一、详细工作状态:1、通电后,定时器旋钮旋转到所需档位,保温开关、保压控制开关、过温保护器处于导通状态,电流从L端→保温开关→保压控制开关→过温保护器→发热盘→保险回到N端。(此时的定时器因被短路,不工
什么是电水壶温控器
维修2026-03-08
电水壶是我们日常用到的小家电,然而其内部组件和安全保护措施你可能并不太清楚,而一般电水壶安全保护措施必备的器件——电水壶温控器。
一台电压力锅死机的原因竟然是显示屏故障
维修2026-03-08
同行转修过来,说是死机,按键通通不起作用,按键已全部换新。插电试机,只有肉类按键所对应的指示灯常亮,并伴随蜂鸣器间隔报警声,按键均不起作用。开机维修,测供电5V正常,板子没有晶振,按以往经验,指示灯全
美的电磁炉通电无反应技改维修VIPer12A代换FSD200
维修2026-03-08
一美的电磁炉通电无反应,经查副电源烧坏。这个副电源采用的是FSD200芯片,不太常用。手头也没这个芯片,打算用常见的VIPer12A来进行代换。但是这两个芯片的引脚功能不太一样,必须改动电路才行。先拆除FSD200周边
电流互感器在电磁炉电流检测的应用
维修2026-03-08
电流检测的电路有很多,一般都是通过电流信号转化为电压信号,然后通过单片机AD口检测电压,对于大电压大电流场合一般都要降压处理后再进行检测,电流互感器就是这个原理,它利用的是电磁感应原理,将初级的大电流
电视正在消失?那还要不要买
维修2026-03-08
现如今电视在多数家庭中基本只是作为一种摆设存在,更多时候大家根本不会打开电视。有用户称,“电视可以不看,但一定要有......”
空气开关跳闸的原因及解决办法
时间:2026-03-13
空气开关和漏电保护器的区别
时间:2026-03-13
2p空气开关怎么接线_2p空气开关接线图详解
时间:2026-03-13
1p空气开关接线图详解
时间:2026-03-13
空气开关是什么_家用空气开关多少安
时间:2026-03-13
怎么选空气开关和漏电开关
时间:2026-03-13
热敏开关工作原理
时间:2026-03-13
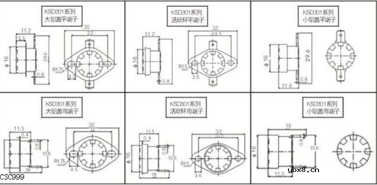
ksd301温控开关怎么知道坏不坏_ksd301温控开...
时间:2026-03-13
ksd301温控开关温控开关是什么
时间:2026-03-13
ksd301温控开关安装要注意哪些
时间:2026-03-13
豆浆机更换电机全过程
时间:2026-03-09
电信 IPTV 常见故障排除方法与检修实例 (三...
时间:2026-03-08
电工距离保护有几段?这解释合理不?
时间:2026-03-10
电工有三把锁,今天电工现场教你其中的一把...
时间:2026-03-10
九阳电压力锅维修过程
时间:2026-03-09
家里220伏电源如何启动380伏三相异步电动机...
时间:2026-03-10
电动机的工作原理是什么,一起回顾下中学时...
时间:2026-03-10
乙炔瓶爆炸,瞬间引燃仓库数百个钢瓶,场面...
时间:2026-03-09
洗衣机不能脱水的几种原因分析。
时间:2026-03-08
图解小天鹅全自动洗衣机各零部件及故障维修...
时间:2026-03-08