用变压器将220v改变成12v,经过整流能给12v的锂电池充电吗?
电子元件2026-03-06
绝对不可以! 锂电池由于其能量密度大,化学性质比较特殊等原因,出于安全和寿命的考虑,必须使用电源管理芯片,也就是充电芯片(charger IC) ;另外充电芯片可以最大程度优化充电曲线,再配合软件的算法,可以在快
调制解调器与电脑接口电路
时间:2026-03-07
数字温湿度传感器SHT11与CC2430应用接口电路
时间:2026-03-07
串行12位ADC(MAX187)与PC(电脑)之间的接口电...
时间:2026-03-07
电阻式触摸屏接口电路(S3C2410)
时间:2026-03-07
功率变换电路
时间:2026-03-07
正12V转负12V电路
时间:2026-03-07
用DAC0832产生锯齿波电路
时间:2026-03-07
矩形波电压发生器
时间:2026-03-07
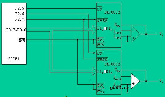
8031与DAC0832双缓冲方式接口电路
时间:2026-03-07
圣诞节彩灯电路
时间:2026-03-07
玻璃釉电容器的结构与特点
时间:2026-03-05
关于STM32WL LSE 添加反馈电阻后无法起振的...
时间:2026-03-05
电阻的标称阻值和允许偏差
时间:2026-03-05
使用过滤器电容器和诱导器来抑制受辐射的EM...
时间:2026-03-05
LED固晶机龙头直面“寒冬”
时间:2026-03-05
浅谈高压贴片电容分类与性能参数
时间:2026-03-05
聚四氟乙烯电容器的结构与特点
时间:2026-03-05
漆膜电容器的结构与特点
时间:2026-03-05
复合介质电容器的结构与特点
时间:2026-03-05
瓷介电容器的结构与特点
时间:2026-03-05