当前位置:首页 > 电工基础 > ICL7135 TAG关键词

 

    热门文章
    彩灯电路彩灯电路

    时间:2026-03-05

    三相异步电动机原理三相异步电动机原理

    时间:2026-03-04

    三相异步电动机的七种调速方式三相异步电动机的七种调速方式

    时间:2026-03-04

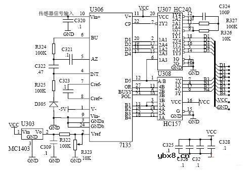
    转角测量电路转角测量电路

    时间:2026-03-05

    经典的正弦波发生电路经典的正弦波发生电路

    时间:2026-03-05

    电度表的工作原理电度表的工作原理

    时间:2026-03-04

    电风扇红外遥控器2电风扇红外遥控器2

    时间:2026-03-04

    电动机单线远程正反转控制电路图电动机单线远程正反转控制电路图

    时间:2026-03-04

    三相异步电动机的拆装详讲三相异步电动机的拆装详讲

    时间:2026-03-04

    USB转232电路图USB转232电路图

    时间:2026-03-04