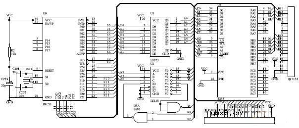
最小系统电路图
电工基础2026-03-07
最小系统(电源供电电路与I/O 扩展及选通电路) 本设计使用的最小系统板是以80C52 单片机为内核,并且具有良好的扩展性。CPU 外接11.0592MHz 的晶振,主要由74LS373 锁存电路、74LS138 译码电路以及按键、显示
普乐特MAM-SWF自动水位控制保护器直接起动自...
时间:2026-03-07
任丘东方DZ15D型潜水电泵保护器应用电路图
时间:2026-03-07
双华JDB02配电流互感器的应用电路图
时间:2026-03-07
双华JDB02全压起动电路图
时间:2026-03-07
双华JDB92全压起动电路图
时间:2026-03-07
双华JDB92自动星.三角起动电路图
时间:2026-03-07
双华JDB92自耦减压起动电路图
时间:2026-03-07
双华JDB-LQ-TQ-Z二次电流起动电路图
时间:2026-03-07
双华JDB-LQ-TQ全压起动电路图
时间:2026-03-07
双华JDB-LQ-TY二次电流起动电路图
时间:2026-03-07
彩灯电路
时间:2026-03-05
三相异步电动机原理
时间:2026-03-04
三相异步电动机的七种调速方式
时间:2026-03-04
转角测量电路
时间:2026-03-05
经典的正弦波发生电路
时间:2026-03-05
电度表的工作原理
时间:2026-03-04
电风扇红外遥控器2
时间:2026-03-04
电动机单线远程正反转控制电路图
时间:2026-03-04
三相异步电动机的拆装详讲
时间:2026-03-04
USB转232电路图
时间:2026-03-04