汽车安全系统中的摄像头技术
电工问答2026-03-07
在汽车行业,摄像头逐渐成为高级驾驶员辅助系统(ADDAS)的重要组成部分。这些摄像头用于多种用途,例如:交通标志识别、用于停车距离控制(PDC)和车道偏离警示系统(LDW)的后视系统。如今,许多新型车辆集
汽车安全与防御系统的设计
电工问答2026-03-07
随着人们生活水平的提高及个人财富的积累, 汽车逐渐变成了人们出行旅游的普遍的交通工具, 同时汽车被盗案例也屡见不鲜。因此如何保证个人或者集体汽车就成为迫切需要解决的问题。这就促使我们开发一种
复读机充电电路
时间:2026-03-07
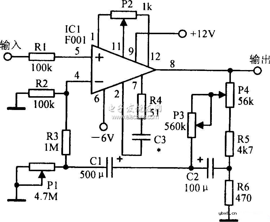
PID放大电路
时间:2026-03-07
发光二极管交替闪烁的电路图制作 详解发光二...
时间:2026-03-07
键盘控制计数电路原理图
时间:2026-03-07
如何控制三色发光二极管的变色 三色发光二极...
时间:2026-03-07
如何判断发光二极管电流方向 浅谈发光二极管...
时间:2026-03-07
发光二极管正向导通电压 浅析发光二极管电压...
时间:2026-03-07
红外线遥控防盗密码锁
时间:2026-03-07
发光二极管正向和反向电压的电路图
时间:2026-03-07
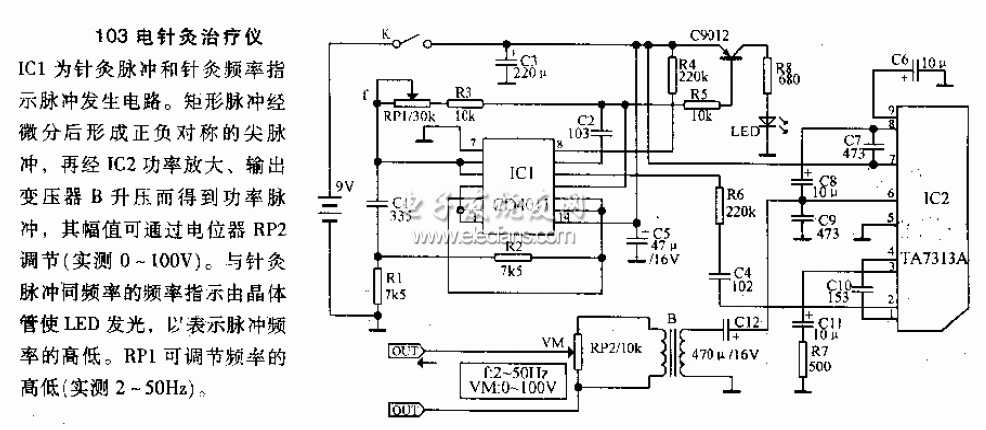
103电针灸治疗仪原理图
时间:2026-03-07
什么是追踪缓存/转接卡?
时间:2026-03-06
瞬间抑制二极管(TVS)/瞬间抑制二极管(TVS)是...
时间:2026-03-04
什么是EPIC
时间:2026-03-06
什么是联合并行处理二级缓存?
时间:2026-03-06
什么是Speculative execution/SQRT?
时间:2026-03-06
什么是霍尔传感器
时间:2026-03-05
双向二极管起什么作用?
时间:2026-03-04
半导体材料的主要种类有哪些?
时间:2026-03-04
高级封装,高级封装是什么意思
时间:2026-03-04
数字比较器,数字比较器是什么意思
时间:2026-03-04