SCSI硬盘之王希捷第三代捷豹15000转性能测试
电工问答2026-03-07
SCSI硬盘之王希捷第三代捷豹15000转性能测试 希捷在硬盘领域的表现: 2002年对于希捷来说是一个丰收之年,从最近希捷公布的2003会计年度第1季度的结算中可以看到,其联合结算的营业额为15亿7900万美元,而去年
电视机电路图详解(液晶彩电电路/液晶电视电...
时间:2026-03-07
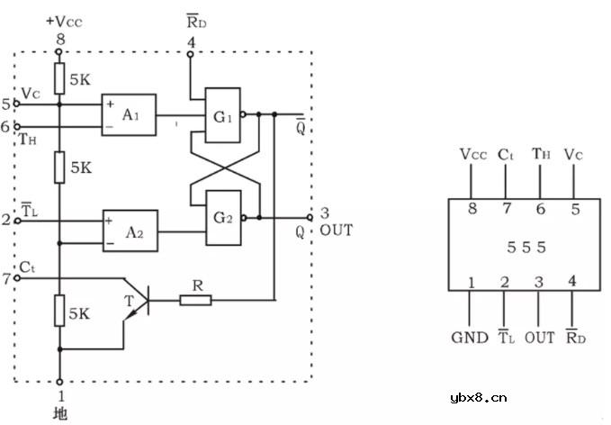
555集成电路原理图(555时基电路/555集成电...
时间:2026-03-07
定时器电路图工作原理(声光提示定时器电路...
时间:2026-03-07
温控电路图(电接点汞温度计控制电路/温控加...
时间:2026-03-07
温控电路图(电接点汞温度计控制电路 温控加...
时间:2026-03-07
富士通新型Quad SPI接口FRAM MB85RQ8MLX
时间:2026-03-07
数字时钟电路原理图分析
时间:2026-03-07
电风扇电路图及原理图
时间:2026-03-07
继电器开关电路接线图及原理
时间:2026-03-07
热水器电路图讲解和实物图
时间:2026-03-07
什么是追踪缓存/转接卡?
时间:2026-03-06
瞬间抑制二极管(TVS)/瞬间抑制二极管(TVS)是...
时间:2026-03-04
什么是EPIC
时间:2026-03-06
什么是联合并行处理二级缓存?
时间:2026-03-06
什么是Speculative execution/SQRT?
时间:2026-03-06
什么是霍尔传感器
时间:2026-03-05
双向二极管起什么作用?
时间:2026-03-04
半导体材料的主要种类有哪些?
时间:2026-03-04
高级封装,高级封装是什么意思
时间:2026-03-04
数字比较器,数字比较器是什么意思
时间:2026-03-04