电子元件2026-03-07
2013年6月5日,德国纽必堡讯——英飞凌科技股份公司(FSE: IFX / OTCQX: IFNNY)今日推出一系列可为移动电子系统提供一流静电释放(ESD)保护的瞬态电压抑制(TVS)器件。ESD102 TVS二极管和阵列器件具备非常
音频治疗仪电路模块设计
时间:2026-03-07
基于CC2430的ZigBee无线传感系统电路设计
时间:2026-03-07
揭秘STM32多路电压测量电路 —电路图天天读...
时间:2026-03-07
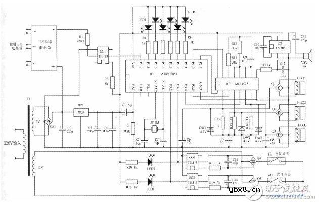
运用AT89C205l智能检测控制电路设计
时间:2026-03-07
DSP芯片TMS320F2812泄漏电流测试系统电路设...
时间:2026-03-07
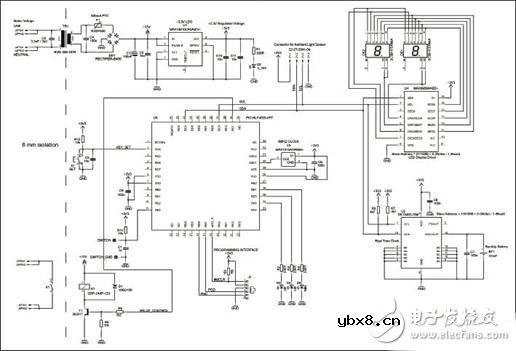
智能照明控制环境光测量与计时电路设计
时间:2026-03-07
交流耦合超高速数据线中ESD二极管的放置位置...
时间:2026-03-07
采用NE555定时器环境湿度测试仪系统电路设计
时间:2026-03-07
LIN总线端口ESD二极管核心选型要点
时间:2026-03-07
PCI总线集成电路测试仪接口电路设计
时间:2026-03-07
玻璃釉电容器的结构与特点
时间:2026-03-05
电容器入门教程
时间:2026-03-05
关于STM32WL LSE 添加反馈电阻后无法起振的...
时间:2026-03-05
暑期买元器件下单立减还送华为P30pro
时间:2026-03-05
电阻的标称阻值和允许偏差
时间:2026-03-05
使用过滤器电容器和诱导器来抑制受辐射的EM...
时间:2026-03-05
LED固晶机龙头直面“寒冬”
时间:2026-03-05
浅谈高压贴片电容分类与性能参数
时间:2026-03-05
聚四氟乙烯电容器的结构与特点
时间:2026-03-05
漆膜电容器的结构与特点
时间:2026-03-05