电子元件2026-03-05
ntc热敏电阻最大电流 NTC热敏电阻是一种基于热效应的半导体元件,可以用于测量或控制温度。在实际应用中,不同型号的NTC热敏电阻具有不同的最大电流,这取决于其自身的特性以及使用条件。
电子元件2026-03-05
热敏电阻可分为哪几类 热敏电阻是一种用于测量温度的电阻器件。它的电阻值随着温度的变化而变化,因此可以通过测量它的电阻值来确定温度。热敏电阻的应用非常广泛,例如温度控制、温度补偿、温度检测和过热保护等
NTC热敏电阻器是如何抑制浪涌电流呢?
电子元件2026-03-05
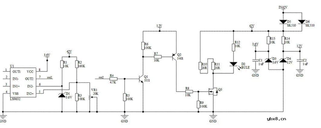
在很多电子电路中通常会采用NTC热敏电阻进行电路设计,而这种电路中热敏电阻器一般具有负温度系数的,温度升高后阻值下降,通常这种情况是PC开关电源中的抑制浪涌电路,电路中的NTC R1是NTC热敏电阻,很多情况下电
Sunlord板载式NTC热敏电阻—SDNC-G系列介绍
电子元件2026-03-05
概要 本产品开发主要是依托于光通信领域——数通、电信、服务器市场,主要应用于光模块组件光器件中,起到对光发射组件(TOSA)的温度检测。致冷器的冷端和激光器的热沉接触,热敏电阻作为传感器,探测激光器结
电子元件2026-03-05
打开很多电源电路板,经常能见到X、Y安规电容器、压敏电阻器、NTC热敏电阻等电子元器件同时使用,它们在电路中到底起什么作用呢?
请问一下如何用热敏开关控制热量积聚呢?
电子元件2026-03-05
热敏开关有助于减轻电子产品的损坏,防止工况恶化。本文重点介绍了用热敏开关控制热量积聚的3种方法。
ntc热敏电阻原理_ntc热敏电阻测温范围
电子元件2026-03-05
ntc热敏电阻原理 ntc热敏电阻原理是当电源开关打开时,NTC 热敏电阻处于冷态,电阻值较大,可有效抑制流经电阻体的浪涌脉冲电流,在浪涌脉冲电流和工作电流的双重作用下,NTC 热敏电用温度会上升,由于其
ntc热敏电阻使用方法_ntc热敏电阻型号含义
电子元件2026-03-05
ntc热敏电阻使用方法 NTC热敏电阻体积可以小到一粒绿豆那么大,但功能却非常重要。如果使用不当,就等同于玩火,毁坏整个电路或设备。
电子元件2026-03-05
ntc热敏电阻作用 NTC热敏电阻是一种负温度系数的电阻(功率型热敏电阻),其电阻值随温度增大而减小,广泛应用于开关电源、模块电源、温度传感器、电源、电子镇流器、自动调节加热等场所。
热敏电阻/PTC/NTC图形符号及电路图符号
电子元件2026-03-05
热敏电阻是利用导体的电阻隨温度变化的特性制成的测温元件,热敏电阻按阻值的温度系数可分为正温度系数热敏电阻和负温度系数热敏电阻
深度解析NTC热敏电阻进行对数分段曲线拟合的技术分析
电子元件2026-03-05
NTC热敏电阻是一种电阻式传感器,具有电阻温度系数大、型小体轻、热惯性小、稳定可靠、价格便宜、结构简单等特点,使它广泛应用于家庭空调、汽车空调、冷柜、冰箱等需要温度测量和控制的场合。但NTC热敏电阻是
音频放大电路中的负反馈电路
时间:2026-03-05
一文详解变压器运行方式及操作规则
时间:2026-03-05
浅谈弱电和强电系统
时间:2026-03-05
工艺可靠性电迁移EM测试
时间:2026-03-05
浅谈智能电网末端设备晃电的解决方案
时间:2026-03-05
变压器有哪些损耗呢?解释电涡流、磁滞、漏...
时间:2026-03-05
ntc热敏电阻最大电流
时间:2026-03-05
半导体热敏电阻包括哪些
时间:2026-03-05
功率热敏电阻详解
时间:2026-03-05
热电阻与热敏电阻的区别联系
时间:2026-03-05
关于STM32WL LSE 添加反馈电阻后无法起振的...
时间:2026-03-05
电阻的标称阻值和允许偏差
时间:2026-03-05
合金电阻与贴片电阻有什么区别?你知道合金...
时间:2026-03-05
3PEAK高压零漂放大器契合精密应用
时间:2026-03-05
零欧电阻的功能
时间:2026-03-05
PPTC热敏电阻在电池中的应用
时间:2026-03-05
水泥电阻规格及型号
时间:2026-03-05
气敏电阻的型号命名方法是怎样的
时间:2026-03-05
国巨片式电阻缺货涨价之应对方案 你要知道电...
时间:2026-03-05
RI-80F型高压高阻玻璃釉膜电阻分压器
时间:2026-03-05