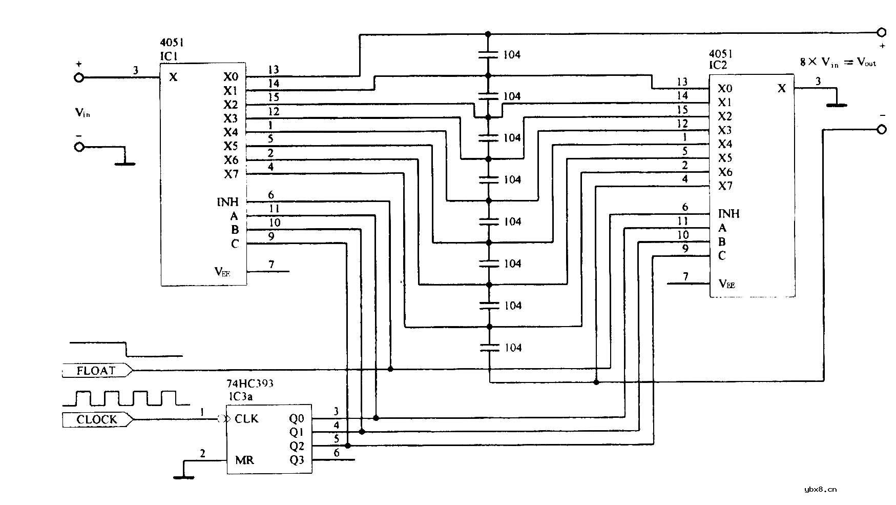
数字电路组成的放大电路图
电工基础2026-03-05
数字电路组成的放大电路图
电工基础2026-03-05
数字电路是什么意思? 现代的数字电路由半导体工艺制成的若干数字集成器件构造而成。逻辑门是数字逻辑电路的基本单元。存储器是用来存储二值数据的数字电路。从整体上看,数字电路可以分为组合逻辑电路和时序逻
详解X/Y安规电容作用及安全等级
时间:2026-03-05
去耦电容和bypass电容、滤波电容的原理和区...
时间:2026-03-05
信号电路与电源电路中去耦电容、旁路电容、...
时间:2026-03-05
旁路电容的作用与应用原理详解
时间:2026-03-05
片状三端子电容器的注意事项及使用技巧
时间:2026-03-05
瓷片电容104是多大 瓷片电容104耐压值是多少
时间:2026-03-05
详细瓷片电容规格/分类
时间:2026-03-05
陶瓷电容耐压不良失效分析及常见七大失效原...
时间:2026-03-05
中国超级电容器市场达100亿元
时间:2026-03-05
MLCC高容物料急剧短缺,跟三星note7爆炸案有...
时间:2026-03-05
彩灯电路
时间:2026-03-05
三相异步电动机原理
时间:2026-03-04
转角测量电路
时间:2026-03-05
经典的正弦波发生电路
时间:2026-03-05
三相异步电动机的七种调速方式
时间:2026-03-04
电度表的工作原理
时间:2026-03-04
电动机单线远程正反转控制电路图
时间:2026-03-04
三相异步电动机的拆装详讲
时间:2026-03-04
USB转232电路图
时间:2026-03-04
石英晶体钟脉冲发生器
时间:2026-03-05