分享一种MOS管及其外围电路设计方案
电子元件2026-03-05
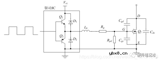
01 栅极驱动部分 常用的mos管驱动电路结构如图1所示,驱动信号经过图腾柱放大后,经过一个驱动电阻Rg给mos管驱动。其中Lk是驱动回路的感抗,一般包含mos管引脚的感抗,PCB走线的感抗等。在现在很多的应用中,
分享一种MOS管及其外围电路设计方案
电子元件2026-03-05
01 栅极驱动部分 常用的mos管驱动电路结构如图1所示,驱动信号经过图腾柱放大后,经过一个驱动电阻Rg给mos管驱动。其中Lk是驱动回路的感抗,一般包含mos管引脚的感抗,PCB走线的感抗等。在现在很多的应用中,
分享一种MOS管及其外围电路设计方案
电子元件2026-03-05
01 栅极驱动部分 常用的mos管驱动电路结构如图1所示,驱动信号经过图腾柱放大后,经过一个驱动电阻Rg给mos管驱动。其中Lk是驱动回路的感抗,一般包含mos管引脚的感抗,PCB走线的感抗等。在现在很多的应用中,
突破人形机器人控制器性能瓶颈:高效稳定的...
时间:2026-03-05
一文讲懂开关电源的阻尼振荡
时间:2026-03-05
使用过滤器电容器和诱导器来抑制受辐射的EM...
时间:2026-03-05
智能硬件遭遇销量困局 看社区O2O如何破解
时间:2026-03-05
物联网新时代,关于安全的5大错误认知
时间:2026-03-05
智能停车场一体化控制器方案简述
时间:2026-03-05
ZigBee应用于智能家居是否存在严重漏洞?
时间:2026-03-05
推动物联网发展,供电是基础设备的生命线
时间:2026-03-05
楼宇对讲走向标准化 四大发展方向明确
时间:2026-03-05
最帅“黑”科技:让普通手机可扫描3D
时间:2026-03-05
玻璃釉电容器的结构与特点
时间:2026-03-05
表贴电容的分类
时间:2026-03-05
关于STM32WL LSE 添加反馈电阻后无法起振的...
时间:2026-03-05
绝缘电阻表原理_绝缘电阻表的作用
时间:2026-03-05
RI-80F型高压高阻玻璃釉膜电阻分压器
时间:2026-03-05
电阻的标称阻值和允许偏差
时间:2026-03-05
穿芯电容的形式_穿芯电容应用
时间:2026-03-05
电容器运行时温度过高的原因有哪些
时间:2026-03-05
固态电容的作用_固态电容的优点
时间:2026-03-05
电容在交流电路中是怎样工作的?
时间:2026-03-05