长度检测电路,厚度检测电路
时间:2026-03-06
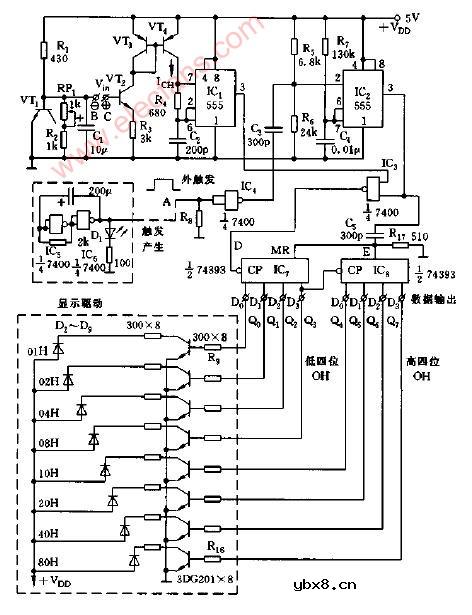
AD转换器电路图
时间:2026-03-06
EPROM紫外线擦除器电路图
时间:2026-03-06
单板机自动复位电路图
时间:2026-03-06
单片机复位电路图
时间:2026-03-06
电力系统用频率、相位检测接口板电路图
时间:2026-03-06
计算机CPU运行故障音响监视器电路图
时间:2026-03-06
可编程定时、分频两用电路图
时间:2026-03-06
可与微机接口的电压频率转换器电路图
时间:2026-03-06
离散脉冲形成电路图
时间:2026-03-06
彩灯电路
时间:2026-03-05
三相异步电动机原理
时间:2026-03-04
转角测量电路
时间:2026-03-05
经典的正弦波发生电路
时间:2026-03-05
袖珍节拍器电路图
时间:2026-03-05
电度表的工作原理
时间:2026-03-04
电动机单线远程正反转控制电路图
时间:2026-03-04
三相异步电动机的拆装详讲
时间:2026-03-04
三相异步电动机的七种调速方式
时间:2026-03-04
USB转232电路图
时间:2026-03-04