灵敏的频移解调器
电工基础2026-03-06
灵敏的频移解调器
数字式频移解调器
电工基础2026-03-06
数字式频移解调器
用有源滤波器构成的频移解调器
电工基础2026-03-06
用有源滤波器构成的频移解调器
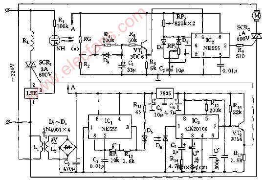
直流电焊机节能自动开关电路图
时间:2026-03-06
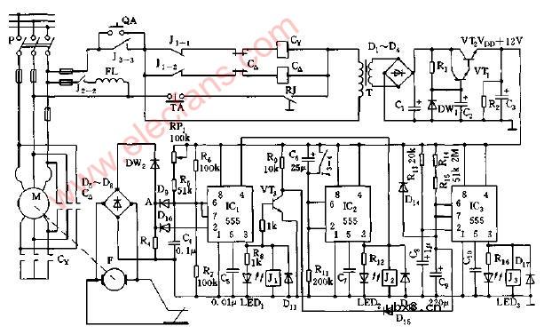
直流马达点焊机节电装置电路图
时间:2026-03-06
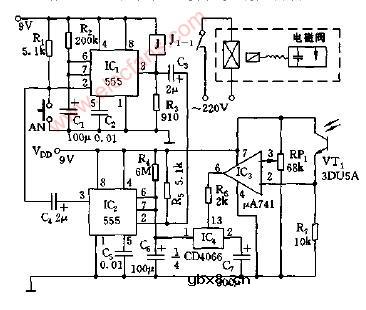
自动冲厕节水控制器电路图
时间:2026-03-06
自动电子延时开关电路图
时间:2026-03-06
自动跟踪太阳光控制器电路图
时间:2026-03-06
自动微风远红外干手器电路图
时间:2026-03-06
了解WT32-SC01触摸屏显示器
时间:2026-03-06
走廊、楼梯节电灯电路图
时间:2026-03-06
CO气泄漏报警电路图
时间:2026-03-06
八路数字显示优先报警器电路图
时间:2026-03-06
彩灯电路
时间:2026-03-05
三相异步电动机原理
时间:2026-03-04
转角测量电路
时间:2026-03-05
经典的正弦波发生电路
时间:2026-03-05
袖珍节拍器电路图
时间:2026-03-05
电度表的工作原理
时间:2026-03-04
电动机单线远程正反转控制电路图
时间:2026-03-04
三相异步电动机的拆装详讲
时间:2026-03-04
三相异步电动机的七种调速方式
时间:2026-03-04
USB转232电路图
时间:2026-03-04