电工问答2026-03-06
苹果在早几天的发布会上推出了13寸Retina MacBook Pro。虽然这款产品并没有配备15寸Retina MacBook Pro的独立显卡,但这款设备的内部仍然有很多看点,相信很多朋友也想知道13英寸版内部和15英寸的布局区别。
3按钮手动星三角起动控制电路
时间:2026-03-07
电动机星三角降压启动电路
时间:2026-03-07
QX3-13型星三角降压启动器电路
时间:2026-03-07
星三角降压起动控制电路
时间:2026-03-07
全自动星三角减压启动、反接制动电路
时间:2026-03-07
星三角起动控制线路
时间:2026-03-07
按钮、接触器控制星三角降压启动控制电路
时间:2026-03-07
使用断星合三角隔延时的星三角启动电路
时间:2026-03-07
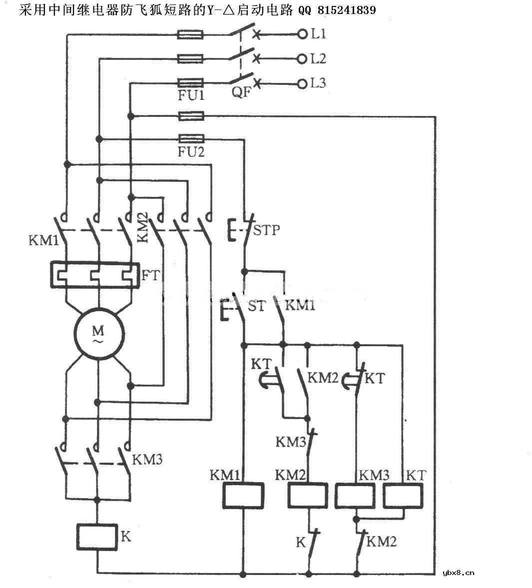
使用中间继电器防飞弧短路的Y星三角启动电路
时间:2026-03-07
电动机不带电切换的星三角启动电路
时间:2026-03-07
什么是追踪缓存/转接卡?
时间:2026-03-06
瞬间抑制二极管(TVS)/瞬间抑制二极管(TVS)是...
时间:2026-03-04
什么是EPIC
时间:2026-03-06
什么是联合并行处理二级缓存?
时间:2026-03-06
什么是Speculative execution/SQRT?
时间:2026-03-06
什么是霍尔传感器
时间:2026-03-05
双向二极管起什么作用?
时间:2026-03-04
半导体材料的主要种类有哪些?
时间:2026-03-04
高级封装,高级封装是什么意思
时间:2026-03-04
数字比较器,数字比较器是什么意思
时间:2026-03-04