分析变压器的三种整流方式
电子元件2026-03-06
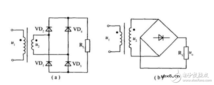
关于整流电路这个概念我们可能都有听过,这种电路的能力就是将交流电路转换称直流电能的形式。在变压器当中,通常需要进行整流才能完成直流电的输出。这个过程当中,整流桥则是必不可少的。整流桥,就是将桥式整流
红外光敏二极管警灯电路图
时间:2026-03-06
集成温度传感器的串联电路图
时间:2026-03-06
简单的亮通开关电路图
时间:2026-03-06
灵敏度可调节的光电继电路图
时间:2026-03-06
码盘光电线电路图
时间:2026-03-06
能避免光电继电器动作频繁产生干扰的电路图
时间:2026-03-06
配用二进制编码器的光控电路图
时间:2026-03-06
驱动大功率单向晶闸管电路图
时间:2026-03-06
驱动大功率双向晶闸管电路图
时间:2026-03-06
全波小功率高压开关电路图
时间:2026-03-06
玻璃釉电容器的结构与特点
时间:2026-03-05
关于STM32WL LSE 添加反馈电阻后无法起振的...
时间:2026-03-05
电阻的标称阻值和允许偏差
时间:2026-03-05
使用过滤器电容器和诱导器来抑制受辐射的EM...
时间:2026-03-05
瓷片电容的意义以及电容抗扰电路设计与分析
时间:2026-03-05
电容电感区别在哪里?特性差异是什么?可编...
时间:2026-03-05
浅谈高压贴片电容分类与性能参数
时间:2026-03-05
聚四氟乙烯电容器的结构与特点
时间:2026-03-05
漆膜电容器的结构与特点
时间:2026-03-05
复合介质电容器的结构与特点
时间:2026-03-05