快恢复二极管(简称FRD)是一种具有开关特性好、反向恢复时间短特点的半导体二极管,主要应用于开关电源、PWM脉宽调制器、变频器等电子电路中,作为高频整流二极管、续流二极管或阻尼二极管使用。
与普通PN结二极管不同,它属于PIN结型二极管,即在P型硅材料与N型硅材料中间增加了基区I,构成PIN硅片。因基区很薄,反向恢复电荷很小,所以快恢复二极管的反向恢复时间较短,正向压降较低,反向击穿电压(耐压值)较高
通常,5~20A的快恢复二极管管采用TO–220FP塑料封装,20A以上的大功率快恢复二极管采用顶部带金属散热片的TO–3P塑料封装,5A以下的快恢复二极管则采用DO–41、DO–15或DO–27等规格塑料封装。
采用TO–220或TO–3P封装的大功率快恢复二极管,有单管和双管之分。双管的管脚引出方式又分为共阳和共阴。

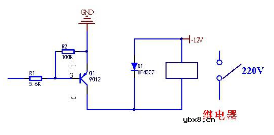
1、快恢复二极管在继电器方面的应用
如下图,在继电器两端并联一个UF4007,它的反向重复峰值电压1000V、正向浪涌电流30A。继电器线圈是可以储存能量的,一旦线圈断电,它两端就会产生很大的反向电动势,如果在线圈两端并联一个快恢复二极管,使它产生一个回路,电动势通过这个回路使线圈储存的能量泄放。

2、快恢复二极管在IGBT开关管的应用
如下图是电磁炉全桥控制的LC振荡电路,Q1-Q4相互导通,在导通-关断过程中,会产生能量,这个二极管经常被称为寄生二极管或者续流二极管,IGBT作为开关用时候一般电压达到上千伏,因此肖特基二极管不适合。

3、快恢复二极管在BOOST升压等开关电源应用
1)如下图是BOOST升压电路,FR154为400V/1.5A快恢复二极管,起到防止电流倒灌作用
2)在RCD等钳位吸收回路应用,如下图D1/UF4007与R1、C2组成吸收回路

二、肖特基二极管
而肖特基二极管,简称SBD,它不是利用PN结原理制作的,它是以金属为正极,以N型半导体为负极,利用二者接触面上形成的势垒具有整流特性而制成的一种半导体器件,是一种热载流子二极管,肖特基二极管在电路中主要是作整流二极管、续流二极管、保护二极管等,主要用在低电压、大电流的电路中,如开关电源、变频器、逆变器、微波通信
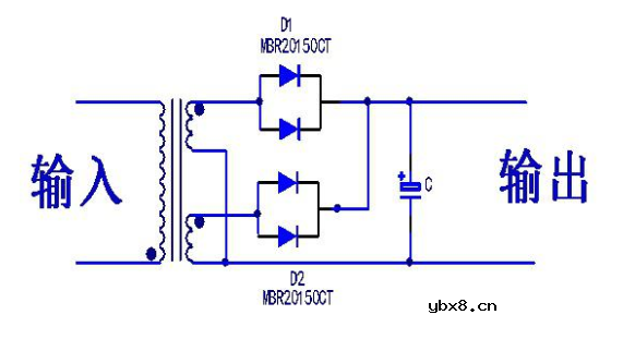
1、肖特基二极管在开关电源的应用
如下图,开关电源整流采用D1和D2是整流对管MBR20150CT(20A 150V), 这样可把二次绕组以及整流管损耗降至一定限度

三、快恢复二极管与肖特基二极管特点
1、快恢复二极管的反向恢复时间为几百纳秒,而肖特基二极管比它快,甚至几纳秒;
2、快恢复二极管的反向击穿电压高,一般都高于200V,甚至几千伏,而肖特基二极管的反向击穿电压很低,普遍在100以下,有些会高一点;
3、快恢复二极管的功耗较大,而肖特基二极管反向恢复时间短、损耗小、噪声低。
快恢复二极管是指反向恢复时间很短的二极管(5us以下),工艺上多采用掺金措施,结构上有采用PN结型结构,有的采用改进的PIN结构。其正向压降高于普通二极管(1-2V),反向耐压多在1200V以下。从性能上可分为快恢复和超快恢复两个等级。前者反向恢复时间为数百纳秒或更长,后者则在100纳秒以下。
肖特基二极管是以金属和半导体接触形成的势垒为基础的二极管,简称肖特基二极管(Schottky Barrier Diode),具有正向压降低(0.4--0.5V)、反向恢复时间很短(10-40纳秒),而且反向漏电流较大,耐压低,一般低于150V,多用于低电压场合。
这两种管子通常用于开关电源。
肖特基二极管和快恢复二极管区别:前者的恢复时间比后者小一百倍左右,前者的反向恢复时间大约为几纳秒~!
前者的优点还有低功耗,大电流,超高速~!电气特性当然都是二极管阿~!
快恢复二极管在制造工艺上采用掺金,单纯的扩散等工艺,可获得较高的开关速度,同时也能得到较高的耐压。目前快恢复二极管主要应用在逆变电源中做整流元件。
肖特基二极管:反向耐压值较低40V-50V,通态压降0.3-0.6V,小于10nS的反向恢复时间。它是具有肖特基特性的“金属半导体结”的二极管。其正向起始电压较低。其金属层除材料外,还可以采用金、钼、镍、钛等材料。其半导体材料采用硅或砷化镓,多为N型半导体。这种器件是由多数载流子导电的,所以,其反向饱和电流较以少数载流子导电的PN结大得多。由于肖特基二极管中少数载流子的存贮效应甚微,所以其频率响仅为RC时间常数限制,因而,它是高频和快速开关的理想器件。其工作频率可达100GHz。并且,MIS(金属-绝缘体-半导体)肖特基二极管可以用来制作太阳能电池或发光二极管。
快恢复二极管:有0.8-1.1V的正向导通压降,35-85nS的反向恢复时间,在导通和截止之间迅速转换,提高了器件的使用频率并改善了波形。快恢复二极管在制造工艺上采用掺金,单纯的扩散等工艺,可获得较高的开关速度,同时也能得到较高的耐压。目前快恢复二极管主要应用在逆变电源中做整流元件。
快速恢复二极管,顾名思义,是比普通二极管PN结的单向导通阀门恢复快的二极管!用途也很广
分享几个经典的通讯电平转换电路
时间:2026-03-07
为啥找到的混频器变频损耗为什么做不到更小...
时间:2026-03-07
整流器是如何将交流信号转换为脉冲信号的呢...
时间:2026-03-07
IBIS模型入门介绍
时间:2026-03-07
二极管“天马行空”的作用,你知道吗?
时间:2026-03-07
Nexperia超低结电容ESD保护二极管保护汽车数...
时间:2026-03-07
三极管驱动继电器时并联二极管的作用
时间:2026-03-07
基于二极管桥的差分电容读出电路分析
时间:2026-03-07
二极管的最大整流电流是什么 二极管最大整流...
时间:2026-03-07
单相整流电路中二极管承受的反向电压最大值...
时间:2026-03-07
玻璃釉电容器的结构与特点
时间:2026-03-05
电容器入门教程
时间:2026-03-05
关于STM32WL LSE 添加反馈电阻后无法起振的...
时间:2026-03-05
暑期买元器件下单立减还送华为P30pro
时间:2026-03-05
电阻的标称阻值和允许偏差
时间:2026-03-05
使用过滤器电容器和诱导器来抑制受辐射的EM...
时间:2026-03-05
LED固晶机龙头直面“寒冬”
时间:2026-03-05
浅谈高压贴片电容分类与性能参数
时间:2026-03-05
聚四氟乙烯电容器的结构与特点
时间:2026-03-05
漆膜电容器的结构与特点
时间:2026-03-05