定时器根据其输入条件导致完成动作的不同可分为接通延时型定时器、断开延时型定时器、保持型接通延时定时器、脉冲型定时器和扩张型脉冲定时器五种。
一、声光提示定时器电路

声光提示定时器具有定时工作指示灯,在定时结束时同时发出声、光提示。声光提示定时器电路如图1-62所示,由单向晶闸管VS和晶体管VT 1 ~VT 3 等组成,VD 2 和VD 3 是发光二极管,HA是自带音源讯响器,S是电源开关,SB是启动按钮。
晶体管VT 1 、VT 2 等构成单稳态触发器,定时时间取决于单稳态触发器的输出脉宽 T W ,由 C 1 经 R 2 的放电时间决定, T W =0.7 R 2 C 1 。
晶体管VT 3 、单向晶闸管VS等构成指示和提示电路。绿色发光二极管VD 2 为定时器工作指示灯,由晶体管VT 3 控制, R 8 为其限流电阻。红色发光二极管VD 3 为定时结束提示灯, R 9 为其限流电阻。VD 3 与自带音源讯响器HA均由晶闸管VS控制。
应用定时器时,按一下启动按钮SB,触发单稳态触发器翻转至暂稳态,VT 2 集电极输出高电平,使晶体管VT 3 导通,VD 2 发光(绿色)表示定时器已工作。此时晶闸管VS因控制极无触发电压而截止,VD 3 不发光,HA不发声。
定时结束时,单稳态触发器自动回复稳态,VT 2 集电极输出为“0”,使晶体管VT 3 截止,VD 2 熄灭。同时VT 3 的集电极电压加至晶闸管VS控制极,触发VS导通,使VD 3 发光(红色)、HA发声,提示定时已结束。切断电源开关S后,提示声光停止。
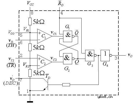
二、555定时器电路

555 定时器的功能主要由两个比较器决定。两个比较器的输出电压控制 RS 触发器和放电管的状态。在电源与地之间加上电压,当 5 脚悬空时,则电压比较器 C1 的同相输入端的电压为 2VCC /3,C2 的反相输入端的电压为VCC 若触发输入端 TR 的电压小于VCC /3,则比较器C2 的输出为 0,可使 RS 触发器置 1,使输出端 OUT=1。如果阈值输入端 TH 的电压大于 2VCC/3,同时TR 端的电压大于VCC /3,则 C1 的输出为 0,C2 的输出为 1,可将 RS 触发器置 0,使输出为 0 电平。
三、相片曝光定时器电路

电源接通后,定时器进入稳态。此时定时电容CT的电压为:VCT=VCC=6V。对555这个等效触发器来讲,两个输入都是高电平,即VS=0。继电器KA不吸合,常开点是打开的,曝光照明灯HL不亮。
按一下按钮开关SB之后,定时电容CT立即放到电压为零。于是此时555电路等效触发的输入成为:R=0、S=0,它的输出就成高电平:V0=1。继电器KA吸动,常开接点闭合,曝光照明灯点亮。按钮开关按一下后立即放开,于是电源电压就通过RT向电容CT充电,暂稳态开始。当电容CT上的电压升到2/3VCC既4伏时,定时时间已到,555等效电路触发器的输入为:R=1、S=1,于是输出又翻转成低电平:V0=0。继电器KA释放,曝光灯HL熄灭。暂稳态结束,有恢复到稳态。
责任编辑:pj
相关热词:#发光二极管
关于带灯电源开关里面用的发光二极管批示灯...
时间:2026-03-07
硬件工程师入门的基础元器件知识
时间:2026-03-07
硬件工程师入门基础元器件与电路原理
时间:2026-03-07
理想二极管大幅改善光伏快速关断器/优化器寿...
时间:2026-03-07
A22: 分立半导体器件知识与应用专题--二极...
时间:2026-03-07
一起来学习升压型(Boost or Step-up)开关...
时间:2026-03-07
19招电路(5V转3.3V)方案,运用起来非常棒
时间:2026-03-07
电路符号、标识快速区分二极管的极性
时间:2026-03-07
微波混频电路仿真设计
时间:2026-03-07
一文详解变压器的连接方法和联结组别
时间:2026-03-07
彩灯电路
时间:2026-03-05
电动机单线远程正反转控制电路图
时间:2026-03-04
三相异步电动机原理
时间:2026-03-04
三相异步电动机的拆装详讲
时间:2026-03-04
USB转232电路图
时间:2026-03-04
三相异步电动机的七种调速方式
时间:2026-03-04
转角测量电路
时间:2026-03-05
经典的正弦波发生电路
时间:2026-03-05
电度表的工作原理
时间:2026-03-04
电风扇红外遥控器2
时间:2026-03-04