555集成电路控制方式比较简单,使用可靠、寿命长,是一种价格低、体积小、便于自制的光电控制开关电路。可用于工业生产和家用电器等的控制。
一、555时基电路

555时基电路是一种数字、模拟混合型的中规模集成电路,其电路类型有双极型和CMOS型两大类,结构与工作原理类似。双极型产品型号最后的三位数码是555或556;CMOS产品型号最后四位数码是7555或7556,二者的逻辑功能和引脚排列完全相同,易于互换。555和7555是单定时器。556和7556是双定时器。双极型的电源电压VCC=+5V~+15V,输出的最大电流可达200mA,CMOS型的电源电压为+3~+18V。
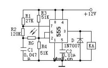
二、555集成电路

无光照射时,光敏电阻RG 的阻值很大(1MΩ以上),555 集成电路的2脚、6脚电压约为电源电压的1/2(6V),3 脚输出低电平,KA线圈无电,继电器释放。当有光线照射到光敏电阻RG上时, RG 阻值会大幅下降(小于10KΩ),555的2脚、6脚电压降到电源电压的1/3(4V)以下,3脚输出高电平,KA 线圈得电,继电器吸合,即使光照消失,KA仍保持吸合状态。其后,如再有光线照射到光敏电阻RG 上,则电容C1 储存的电压通过RG加到555 的6脚,使6脚的电压大于电源电压的2/3(8V),3脚输出低电平,KA 线圈失电,继电器释放,电路恢复到原始状态。光敏电阻RG每受光照射一次,电路的开关状态就转换一次。
三、555定时器单稳态触发器电路

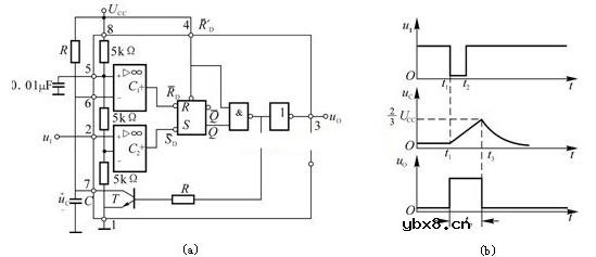
图(a)所示为用555定时器构成的单稳态触发器,R、C为外接元件,触发脉冲u1由2端输入。5端不用时一般通过0.01uF电容接地,以防干扰。
(1) 稳态
接通电源后,经R给电容C充电,当uc上升到大于时,基本RS触发器复位,输出u0=0。同时,晶体管T导通,使电容C放电。此后uc则u0保持0状态。电路将一直处于这一稳定状态。
(2) 暂稳态
在t=t1瞬间,2端输入一个负脉冲,即u1在t=t2时刻,触发负脉冲消失若ucD=1,/SD=1,基本RS触发器保持原状态,u0仍为高电平。
在t=t3时刻,当uc上升略高于时,/RD=0,/SD=1,基本RS触发器复位,输出u0=0,回到初始稳态。同时,晶体管T导通,电容C通过T迅速放电直至uc为0。这时/RD=1,/SD=1,电路为下次翻转做好了准备。
输出脉冲宽度tp为暂稳态的持续时间,即电容C的电压从0充至所需的时间。
责任编辑:pj
相关热词:#集成电路
硬件工程师入门的基础元器件知识
时间:2026-03-07
硬件工程师入门基础元器件与电路原理
时间:2026-03-07
理想二极管大幅改善光伏快速关断器/优化器寿...
时间:2026-03-07
A22: 分立半导体器件知识与应用专题--二极...
时间:2026-03-07
一起来学习升压型(Boost or Step-up)开关...
时间:2026-03-07
19招电路(5V转3.3V)方案,运用起来非常棒
时间:2026-03-07
电路符号、标识快速区分二极管的极性
时间:2026-03-07
微波混频电路仿真设计
时间:2026-03-07
一文详解变压器的连接方法和联结组别
时间:2026-03-07
电源电路设计:详解线性电源和开关电源
时间:2026-03-07
彩灯电路
时间:2026-03-05
电动机单线远程正反转控制电路图
时间:2026-03-04
三相异步电动机原理
时间:2026-03-04
三相异步电动机的拆装详讲
时间:2026-03-04
USB转232电路图
时间:2026-03-04
三相异步电动机的七种调速方式
时间:2026-03-04
转角测量电路
时间:2026-03-05
经典的正弦波发生电路
时间:2026-03-05
电度表的工作原理
时间:2026-03-04
电风扇红外遥控器2
时间:2026-03-04