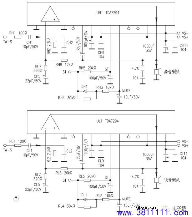
后级功率放大部分 从低音分频电路过来的WF-S低音信号输入UL1的3脚,放大后的信号从UL1的14脚输出到低音扬声器。从高音压限电路过来的TW-S高音信号输入UH1的3脚,放大后的信号从UH1的14脚输出到高音扬声器。功放芯片的9脚、10脚是待机和静噪控制脚,高电平时,芯片正常工作。音箱中,芯片的这二个脚电压由ST(待机)信号控制(电路如图7所示)。
图7 电源及其他部分 变压器有两组绕组,一组双19V,经过整流滤波后供应功放集成块UL1和UH1;一组双18V,经过整流滤波稳压后供应运放IC。 待机控制:有信号输入音箱时,左右声道信号混合后的信号C(见前级音调部分图),经过运放U8(2/2)放大后,经过D5检波后控制Q3和Q2饱和导通,此时U8(1/2)输出正电压,一是给功放的ST(待机)信号提供高电平,功放可以正常工作;另外,U8(1/2)驱动工作指示灯D14发黄光。无信号输入音箱时,运放U8(2/2)无信号控制Q3和Q2饱和导通,此时U8(1/2)输出负电压,给功放的ST(待机)信号为低电平,功放不工作;另外,U8(1/2)驱动工作指示灯D14发红光。 开关机静噪:有信号时,U8(1/2)输出正电压,ST信号为高电平,但是功放芯片的10脚静噪控制脚电压要经过RH4(RL4)和RH3(RL3)及10uF电容器组成的延时电路延时才变为高电平,所以开机时对喇叭的冲击得以消除。关机时,15V电压先消失,Q5的基极变为低电平,但是Q5的发射极100μF电容器的电荷还存在,所以Q5集电极输出高电平,使得三极管Q饱和导通,把ST信号下拉到地,100μF电容器放电比主电容慢,使得功放喇叭避开了关机时的冲击。 过载指示:(见压限部分图)U15(4/4)的高电平经过R62、D13、D12四个串联二极管后使得三极管Q饱和导通 ,使得U16(1/2)输出高电平,工作指示灯D14停止发黄光(电路如图8所示)。
(全文完) |
相关热词:#液晶维修
电场激活原位掺杂平面光伏型胶体量子点红外...
时间:2026-03-09
什么是硅片或者晶圆?一文了解半导体硅晶圆
时间:2026-03-09
集成电路的几纳米代表了什么?
时间:2026-03-09
金刚石基GaN问世 化合物半导体行业进入第三...
时间:2026-03-09
实用模拟电路小常识浅析
时间:2026-03-09
寄存器是什么?怎么操作寄存器点亮LED灯?
时间:2026-03-09
一文详解MOS管驱动电路拓扑的设计
时间:2026-03-09
汽车芯片业应汲取的教训
时间:2026-03-09
半导体光刻工艺 光刻—半导体电路的绘制
时间:2026-03-09
电阻的原理和作用 电阻色环识别图 电路中电...
时间:2026-03-09
豆浆机更换电机全过程
时间:2026-03-09
电信 IPTV 常见故障排除方法与检修实例 (三...
时间:2026-03-08
三相电的相序 怎样才能分辨ABC
时间:2026-03-09
分享一下解决TV远程各种问题的工具方法,你...
时间:2026-03-09
格兰仕G90F25CN3LV-Q6(GO)变频 微波炉,按启...
时间:2026-03-09
九阳电压力锅维修过程
时间:2026-03-09
《洗衣机维修从入门到精通》电子书PPT之三
时间:2026-03-09
安装师傅却说:他只是帮忙的,并表示这个线...
时间:2026-03-09
电气电工专业就业前景,如果再给你一次机会...
时间:2026-03-09
电工师傅说,“干的农民工搬砖的活儿,挣的...
时间:2026-03-09