当前位置:首页 > 维修 > 正文

康佳35018270三合一板电源+背光灯电路原理与维修

来源:网络  发布者:电工基础  发布时间:2026-03-09 16:08
康佳LED液晶彩电采用的35018270主板+电源+背光灯三合一板,主板核心电路采用超级单片6A800HTAB平台,对各种输入信号进行放大处理,显示图像和伴音;开关电源驱动电路采用FAN6755W,输出+65V和+12V电压,为主板和背
康佳LED液晶彩电采用的35018270主板+电源+背光灯三合一板,主板核心电路采用超级单片6A800HTAB平台,对各种输入信号进行放大处理,显示图像和伴音;开关电源驱动电路采用FAN6755W,输出+65V和+12V电压,为主板和背光灯电路供电;LED背光灯驱动电路采用OZ9902A,将+65V电压提升到+105V左右,为两路LED背光灯串供电。应用于康佳LED42M3820AF、LED42M1200AF、LED42M1230AF、LED42M1370AF、LED40M1200AF等液晶彩电中。

康佳35018270三合一板电源+背光灯电路原理与维修

康佳35018270主板+电源+背光灯三合一板实物图解见图1所示

康佳35018270三合一板电源+背光灯电路原理与维修

电路组成方框图见图2所示。


一.电源电路工作原理

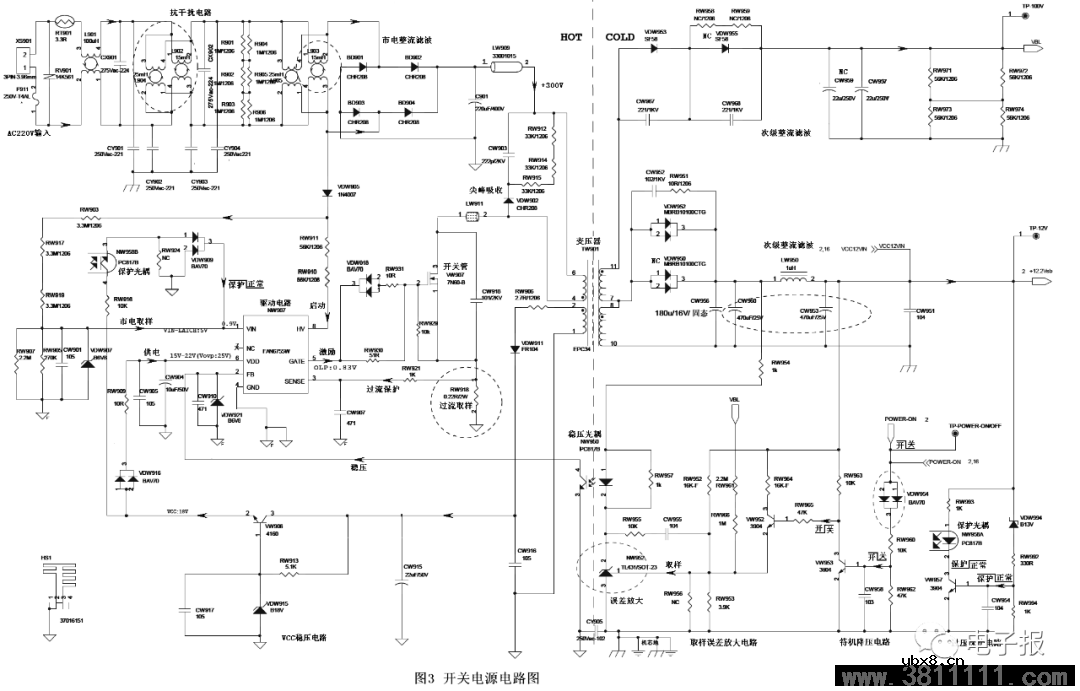
康佳35018270主板+电源+背光灯三合一板的开关电源电路见图3所示,由抗干扰和市电整流滤波电路、开关电源主电路、稳压控制电路、开关机控制电路组成。

康佳35018270三合一板电源+背光灯电路原理与维修

㈠开关电源主电路

开关电源主电路以驱动控制电路FAN6755W(NW907)、大功率MOSFET开关管VW907、变压器TW901、稳压控制电路误差放大器NW952(TL431)、光耦NW950(PC817)为核心组成。输出+12Vsb、+65V电压,+12Vsb电压为主板和背光灯驱动电路供电,+65V电压为背光灯升压电路供电。



1.FAN6755W简介
FAN6755W是高集成绿色电源专用驱动控制电路,内含软启动、时钟发生器、比较器、电压控制、激励放大电路等。固定工作频率65kHz,5ms软启动G极驱动,固定输出电压18V,具有供电欠压保护、开路保护等功能,自适应绿色模式,减少损耗,最小工作频率23 kHz。FAN6755引脚功能见表1所示。
表1 FAN6755W引脚功能

康佳35018270三合一板电源+背光灯电路原理与维修

220V交流电压经过抗干扰电路滤除干扰脉冲后,分为两路,一路经全桥BD901-BD904整流、C901(220μF/400V)滤波得到+300V直流电压,经开关变压器TW901的初级6-4脚为MOSFET开关管VW907的D极供电;另一路经VDW905整流、RW911、RW910降压后,为NW907的8脚提供HV启动电压,该电路启动工作,NW907从5脚输出激励脉冲电压,经RW930、VDW918、RW931推动开关管VW907工作于开关状态,VW907产生的脉冲电流在TW901中产生感应电压。其中TW901的热地端1-2绕组上产生的感应电压,经RW906限流、VDW911整流、CW915、CW916滤波后产生的直流电压,再经VW906、VDW915组成的稳压电路稳压后,产生VCC-18V电压,经VDW916、RW909,送到NW907的6脚,取代NW907的8脚内HV启动电压,为启动后的NW907提供稳定的供电。
2.启动工作过程
TW901的冷地端次级10-8绕组产生的感应电压经双二极管VDW952整流,CW956、CW960、LW950、CW953组成的π式电路滤波后,输出+12Vsb电压,为主板和背光灯驱动电路供电;TW901的次级10-8加7-11绕组产生的感应电压经VDW953整流,CW957滤波后,输出+65V电压,为LED背光灯升压电路供电。
3.稳压控制电路
稳压控制电路由取样电路RW952、RW953、RW961、RW966和误差放大器NW952(TL431)、光耦NW950(PC817)为核心组成,对NW907的2脚FB电压进行控制,达到稳压值的目的。
当开关电源输出的+65V和+12Vsb电压升高时,经过取样电路分压,使NW952的采样输入端电压升高,比较放大后NW952的电流增加,经过光电耦合器NW950使NW907的2脚电压降低,NW907输出的脉冲变窄,开关管VW907的导通时间变短,开关电源输出电压降低正常值。当开关电源输出电压降低时,稳压电路向相反的方向变化,输出电压上升到正常值。
4.开关管过流保护电路
NW907的3脚为电感电流检测输入端,通过RW921对大功率开关管VW907的S极电压进行检测,当VW907的电流过大,在S极电阻RW918上产生的电压降增加,通过RW921加到NW907的3脚,经内部检测后,执行保护措施,停止输出激励脉冲。
5.尖峰吸收保护电路
大功率开关管VW907的D极与VDW902、CB903、RW912、RW914、RW915组成的尖峰脉冲吸收电路相连接。当开关管VW907截止时,在TW901的6-4初级绕组产生较高的反峰压,该反峰压经尖峰吸收电路吸收释放,避免开关管截止期间将开关管VW907击穿。
6.市电过压保护电路
该保护电路由驱动电路NW907的1脚内外电路组成。NW907的1脚内设电压检测和保护电路,当1脚电压过高或过低时,保护电路启动,NW907停止工作。市电经VDW905整流,RW903、RW917、RW919与RW905、RW907分压后,送到NW907的1脚。当市电电压过高,输入端1脚电压达到5V时,NW907保护电路启动,开关电源停止工作。
7.输出过压保护电路
过压保护电路由13V稳压管VDW994、检测三极管VW957、光耦NW958为核心组成,对开关电源驱动电路NW907的1脚电压进行控制。
当开关电源输出的+12Vsb电压达到13V以上时,击穿13V稳压管VDW994,经RW992向VW957的b极注入高电平;VW957导通,光耦NW958导通,其内部光敏三极管导通,从3脚输出高电平,经VDW909向NW907的1脚注入高电平,NW907据此进入保护状态,开关电源停止工作。
(未完待续)

相关热词:#液晶维修