当前位置:首页 > 电子元件 > 正文

反激开关电源:RCD吸收电路

来源:网络  发布者:电工基础  发布时间:2026-03-12 09:09

反激开关电源在MOS管关断时,变压器初级绕组漏感存储的能量无法向次级绕组传递,初级绕组的漏感和MOS管的寄生电容产生了谐振电压波形。这个谐振电压尖峰与次级绕组反射电压、电源输入电压叠加在一起,加载到MOS管的DS两端。如加载电压超过MOS管的耐压,则MOS管损坏。如加载在MOS管耐压之下,但靠近MOS管耐压,则影响MOS管使用寿命。RCD吸收电路的作用就是抑制谐振电压尖峰,为MOS管耐压留出至少20%的电压余量,避免MOS管损坏或影响MOS管使用寿命。另外,RCD吸收电路抑制了谐振电压振荡,对EMI有利。

反激开关电源:RCD吸收电路

谐振波形形成原因

对叠加电压波形展开分析,根据RLC串联电路原理,谐振电压波形的周期为2π×(Llk×Coss)^0.5,谐振频率是周期的倒数,其中Llk是初级绕组的漏感,Coss是MOS管的寄生电容。

反激开关电源:RCD吸收电路

在电路中,电感和电容串联谐振模型如下。在谐振频率下,电感和电容的阻抗相互抵消,整个回路中只有线路寄生电阻,电感向电容充电,之后电容向电感充电,能量在二者之间往复循环,能量难以消耗,就形成了谐振电压波形。

反激开关电源:RCD吸收电路

反激开关电源的关键元件寄生参数模型如下,在这里只关注初级绕组漏感Llk1、MOS输出电容Coss。

反激开关电源:RCD吸收电路

RCD吸收电路工作原理

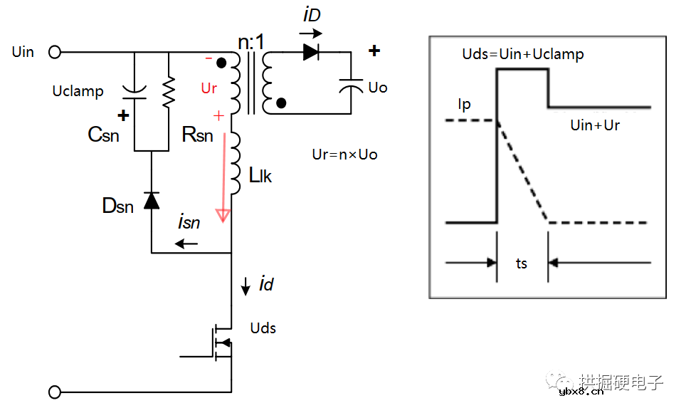
用于吸收MOS管电压尖峰的电路还有其他电路形式,但在开关电源中RCD吸收电路是最常用的。RCD吸收电路由二极管D,电阻R,电容C组成,其电路结构如下图所示。

反激开关电源:RCD吸收电路

结合原理图,忽略二极管D的正向导通压降。当MOS关断时,谐振电压波形在B点产生电压尖峰,此时UB高于UA(初始时刻电容C两端无电压差),则UB通过二极管D向电容C充电。Uds电压升高的本质是初级绕组漏感瞬变电流感应产生的电压(初级绕组漏感存储的磁能)向MOS管的寄生电容Coss进行充电,寄生电容Coss两端电荷积累,电压差增大。当二极管D导通,由于电容C比MOS管的寄生电容大得多,所以电容C会分掉大部分电流(这部分电流本来是向寄生电容Coss充电的),使得寄生电容Coss充电过程变得缓慢,所以说电容C会抑制Uds电压尖峰。同时电阻R消耗初级绕组漏感存储的能量,使得谐振波形尽快趋于平稳。

在MOS管关断的时间内,钳位电容很快充电达到设定的钳位电压,谐振电压尖峰低于钳位电压(当谐振电压UB波形开始下降到低于UA时,并一直保持UB低于UA,UB逐渐回落至Uin+Ur),之后钳位二极管截止,钳位电容C通过钳位电阻R以热能的形式释放能量。需要注意的是,需要限制电阻R放电的速度(意味着电阻阻值不能选得太小),保证钳位电压不会低于反射电压,否则UB小于UA(此时UB=Uin+Ur,UA=Uin+Uclamp,Uclamp受电阻放电影响是逐渐减小的),则钳位二极管导通,钳位电阻开始消耗原本要向次级绕组传递的能量,这样会降低电源效率。通过这种方式,在MOS管关断时,RCD吸收电路吸收初级绕组漏感在MOS管开通时刻存储的能量,限制Uds不得超过UA。

为了避免上一周期钳位电容C存储的能量影响下一个周期钳位动作,要求在下一次MOS导通之前,电阻R将钳位电容C上的能量释放全部释放掉。如果没有电阻R,则在每个周期漏感都将对电容C进行充电,使得电容C两端电压不断升高,直至MOS管或电容承受不住高电压而损坏。一般地,要求MOS管开关周期T=(2~4)×RC。

下图为开关电源增加RCD电路前后MOS管Uds测试波形对比,左图为加RCD之前电路的测试结果,右图为为加RCD之后电路的测试结果:

红:MOS管Uds电压,蓝:MOS管耐压Uds max

反激开关电源:RCD吸收电路

元器件选型计算

根据工程经验,通常设置钳位电压最大值是反射电压的22.5倍,也即是Uclamp=(22.5) × Ur。

在MOS管关断时刻,初级绕组的漏感能量都由钳位电容吸收,如果钳位电容容量太小,则起不到吸收全部能量的作用,Uds继续上升,起不到保护作用。所以选用的钳位电容一般容值较大,假设在钳位电容充电时,Uclamp电压不变(电压变化很小)。为方便计算,在钳位电容充电时间内,假设漏感的电流都流入了钳位电容,忽略流向电阻和MOS管输出电容的电流,也忽略了钳位二极管的正向导通压降。

在一个开关周期内,对于钳位电容Csn来说,电容吸收的功率为=单位时间内的电容储能=钳位电压×电容平均电流×钳位时间/开关周期=Uclamp×0.5×Ip×ts×fs,其中Ip是漏感峰值电流,ts是钳位时间,fs是MOS管开关频率。

在一个开关周期内,对于漏感Llk来说,ts=漏感×漏感电流变化量/漏感电压=Llk×Ip/(Uclamp-nUo),其中nUo是次级绕组反射电压,代替了图中的nVo。其中Usn是电容钳位电压,代替了图中的Vsn。其中Uclamp-nUo表示加载在漏感两端的电压。其中Ip是漏感中的峰值电流,也是在ts时间内,漏感电流的变化量。其中Llk表示漏感的电感值。

漏感释放的功率=0.5×Llk×Ip²×ts×fs。

在一个开关周期内,对于钳位电阻Rsn来说,漏感所有的功率由电阻Rsn进行耗散,电阻耗散功率=Uclamp²/Rsn。

反激开关电源:RCD吸收电路

联立以上三个关系式,可以得钳位电阻Rsn:

反激开关电源:RCD吸收电路

我们需将钳位电压的纹波电压设置在合理范围内,一般认为纹波电压占钳位电压的5%~10%是合适的。

纹波电压=Uclamp/(Rsn×Csn×fs),可求出钳位电容Csn:

反激开关电源:RCD吸收电路

钳位二极管选用超快恢复二极管,二极管的反向耐压根据计算出的MOS管实际承受耐压的1.2倍以上来选取。

总的来说,要求RC吸收电路在MOS管关断期间储能抑制Uds上升,在此之后要求钳位电压不能因电阻放电低于反射电压,在MOS管开通之前要求将钳位电容内的能量释放完。在MOS管关断期间Uds先振荡上升,又振荡下降,钳位电容先充电,后放电,整个过程还是比较复杂的。因为实际电源的RCD吸收电路电路还会受电路中其他寄生参数、二极管恢复特性等影响,所以获得以上RCD吸收电路元件的初步参数之后,还需要根据实际调试情况,最终确定设计参数。