74HC273是一款高速CMOS器件,74HC273引脚兼容低功耗肖特基TTL(LSTTL)系列。
74HC273具有八路边沿触发,D 型触发器,带独立的D输入和Q输出。74HC273的公共时钟(CP)和主复位(MR)端可同时读取和复位(清零)所有触发器。每个D输入的状态将在时钟脉冲上升沿之前的一段就绪时间内被传输到触发器对应的输出(Qn)上。
一旦MR输入电平为低,则所有输出将被强制置为低,而不依赖于时钟或者数据输入。
74HC273适用于要求原码输出或者所有存储元件共用时钟和主复位的应用。
74HC273 封装与引脚
SO20, SSOP20, DIP20, TSSOP20
用于MOS微处理器或存储器的理想缓冲器
共用时钟和主复位
八路上升沿触发D 型触发器
兼容JEDEC标准no.7A
ESD保护
HBM EIA/JESD22-A114-C超过2000 V
MM EIA/JESD22-A115-A超过200 V
可选多种封装类型
温度范围
-40~+85 ℃
-40~+125 ℃
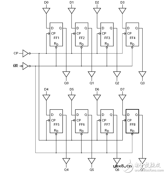
各个引脚的作用如下(参照图1说明):

为了可以清晰地表达它的主要引脚的作用,下面是它的逻辑符号图(图2):

主要引脚的功能如下所示:

-MR为高的使能所用的触发器,Dn脚的输入会在CP的上升沿触发后传送给对应的Qn输出脚
为了更好的理解,我们来看一下它的内部原理图:


声控开关安装接线方法_声控开关接线实物图
时间:2026-03-13
行程开关实物接线图
时间:2026-03-13
温度开关的分类_温度开关的选型
时间:2026-03-13
温度开关作用_温度开关检测及使用
时间:2026-03-13
温控开关坏了什么症状_温控开关怎么检测好坏
时间:2026-03-13
温控开关常开常闭区别
时间:2026-03-13
震动开关原理_震动开关的使用
时间:2026-03-13
四脚轻触开关原理和封装尺寸
时间:2026-03-13
轻触开关与薄膜开关的区别
时间:2026-03-13
薄膜开关基本结构_薄膜开关技术参数
时间:2026-03-13
电阻的标称阻值和允许偏差
时间:2026-03-05
玻璃釉电容器的结构与特点
时间:2026-03-05
关于STM32WL LSE 添加反馈电阻后无法起振的...
时间:2026-03-05
可调电阻怎么接线
时间:2026-03-05
压敏电阻有正负极吗
时间:2026-03-05
碳膜电阻如何识别_金属膜电阻器和碳膜电阻器...
时间:2026-03-05
变压器并列运行的条件浅析
时间:2026-03-06
电容器入门教程
时间:2026-03-05
电容的作用和工作原理 电容具有什么特点 简...
时间:2026-03-05
贴片电阻的阻值识别方法
时间:2026-03-05