高速通信的混频器和调制器分析
电工问答2026-03-05
在高速无线通信系统中,信号必须进行上变频或下变频后才能进行信号传播和处理。这种变频步骤在传统上称为混频,是接收和发射信号链必不可少的过程。于是,混频器和调制器就成为射频(RF)系统的基本构件。
电工问答2026-03-05
混频器,什么是混频器 混频器是典型的频谱搬移器件,它在微波通讯、雷达、遥感遥控、电子侦察与对抗、及微波测量仪器等领域应用广泛。一方面,将低频基带信号调制到微波频段,以便于信息、能量传输;另一方面,将含
电工问答2026-03-05
三平衡混频器,三平衡混频器是什么意思 三平衡混频器由于采用了两个二极管电桥。三端口都有变压器,因此其本振、射频及中频带宽可达几个倍频程,且动态范围大,失真小,隔离度高。但其制造成本高,工艺复杂,因而价
电工问答2026-03-05
混频器,混频器是什么意思 混频器是典型的频谱搬移器件,它在微波通讯、雷达、遥感遥控、电子侦察与对抗、及微波测量仪器等领域应用广泛。一方面,将低频基带信号调制到微波频段,以便于信息、能量传输;另一方面,
电工问答2026-03-05
混频器的作用和混频器原理分别是什么? 当然也可以直接放大后就进行检波,这就是所谓的直接放大式接收机,这样的接收机,不适合作成多波段,灵敏度也不能做的很高.经过混频变成固定的中频后,可以对中频进行较高增益的放
双平衡混频器,双平衡混频器原理及其结构简介
电工问答2026-03-05
双平衡混频器,双平衡混频器原理及其结构简介 (一)双平衡混频器简介 混频器(亦称变频器或乘法器)是用来把信号从一个频率RF变到另一个频率IF的电路组件。混频器的输出频率包括:
电工问答2026-03-05
三平衡混频器,什么是三平衡混频器 三平衡混频器由于采用了两个二极管电桥。三端口都有变压器,因此其本振、射频及中频带宽可达几个倍频程,且动态范围大,失真小,隔离度高。但其制造成本高,工艺复杂,因而价格较
电工问答2026-03-05
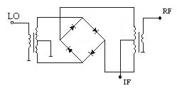
单平衡混频器,单平衡混频器的特点和原理是什么? 单平衡混频器是平衡混频器最基本的形式。实际上,它是由一对单二极管混频器组成。如图所示:
二极管环形混频器,二极管环形混频器原理是什么?
电工问答2026-03-05
二极管环形混频器,二极管环形混频器原理是什么? 四个二极管组成一个环——环形混频器
场效应晶体管混频器原理及其电路
电工问答2026-03-04
场效应晶体管混频器原理及其电路 混频器一般由输入信号回路、本机振荡器、非线性器件和滤波网络等4部分组成,如图1所示。这里的非线性器件本身仅实现频率变换,本振信号由本机振荡器产生。若非线性器件既产生本振信
多业务广域网解决方案
时间:2026-03-05
无线网络新技术_无线MESH网络是什么
时间:2026-03-05
简单无线mesh网络搭建
时间:2026-03-05
无线mesh网络特点
时间:2026-03-05
无线接入方式有哪些
时间:2026-03-05
无线接入器是什么
时间:2026-03-05
无线中继器安装操作步骤
时间:2026-03-05
无线中继器怎么设置_怎样用中继器增强wifi无...
时间:2026-03-05
tplink无线中继器设置
时间:2026-03-05
无线怎么防止别人蹭网
时间:2026-03-05
瞬间抑制二极管(TVS)/瞬间抑制二极管(TVS)是...
时间:2026-03-04
什么是霍尔传感器
时间:2026-03-05
半导体材料的主要种类有哪些?
时间:2026-03-04
高级封装,高级封装是什么意思
时间:2026-03-04
数字比较器,数字比较器是什么意思
时间:2026-03-04
常用整流二极管型号大全
时间:2026-03-04
S/HS固态继电器原理简介
时间:2026-03-04
稳压二极管的选用和代换
时间:2026-03-04
TVS器件的电特性有哪些
时间:2026-03-04
TVS二极管的分类/应用,TVS二极管的特点/选用...
时间:2026-03-04