简易大功率电子变压器制作
介绍的电子变压器克服了传统硅钢片变压器体积、重量大、效率低、价格高的缺点,电路成熟,性能稳定。

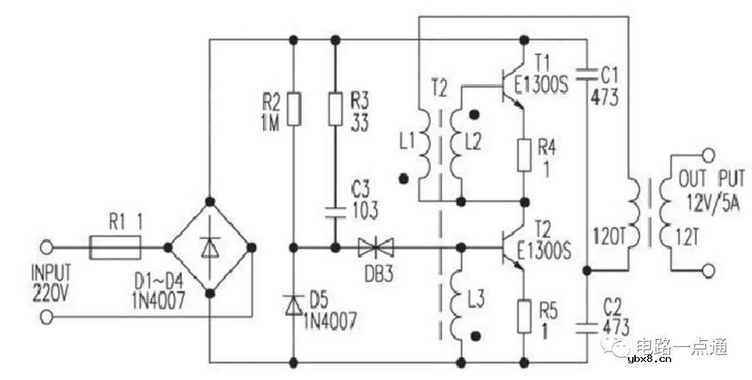
本电子变压器工作原理与开关电源相似,电路原理图见图1,由VD1-VD4将市电整流为直流,再把直流变成几十千赫兹的 高频电流,然后用铁氧休变压器对高频、高压脉冲降压。图中R2、C1、VD5为启动触发电路。C2、C3、L1、L2、L3、VT1、VT2构成高频振荡部分。
元器件选择与制作

L1、L2、L3分别绕在H7&TImes;4&TImes;2mm3的磁环上,L1、L2绕6匝;L2绕1匝。L4、L5绕在H31&TImes;18&TImes;7mm3的磁环上,L4绕用Φ=0.1mm的高强度线绕340匝;L5用Φ=1.45mm的高强度线绕20匝。VT1、VT2选用耐压BVceo≥350V大功率硅管。其它元件无特殊要求。
电路正常工作时,A点工作电压约为215V,B点约为108V,C点约为10V,D点约为25V。如果不振荡,检查VT1、VT2及L1、L2、L3的相位是否正常(交换L3的两根接线即刻)。改变L5的匝数可改变输出电压。
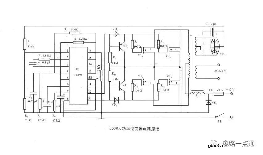
500W大功率变压器电路
如图为500W大功率变压器电路原理。电路采用TL494为振荡器,VT1~VT6为激励级,是输出为500W的大功率逆变电路。TL494在该逆变器中的应用方法如下:1、2脚构成稳压取样、误差放大电路f逆变器次级绕组整流输出的15V直流电压作为取样电压,经R1、R3分压,使1脚在逆变器正常工作时有近4.7~5.6V的取样电压。2脚输入5V的基准电压(由14脚输出)。当输出电压降低时,1脚电压降低,误差放大器输出低电平,通过TL494内部电路使输出电压升高。

四款电子变压器电路图
电路图一:
我们经过反复实验这种电子变压器的电流反应速度很快!已经超过了普通的工频变压器,该电路完全可以代替功放的电源。电子变压器AC/DC有过电流限制保护功能适合电动自行车的电瓶充电。如果将几个AC/DC并联可以做成大功率的充电机。由于该电路的适应电流变化能力很强采用并联可以代替数KW的火牛,应用在音响电源。

电路图二:


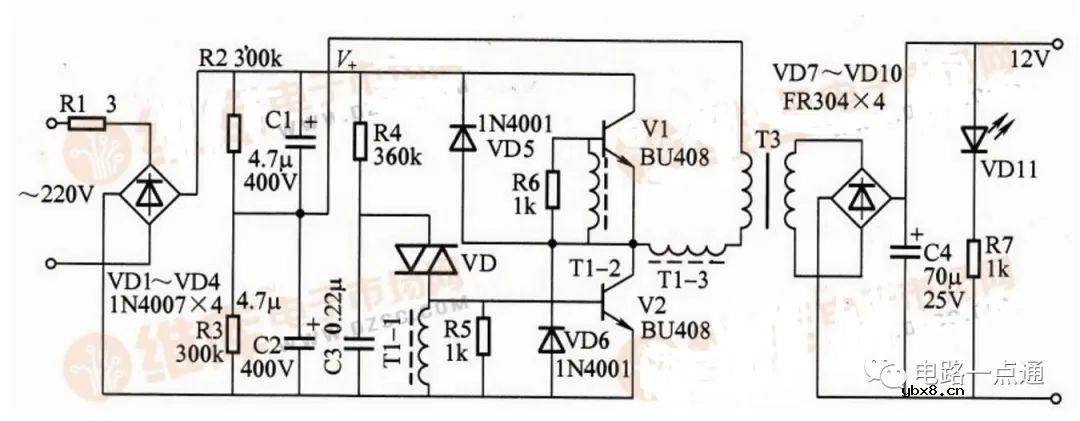
电路图三:

该电子变压器工作原理与开关电源相似,由VD1~VD4把市电整成直流,再把直流整成几十千赫兹的高频电流,然后用铁氧体变压器对高频、高压脉冲降压(如图所示)。图中R2、C1、VD5为启动触发电路。C2、C3、L1、L2、L3、VT1、VT2构成高频振荡部分。
电路图四:

审核编辑:汤梓红
惠普彩色激光打印机工作原理
时间:2026-03-06
激光打印机的类型
时间:2026-03-06
什么是打印机分辨率
时间:2026-03-06
激光打印机的打印速度
时间:2026-03-06
激光打印机最大打印幅面
时间:2026-03-06
激光打印机打印的介质类型
时间:2026-03-06
打印机供纸方式
时间:2026-03-06
打印机的纸盒容量
时间:2026-03-06
打印机的首页输出时间
时间:2026-03-06
什么是打印机最大打印能力
时间:2026-03-06
玻璃釉电容器的结构与特点
时间:2026-03-05
关于STM32WL LSE 添加反馈电阻后无法起振的...
时间:2026-03-05
电阻的标称阻值和允许偏差
时间:2026-03-05
使用过滤器电容器和诱导器来抑制受辐射的EM...
时间:2026-03-05
如何区分电容的正负极
时间:2026-03-05
瓷片电容的意义以及电容抗扰电路设计与分析
时间:2026-03-05
电容电感区别在哪里?特性差异是什么?可编...
时间:2026-03-05
浅谈高压贴片电容分类与性能参数
时间:2026-03-05
聚四氟乙烯电容器的结构与特点
时间:2026-03-05
漆膜电容器的结构与特点
时间:2026-03-05