电工问答2026-03-07
什么是手机扩展卡 一: 什么叫闪存卡 在过去,人们照相要使用胶卷,听歌要有磁带,录相要用录相带,存储文件使用磁盘,科技的发展,尤其是数码产品的发展,促使闪存卡的诞生。目前闪存卡的应用领域范围广泛,使得闪存卡
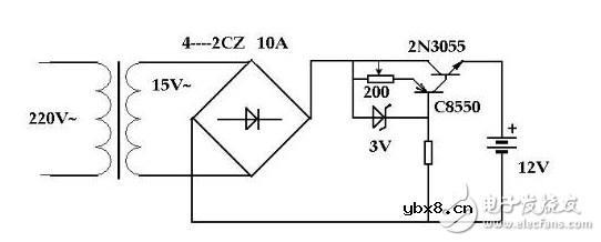
电路图天天读(23):便携式设备充电电源电...
时间:2026-03-07
一文详解变压器的连接方法和联结组别
时间:2026-03-07
经典汽车电瓶充电电路图
时间:2026-03-07
简单人工智能的温度控制电路设计
时间:2026-03-07
TI工程师 可编程多化合物快速充电电路曝光
时间:2026-03-07
高性能多路复用数据采集系统电路设计
时间:2026-03-07
基于RFID的手持机快速充电电路模块设计
时间:2026-03-07
电路图天天读(24):采用555时基全自动快速...
时间:2026-03-07
基于STC12C5A32S2单片机数控电源兼电子表电...
时间:2026-03-07
电容传感器测量系统模块电路设计集锦
时间:2026-03-07
什么是追踪缓存/转接卡?
时间:2026-03-06
瞬间抑制二极管(TVS)/瞬间抑制二极管(TVS)是...
时间:2026-03-04
什么是EPIC
时间:2026-03-06
什么是联合并行处理二级缓存?
时间:2026-03-06
什么是Speculative execution/SQRT?
时间:2026-03-06
什么是霍尔传感器
时间:2026-03-05
双向二极管起什么作用?
时间:2026-03-04
半导体材料的主要种类有哪些?
时间:2026-03-04
高级封装,高级封装是什么意思
时间:2026-03-04
数字比较器,数字比较器是什么意思
时间:2026-03-04